Что-то не так?
Пожалуйста, отключите Adblock.
Портал QRZ.RU существует только за счет рекламы, поэтому мы были бы Вам благодарны если Вы внесете сайт в список исключений. Мы стараемся размещать только релевантную рекламу, которая будет интересна не только рекламодателям, но и нашим читателям. Отключив Adblock, вы поможете не только нам, но и себе. Спасибо.
Как добавить наш сайт в исключения AdBlockРеклама
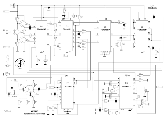
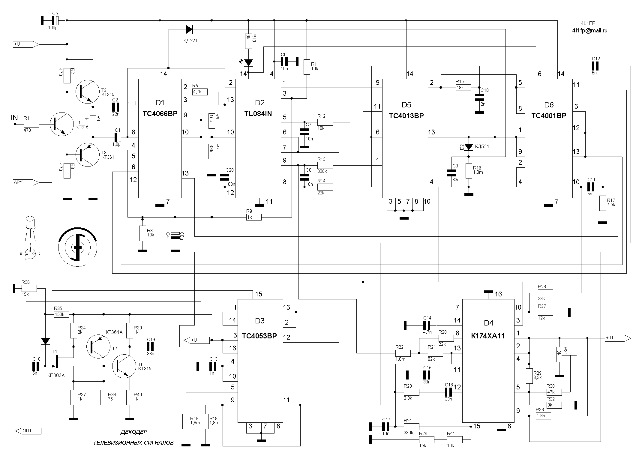
MMDS-декодер
MMDS-декодер
Системы MMDS (Multipoint Multichannel Distribution System) - это многоканальные телевизионные беспроводные распределительные системы, которые могут транслировать до 24 аналоговых телевизионных или более 120 цифровых каналов в диапазоне частот 2,5-2,7 ГГц со стандартной амплитудной модуляцией. Оборудование работает в радиусе нескольких десятков километров (в зависимости от высоты расположения антенны) и позволяют охватывать целые районы и области. Такой способ решения проблемы "последней мили" - один из самых удобных для небольших городов и пригородов с малоэтажной и разнородной застройкой, где прокладка кабельной сети малоэффективна. В России более чем в 30 городах уже развернуты и успешно работают системы MMDS. Предлагаю вашему вниманию несложную схему MMDS-декодера Фотографии печатных плат и расположения элементов. К сожалению чертежа печатной платы нет, я срисовывал с оригинала и переносил прямо на вторую! В принципе можно посидеть и LAYOUT-е забацать.
|
|||||||||||||





