Что-то не так?
Пожалуйста, отключите Adblock.
Портал QRZ.RU существует только за счет рекламы, поэтому мы были бы Вам благодарны если Вы внесете сайт в список исключений. Мы стараемся размещать только релевантную рекламу, которая будет интересна не только рекламодателям, но и нашим читателям. Отключив Adblock, вы поможете не только нам, но и себе. Спасибо.
Как добавить наш сайт в исключения AdBlockРеклама
Настройка трансвертера 144/21 МГц.
Настройка трансвертера 144/21 МГц
СодержаниеНастройку любой конструкции рекомендуется начинать с проверки правильности монтажа.
Настройку следует начинать с кварцевого автогенератора Прежде всего надо соединить базу транзистора 1Т5 с корпусом при помощи конденсатора емкостью 1000—5000 пФ. При этом кварцевый автогенератор превратится в обычный LC-генератор, частота генерации которого определяется контуром 1L9 1С19 1С20. Вращением сердечника катушки 1L9 надо установить частоту генерации, близкую к утроенной частоте кварцевого резонатора После этого блокирующий конденсатор отключается от базы транзистора 1Т5 и производится точная подстройка до положения, при котором вращение сердечника катушки 1L9 в наименьшей степени влияет на частоту генерации.
При наличии приемника с качественной шкалой или еще лучше электронно-счетного частотомера следует проверить частоту генерации и при необходимости ее скорректировать. Как известно, в схемах, работающих на механических гармониках кварцевого резонатора, электрические методы коррекции малоэффективны. Поэтому остается только изменять параметры самого резонатора. Проще всего обстоит дело, если применен кварцевый резонатор с внешними металлическими обкладками, т. е. без металлизации кварцевой пластины. Частоту такого резонатора можно без труда увеличить в пределах 3—5%, стачивая пластину на мелкозернистой наждачной бумаге. Понизить частоту такого резонатора до 0,5% номинального значения можно, натирая кусочком свинца или припоя центральную часть пластины. При этом надо учесть, что обработанная таким образом пластина подвержена старению в течение 2—3 суток. После этого изменение частоты прекращается и кварцевый резонатор работает достаточно стабильно. Значительно труднее корректировать частоту металлизированных кварцевых пластин. Если металлизация произведена серебром, то частоту резонатора можно повысить, уменьшая толщину покрытия с помощью чернильной резинки. При более прочном покрытии можно воспользоваться мелкозернистой абразивной бумагой. Перед включением кварцевого резонатора в схему необходимо протереть пластину тряпочкой, смоченной в спирте.
Далее приступают к настройке цепи умножителей гетеродинного тракта. При настройке умножителей, как, впрочем, и всех остальных каскадов трансвертера, необходимо контролировать режимы работы транзисторов по постоянному току. Удобнее всего измерять напряжение на коллекторе, так как при известном сопротивлении резистора, стоящего в коллекторной цепи, легко определить ток, протекающий через транзистор: I = (Еп — EK)/RK, где I — ток, протекающий через транзистор, мА; Eп — напряжение источника питания, В; Ек — напряжение на коллекторе транзистора, В; RK — сопротивление коллекторного резистора, кОм.
Особенность измерения режима заключается в том, что это измерение надо проводить в рабочем состоянии, т. е. при наличии сигнала. Дело в том, что большинство транзисторов, примененных в радиостанции, работают в режиме больших сигналов, а это значит, что режимы работы по постоянному току и по высокой частоте взаимосвязаны. При этом подключение щупа измерительного прибора может повлиять на режим работы каскада по высокой частоте и, таким образом, внести ошибку в измерения. Другая опасность заключается в том, что даже при измерении режима транзистора, работающего в режиме малых сигналов, при присоединении щупа возможно самовозбуждение каскада. Такое самовозбуждение может значительно повлиять на режим работы транзистора и, таким образом, исказить результаты .измерений. Для того, чтобы подобные эффекты не возникали, надо производить измерения через резистор сопротивлением 10 кОм и более. Резистор надо закрепить на кончике щупа, для того чтобы проводник, подключенный к схеме, имел минимальную длину. Очевидно, что наличие добавочного резистора занижает показания вольтметра, однако возникающую погрешность нетрудно учесть. Для удобства измерений можно, например, перейти на меньший предел вольтметра, а затем, подобрав сопротивление внешнего резистора, вернуться к прежней шкале.
Налаживание первого утроителя, выполненного на транзисторе 1Т6, начинается с регулировки режима возбуждения. Подбором емкости конденсатора 1С22 надо добиться, чтобы постоянное напряжение на коллекторе транзистора составило 5—6 В. Это соответствует коллекторному току транзистора 1Т6 около 6 мА.
После этого приступают к настройке двухконтурного фильтра 1L10 1С25— 1L11 1С26. Настройка производится по максимуму коллекторного тока транзистора 1Т7, стоящего в следующей ступени умножителя. Необходимую степень возбуждения транзистора 1Т7 можно регулировать, изменяя точку подключения контуров фильтра к коллектору транзистора 1Т6 и базе транзистора 1Т7. При подборе отводов на катушках надо следить, чтобы оба контура были нагружены примерно в одинаковой степени. О значении нагруженной добротности контура можно судить по остроте настройки с помощью подстроечного конденсатора. Если один из контуров имеет более “тупую” настройку, то отвод на катушке следует перепаять ближе к заземленному выводу. При правильной настройке постоянное напряжение на коллекторе транзистора 1Т7 должно составлять 5—6 В.
Если размеры катушек 1L10 и 1L11 выдержаны достаточно точно, а подстроечные конденсаторы находятся примерно в среднем положении, опасность настройки фильтра на неправильную гармонику невелика. Однако если изменены размеры катушек или частота кварцевого генератора, полезно тем или иным способом проверить правильность настройки.
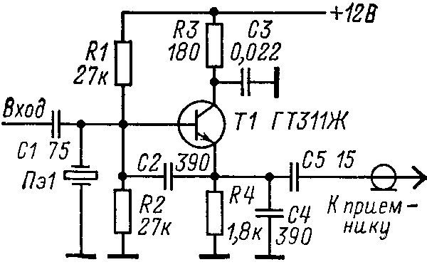
Можно, например, воспользоваться приемником, работающим в нужном диапазоне частот. Ко входу приемника надо подключить отрезок провода, другой конец которого поднести к контуру 1L10 1С25. При вращении подстроечного конденсатора 1С25 максимум громкости сигнала должен совпадать с максимумом коллекторного тока транзистора 1Т7. Возможности такого метода проверки ограничены тем, что большинство связных приемников имеет диапазон рабочих частот не более 25 МГц. Расширить диапазон принимаемых частот можно с помощью простейшей приставки, схема которой показана на рис. 25.

рис. 25
Приставка представляет собой кварцевый автогенератор, выполненный на транзисторе ГТ311. Одновременно транзистор выполняет функции смесителя, работающего на гармониках частоты кварцевого автогенератора. Для этого автогенератор с помощью отрезка кабеля подключен ко входу коротковолнового приемника. При налаживании гетеродинного тракта приставку с помощью короткого отрезка монтажного провода надо связать с контуром настраиваемого умножителя. Для этого достаточно изолированный конец монтажного провода поднести к “горячему” выводу контура. В силу того, что в приставке отсутствуют селективные цепи, прием происходит одновременно на многих гармониках автогенератора. Разобраться в многообразии сигналов помогает то, что заранее известны частоты кварцевого генератора гетеродина и кварцевого генератора приставки. В приставке можно применить любой кварцевый резонатор с собственной частотой от 8 до 15 МГц.
В качестве примера рассмотрим процесс настройки контура 1L10 1С25 на 61,5 МГц. Пусть в приставке использован кварцевый резонатор на частоту 9620 кГц, а проверка кварцевого генератора трансвертера показала, что его частота составляет 20 504 кГц. В этом случае сигнал на выходе утроителя будет иметь частоту 61 512 кГц. Такой сигнал можно прослушивать, используя четвертую или пятую гармонику гетеродина приставки. В первом случае сигнал следует искать на частоте 61512—9620*4 = 23 032 кГц. Во втором случае, который подходит для приемников, имеющих более узкий рабочий диапазон, сигнал надо искать на частоте 61512—9620*5 = 13412 кГц. Таким образом можно контролировать правильность настройки умножителей до частот 400—500 МГц.
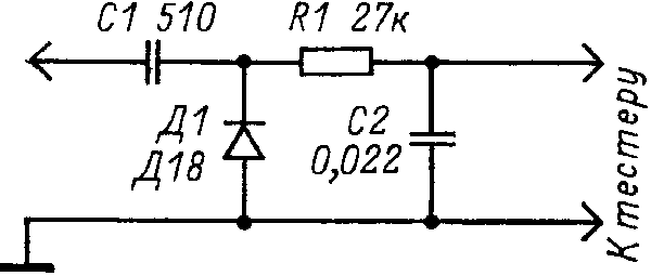
В принципе, диапазон частот можно еще более расширить, если применить более высокочастотный транзистор и уменьшить емкость конденсаторов С2, С4. Правильность настройки умножителей можно также проверить с помощью резонансного волномера или в идеальном случае с помощью анализатора спектра. Продолжим рассмотрение методики настройки гетеродина трансвертера 144/21 МГц. После того как подано необходимое возбуждение на базу транзистора 1Т7, приступают к настройке контура 1L12 1С30 на частоту 123 МГц. Следующий за удвоителем каскад является усилителем на транзисторе 1Т8, работающем в режиме класса А. По этой причине коллекторный ток транзистора 1Т8 слабо зависит от напряжения возбуждения и не может служить для индикации настройки контура удвоителя 1L12 1С30. Поэтому настройку надо производить с помощью приемника или в простейшем случае с помощью высокочастотного пробника, подключаемого к тестеру. Схема пробника показана на рис. 26.

рис. 26
Тестер следует переключить на наиболее чувствительный предел измерения постоянного тока. Степень связи пробника с контуром можно регулировать, передвигая точку подключения его к катушке или линии.
После того как контур 1L12 1С30 настроен на нужную частоту, переходят к настройке оконечного усилителя гетеродинного тракта, выполненного на транзисторе 1Т8. Прежде всего подбором сопротивления резистора 1R20 необходимо установить коллекторный ток транзистора 1Т8 в пределах 7—8 мА. Подбор надо производить при отсутствии сигнала возбуждения. После этого на транзистор 1Т8 надо подать возбуждение и с помощью высокочастотного пробника настроить контур 1L13 1С34. На этом настройка гетеродина заканчивается.
Настройку приемного тракта надо начинать с установки режимов транзисторов 1Т9 и 1Т10 по постоянному току. Подбором резисторов 1R22 и 1R26 следует установить коллекторные токи транзисторов в пределах 2—2,5 мА. После этого смеситель подключается ко входу коротковолнового приемника, настроенного на частоту 21,2 МГц, и контур 1L18 1С50 1С51 1С52 настраивается по максимуму шума.
После этого высокочастотный пробник надо по очереди подключить к контурам 1L17 1С45, а затем к 1L16 1С43 и настроить полосовой фильтр по максимуму сигнала гетеродина. Затем, постепенно уменьшая емкость подстроечных конденсаторов, настроить полосовой фильтр по максимуму шума. Такая процедура регулировки гарантирует от настройки УВЧ на зеркальный канал. Входной контур IL15 1С39 можно настроить только при наличии входного сигнала. Таким сигналом может, например, служить пятая гармоника передатчика диапазона 28 — 29,7 МГц. Для этого надо зашунтировать вход конвертера резистором 75 Ом и в качестве антенны подключить отрезок провода длиной 10 — 15 см. Можно также попытаться принять сигналы радиостанций двухметрового диапазона. Однако наиболее удобно воспользоваться шумовым источником сигнала, так как при этом на процесс настройки не влияет нестабильность частоты и уровня принимаемого сигнала. В качестве такого источника можно использовать ламповый шумовой диод типа 2Д2С. Основное достоинство данного источника заключается в том, что он генерирует шумы известной мощности, и поэтому его можно использовать для измерения коэффициента шума приемника. К недостаткам можно отнести то, что максимальная интенсивность шума такого источника невелика (20—50 kT0), к тому же чем больше интенсивность шума, тем больше температура катода и тем, следовательно, меньше срок службы диода.
По этой причине лучше поберечь шумовой диод для окончательной доводки приемника, а для предварительной настройки использовать, например, генератор шума на полупроводниковом диоде. Схема такого пробника показана на рис. 27.

рис. 27
Источником шума является эмиттерный переход транзистора КТ306, работающего в режиме пробоя обратным напряжением. При этом интенсивность генерируемого шума составляет несколько сотен kT0. Это позволяет для улучшения КСВ пробника добавить на его выход аттенюатор на резисторах R2, R3 с коэффициентом ослабления 13 дБ. Пробник монтируется в небольшой коробочке, снабженной кабелем для подключения его ко входу приемника. При монтаже надо обратить особое внимание на минимальную длину выводов транзистора Т1, резисторов R2, R3 и конденсатора С2. Это особенно важно, если пробник планируется использовать для настройки трансвертеров 432/21 и 1296/144 МГц. Хороший результат был получен при применении в пробнике германиевого СВЧ диода ГА402. Диод имеет меньшую емкость и индуктивность выводов, что особенно важно на высокочастотных диапазонах. Наладка пробника сводится к установке тока через диод 1—3 мА. Для устойчивой работы желательно, чтобы напряжение источника питания в 2—3 раза превышало напряжение, при котором начинается пробой диода. Ток регулируется подбором сопротивления резистора R1.Конечно, список диодов и транзисторов, которые можно применить в данной схеме, не ограничивается приведенными типами. Каждый радиолюбитель может сам выбрать наилучший вариант.
С данным пробником можно легко настроить приемный тракт на максимальный коэффициент усиления. Для этого на выход основного приемника необходимо подключить тестер в режиме измерения переменного напряжения, а затем настройкой контуров и подбором межкаскадных связей добиться его максимальных показаний. Полосу пропускания приемного тракта трансвертера также легко определить по спаду показаний тестера при расстройке основного приемника. Полоса в основном определяется параметрами фильтра 1L16 1С43 1L17 1С45, а также нагруженной добротностью контура 1L18. Полосу можно расширить, увеличивая емкость конденсатора 1С44 и уменьшая коэффициент деления емкостного делителя 1С51, 1С52.
Окончательная настройка производится с помощью измерительного генератора шума. Методика такой настройки будет описана далее.
Затем можно переходить к настройке передающего тракта. Сначала необходимо установить режимы транзисторов по постоянному току. Подбором резистора 1R10 напряжение на коллекторе транзистора 1Т4 >устанавливается равным + 7 В, что соответствует току 10 мА. С помощью резистора 1R8 устанавливается режим транзистора 1ТЗ. Напряжение на коллекторе 1ТЗ должно быть равно +9 В (ток коллектора 20 мА). При регулировке начального тока предоконечного и оконечного транзисторов лучше измерять постоянное напряжение на коллекторе не относительно земли, а относительно плюсового провода. Падение напряжения на резисторе 1R4 должно равняться 4В (100 мА), а на резисторе 1R1—0,2 В (40 мА). После этого напряжение питания от транзисторов 1Т1 и 1Т2 необходимо временно отключить. Теперь можно приступить к настройке резонансных контуров. Первоначальная настройка производится в отсутствие сигнала с частотой 21 МГц. При этом резонансные контуры 1L8 1С15, 1L7 1С14, IL6 1С10 настраиваются на частоту гетеродина, т. е. на частоту 123 МГц. Настройка осуществляется с помощью высокочастотного пробника, поочередно подключаемого к данным контурам. Затем на вход смесителя надо подать сигнал с частотой 21,2 МГц. Напряжение сигнала надо увеличивать до тех пор, пока не начнется заметное уменьшение коллекторного тока транзистора 1Т4. Одновременно проводится подстройка контура IL14, 1С35, 1С37.Напряжение сигнала гетеродина на выходе смесителя должно при этом несколько уменьшиться. После этого высокочастотный пробник надо слабо связать с резонатором 1L8 и, вращая подстроечный конденсатор 1С15 в сторону уменьшения емкости, найти ближайший максимум напряжения, соответствующий частоте 144,2 МГц. Затем на эту же частоту последовательно перестраиваются следующие два контура.
Теперь можно перейти к настройке двух последних каскадов передающего тракта. Перед этим во избежание выхода из строя транзистора 1Т1 выход передающего тракта надо подключить к нагрузке, соответствующей волновому сопротивлению фидера. Такую нагрузку можно изготовить самостоятельно, соединив параллельно несколько двухваттных резисторов типа МЛТ. Это могут быть, например, четыре резистора по 300 Ом, если предполагается использовать фидер с волновым сопротивлением 75 Ом, или шесть резисторов по 300 Ом, если сопротивление фидера 50 Ом. Схема нагрузки показана на рис. 28.

рис. 28
Нагрузка снабжена диодным детектором, позволяющим контролировать выходную мощность передатчика.
Нагрузочные резисторы и детектор помещаются в небольшую металлическую коробочку, снабженную высокочастотным разъемом. Резисторы R1—R4 располагаются в виде звезды относительно разъема и должны иметь минимальную длину выводов. Если детектор снабдить собственным стрелочным индикатором, то мы получим автономный прибор — простейший измеритель мощности. При этом желательно ввести переключатель, изменяющий сопротивление резистора R5, а следовательно, и предел измерения мощности.
После того как нагрузка подключена к выходу передающего тракта и подано напряжение питания на последние два каскада, приступают к настройке контура 1L4 1С6. Настройка производится по максимуму коллекторного тока транзистора 1Т1. Перед этим транзистор 1Т1 надо максимально связать с нагрузкой, т. е. конденсатор 1С1 установить на максимум, а конденсатор 1С2 — на минимум. Коллекторный ток транзистора 1Т1 может достигать 500 мА и более. Если напряжение возбуждения недостаточно, то полезно еще раз подстроить все предварительные каскады, а также несколько уменьшить емкости конденсаторов 1С5 и 1С7. Настройка выходной цепи производится по максимуму показаний индикатора мощности. При этом надо учесть, что чем больше емкость конденсатора 1С2, тем слабее связь с нагрузкой. При слабой связи и максимальном уровне возбуждения возможен переход транзистора в сильно перенапряженный режим, при котором возникает опасность выхода транзистора из строя. Поэтому таких режимов следует избегать.
Далее >> (Настройка трансвертера 432/21 МГц)