Что-то не так?
Пожалуйста, отключите Adblock.
Портал QRZ.RU существует только за счет рекламы, поэтому мы были бы Вам благодарны если Вы внесете сайт в список исключений. Мы стараемся размещать только релевантную рекламу, которая будет интересна не только рекламодателям, но и нашим читателям. Отключив Adblock, вы поможете не только нам, но и себе. Спасибо.
Как добавить наш сайт в исключения AdBlockРеклама
Антенны и антенные усилители
Антенны и антенные усилители
СодержаниеЭффективность антенны однозначно связана с ее геометрическими размерами. По этой причине антенна — это единственное устройство, входящее в состав радиостанции, которого не коснулся процесс миниатюризации радиоаппаратуры.
Изготовление и установка антенны — достаточно сложное и трудоемкое дело, тем более, что при этом приходится решать вопросы прочности и жесткости механических конструкций. Тем не менее повышение эффективности антенны — это единственный, не имеющий ограничений путь увеличения энергетического потенциала радиостанции.
Любую антенну можно представить в виде эквивалентной площадки, стоящей на пути распространения радиоволн. Чем больше ее площадь, тем больше коэффициент усиления антенны:
где G — усиление антенны по отношению к изотропному излучателю; S — эквивалентная площадь, м2.
С точки зрения энергетики неважно, какую форму будет иметь эквивалентная площадка: будет ли она круглая, квадратная или будет иметь форму вытянутого прямоугольника. В любом случае при равной площади будет равный коэффициент усиления. Другое дело — диаграмма направленности; на нее форма эквивалентной площадки оказывает самое непосредственное влияние. Так, ширина главного лепестка диаграммы направленности может быть связана с линейными размерами площадки следующим приближенным выражением:
Эта же формула, переписанная в другом виде, позволяет по известной диаграмме направленности оценить размеры эквивалентной площадки:
Пусть, например, испытания антенны диапазона 432 МГц показали, что ширина диаграммы направленности равна 25° в горизонтальной плоскости и 20° в вертикальной плоскости. Легко определить, что эквивалентная площадка будет иметь размер 1,4 м по горизонтали и 1,75 м по вертикали.
Такие оценки очень удобны, если предполагается увеличивать коэффициент усиления за счет соединения нескольких антенн в антенную решетку. Так, для рассмотренного примера расстояние между соседними этажами решетки должно равняться 1,75 м, а между соседними рядами — 1,4 м. При меньших расстояниях эквивалентные площадки будут взаимно перекрываться и общий коэффициент усиления будет меньше суммы коэффициентов усиления всех антенн. При больших расстояниях появятся зазоры между отдельными площадками. В результате общее усиление возрастать не будет, зато будут неоправданно увеличиваться габариты антенны. При этом в главном лепестке диаграммы направленности появляются провалы, разбивающие его на несколько составляющих. И хотя наличие таких провалов иногда может принести пользу (например, если необходима отстроиться от помехи, азимут которой мало отличается от азимута корреспондента), в большинстве случаев подобная диаграмма направленности затрудняет работу в эфире.
Возвращаясь еще раз к вопросу об усилении антенны, надо отметить, что в общем случае коэффициент усиления является произведением коэффициента направленного действия и коэффициента полезного действия антенны:
Это значит, что недостаточно сделать антенну большой площади, надо еще суметь всю энергию, падающую на данную площадь, с минимальными потерями доставить к потребителю данной энергии, т. е. ко входу приемника. (Здесь и в дальнейшем будем использовать справедливый для антенн “принцип взаимности”, который указывает на эквивалентность параметров антенны в режиме приема и передачи. Скажем, диаграмма направленности или к.п.д. не зависят от того, используется антенна для приема или передачи. Это позволяет каждый раз выбирать наиболее удобный для рассуждений режим работы антенны.)
Излучение электромагнитной энергии связано с протеканием высокочастотного тока, поэтому потери в самой антенне определяются омическими потерями в металлических элементах. Большое влияние на коэффициент полезного действия антенно-фидерного тракта оказывают потери в кабельных линиях, которые надо обязательно учитывать при оценке энергетического потенциала радиостанции. При этом полезно помнить, что антенно-фидерный тракт используется как для приема, так и для передачи и, следовательно, потери в фидере дважды войдут в окончательный результат,
В таблице приведены краткие сведения о некоторых высокочастотных кабелях, которые находят применение в радиолюбительской практике. Из таблицы видно, что с ростом частоты потери в фидере быстро возрастают. Так, например, 20-метровый отрезок кабеля типа РК-75-4-11 (старое название РК-1) ослабляет проходящий по нему сигнал на частоте 144 МГц в 2,1 раза (3,2 дБ), на частоте 432 МГц — в 3,4 раза (5,4 дБ), а на частоте 1296 МГц — в 13 раз (11,2 дБ). Видно, что на высокочастотных диапазонах потери возрастают до недопустимых значений. К тому же здесь приведены данные для случая, когда отсутствуют отражения на концах линии, т. е. для случая работы на согласованную нагрузку. Если же сопротивление нагрузки отличается от волнового сопротивления кабеля, то часть энергии отражается от конца кабеля и движется в обратном направлении. Эта отраженная часть энергии может возвратиться в нагрузку только после того, как она пройдет двойной путь от нагрузки к генератору и обратно от генератора к нагрузке. Если потери в фидере малы, то такие многократные переотражения вполне допустимы.
Такой режим “настроенного фидера”, в частности, применяется в некоторых типах многодиапазонных KB антенн. На УКВ, где потери в фидере резко возрастают, можно считать, что отраженная от нагрузки часть энергии практически полностью пропадает. Дело обстоит, однако, не столь плохо, как это может показаться на первый взгляд. Для того, чтобы оценить потери на рассогласование, запишем к.с.в. как функцию коэффициента отражения:
к.с.в.= (1+Г)/(1—Г); здесь Г — коэффициент отражения;
Г = Uотр / U =(Pотр / Pпад)1/2 отсюда легко получить выражение для расчета величины потерь:
L, % = (Pотр / Pпад),% =(( к.с.в.-1)/( к.с.в.+1))2 *100.
| Марка кабеля | Число жил и их диаметр, мм | Внутренний диаметр оплетки, мм | Диаметр по оболочке, мм | Диэлектрик и коэффициент укорочения, А | Погонное затухание, дБ/м | Масса, г/м | ||
| 144 МГц | 432 МГц | 1296 МГц | ||||||
| Волновое сопротивление 50 Ом | ||||||||
|
РК50-2-11 |
1x0,67 |
2,2 |
4,0 |
Полиэтилен, k = 1,52 |
0,25 |
0,45 |
— |
21,4 |
|
РК50-7-11 |
7x0,76 |
7,2 |
10,3 |
Полиэтилен, k = 1,52 |
0,13 |
0,23 |
0,45 |
134 |
|
РК50-7-22 |
7x0,83 |
7,3 |
9,0 |
фторопласт, k =1,42 |
0,08 |
0,18 |
0,35 |
200 |
|
|
||||||||
|
Волновое сопротивление 75 Ом | ||||||||
|
РК75-4-11 |
1x0,72 |
4,6 |
7,3 |
0,16 |
0,27 |
0,56 |
63 |
|
|
РК75-7-11 |
1x1,13 |
7,2 |
9,5 |
0,1 |
0,2 |
0,42 |
104 |
|
|
РК75-7-12 |
7x0,4 |
7,2 |
10,3 |
Полиэтилен, k=1,52 |
0,11 |
0,22 |
0,45 |
116 |
|
РК75-9-12 |
1x1,35 |
9,0 |
12,2 |
0,08 |
0,16 |
0,32 |
189 |
|
|
РК75-9-13 |
1x1,35 |
9,0 |
12,2 |
0,08 |
0,16 |
0,32 |
172 |
|
|
РК75-13-11 |
1x1,95 |
13,0 |
16,6 |
0,04 |
0,08 |
0,17 |
303 |
|
|
РК75-9-11 |
1x2,24 |
9,0 |
12,2 |
Полиэтилен + воздух |
0,04 |
0,08 |
0,16 |
— |

рис. 32
Это выражение в графическом виде показано на рис. 32. Видно, что даже при к.с.в. = 3 потери достигают всего 25%. Если же потери в самом фидере не очень велики, то за счет частичного возврата отраженной энергии потерн на отражение будут еще меньше. Так, для случая потерь в фидере 2 дБ потери на отражения при к.с.в. = 3 уменьшается с 25 до 20%. Видно, что нет смысла стремиться к к.с.в. = 1,1 или даже 1,01, как это дается в описании некоторых радиолюбительских антенн. Так, при к.с.в.= 1,5 потери на отражение даже в худшем случае составят всего 4%. Отсюда же следует, что без особых потерь можно питать антенну со входным сопротивлением 50 Ом с помощью коаксиального кабеля с волновым сопротивлением 75 Ом, так как при этом к.с.в. будет равняться 1<,5.
Рассмотрим теперь особенности, присущие антенно-фидерной системе в режиме приема. В этом режиме существенную роль начинают играть шумовые свойства антенны. По этой причине для приемной антенны часто вводят понятие шумовой температуры. Если, например, шумовая температура антенны равна 200°К, то это значит, что антенна генерирует такие же шумы, какие генерировало бы активное сопротивление, нагретое до температуры 200° К. Шумы-антенны складываются из внешних и внутренних. Внешние шумы — это тог источник помех, который принципиально ограничивает возможности приема слабых сигналов. При антенне, направленной на горизонт, это прежде всего тепловые шумы земной поверхности, различного рода индустриальные помехи, а также шумы космического происхождения. Внутренние шумы определяются наличием потерь в антенне и фидере. Как и всякое активное сопротивление, сопротивление потерь генерирует тепловой шум. По этой причине чувствительность приемника ухудшается не только за счет того, что происходит затухание полученного полезного сигнала в фидере, а также за счет того, что фидер генерирует дополнительные шумы. Оба эти фактора учтены в простой формуле для аттенюатора, нагретого до температуры окружающей среды. Коэффициент шума приемника с учетом потерь в фидере равен:
Fобщ = LFпр
где Fобщ - результирующий коэффициент шума; L — ослабление в фидере или в любом другом пассивном четырехполюснике; Fпр — собственный коэффициент шума приемника.
Таким образом, зная коэффициент шума приемника и рассчитав с помощью таблицы затухание в фидере, можно легко определить результирующий коэффициент шума приемника со стороны зажимов антенны. Можно также решить обратную задачу, т. е., измерив коэффициент шума с фидером и без фидера, определить потери в кабеле. Это более надежный путь, так как в силу различных причин реальные потери в кабеле могут значительно отличаться от табличных.
Видно, что потери в фидере оказывают существенное влияние на потенциальные возможности радиостанции. В результате могут быть сведены на нет усилия, затраченные на изготовление большой и сложной антенны. И если в режиме передачи еще можно как-то компенсировать потери в фидере за счет увеличения мощности, то в режиме приема потери носят необратимый характер. Разрешить данную проблему помогают антенные предусилители, расположенные в непосредственной близости от антенны.
Вопрос о необходимости применения такого усилителя надо решать в каждом конкретном случае, сравнивая внешние шумы антенны и внутренние шумы приемника. Для того, чтобы обеспечивать нормальный режим работы входной цеди приемника, вместо антенны надо подключать резистор, сопротивление которого равно волновому сопротивлению фидера. Если даже в самые благоприятные ночные часы шумы антенны заметно (в 2 раза и более) превышает шумы резистора, применять антенный усилитель не следует. Более того, лишний каскад усиления сделает приемник более уязвимым по отношению к помехам от близких радиостанций.
Для того, чтобы подключать предусилитель в режиме приема, нужно иметь два высокочастотных реле или одно реле и отдельный фидер, соединяющий выход предусилителя со входом приемника.
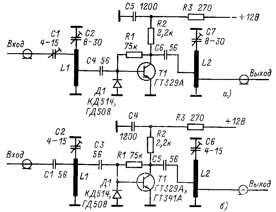
(рис. 33 - щелкните мышью для получения большого изображения)
Схемы антенных предусилителей можно позаимствовать из схем трансвертеров соответствующих диапазонов. Для примера на рис. 33, а показана схема антенного усилителя для диапазона 144 МГц, а на рис. 33, б — для диапазона 432 МГц. Методика настройки предусилителей не отличается от методики настройки соответствующих каскадов трансвертеров.
В случае, если антенные реле не обеспечивают достаточной развязки, возникает задача защиты предусилителя от сигнала передатчика. В качестве одной из мер защиты в базовую цепь транзисторов включены диоды Д1. При настройке надо обязательно проверить, не ухудшает ли подключение защитного диода коэффициент шума предусилителя. Проблемы защиты полностью отпадают, если в качестве предусилителя использовать мощный многоэмиттерный транзистор КТ610 или КТ911.
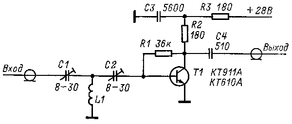
(рис. 34 - щелкните мышью для получения большого изображения)
Схема такого предусилителя, предназначенного для диапазона 144 МГц, показана на рис. 34. Катушка L1 содержит два витка посеребренного провода диаметром 1,0 мм. Диаметр оправки—10 мм. Настройку усилителя надо начинать с установки режима транзистора по постоянному току. Подбором резистора R1 надо добиться, чтобы коллекторный ток транзистора составил 15—25 мА. Далее предусилитель через отрезок кабеля нужней длины надо подключить ко входу приемника и настроить с помощью конденсаторов СУ, С2 на наилучшее значение коэффициента шума.
Предусилитель имеет следующие характеристики: коэффициент усиления около 20 дБ, коэффициент шума 1,5—1,8. Для предотвращения выхода из строя последующих каскадов усиления желательно в режиме передачи снимать напряжение питания с транзистора Т1, а еще лучше соединять провод питания предусилителя с землей.
Рассмотрим теперь некоторые практические конструкции антенн. На протяжении многих лет наибольшей популярностью среди радиолюбителей пользуются антенны типа “волновой канал”, которые также известны под названием “директорные антенны” и “антенны Уда-Яги”. Эти антенны, относящиеся к. классу антенн с осевым излучением, имеют наилучшее отношение усиления к массе и к тому же очень просты по конструкции.
Основной недостаток, ограничивший применение таких антенн в промышленных системах связи, — это узкополосность. Однако для радиолюбителей - этот недостаток не играет большой роли, так как ширина отведенных для радиолюбительских связей диапазонов также невелика.
В последнее время были предприняты многочисленные попытки усовершенствовать антенну “волновой канал” с целью увеличить ее коэффициент усиления. Так, в качестве активного элемента использовался отрезок логопериодической антенны (антенна типа “Swan”) или использовались более сложные пассивные элементы, состоящие, например, из четырех полуволновых вибраторов (многочисленные типы антенн, выпускаемых западными странами для приема телевидения на дециметровых волнах). Однако все эти ухищрения не дают существенного выигрыша, так как в конечном счете коэффициент усиления любой антенны с осевым излучением определяется ее длиной. Применение же более сложных вибраторов эквивалентно использованию нескольких обычных антенн “волновой канал”, находящихся на очень маленьком расстоянии друг от друга. Как уже указывалось, это эквивалентно почти полному взаимному перекрытию эквивалентных площадок, а следовательно, получаемый выигрыш также невелик.
Из усовершенствованных антенн “волновой канал”, пожалуй, наибольший интерес представляют антенны типа “Quagi”. Название составлено из двух английских слов “Quad” и “Yagi” и указывает на то, что антенна является гибридом антенны типа “квадрат” и типа “Яги”. Собственно, от “квадрата” взяты только активный элемент и рефлекторная рамка, а все директоры такие же, как и в антенне “волновой канал”. Питание антенны осуществляется кабелем с волновым сопротивлением 50 Ом. Кабель присоединяется непосредственно в разрыв активной рамки без какого-либо согласующего устройства. По мнению автора антенны, радиолюбителя K6YNB, дополнительные потери в симметрирующем устройстве часто превышают выигрыш от симметрирования питающей линии. Внешний вид антенны показан на рис. 35.
(рис. 35 - щелкните мышью для получения большого изображения)
Рефлекторная рамка имеет периметр 2200 мм (711 мм), а активная — 2083 мм (676 мм). Здесь и далее в скобках указаны размеры для диапазона 432 МГц. Обе рамки изготовлены из медного провода диаметром 2,5—3 мм и закреплены на несущей траверсе с помощью полосок из органического стекла. Несущая траверса имеет длину 420 см (140 см) и изготовлена из деревянного, лучше соснового, бруска сечением 2,5 x 8 см (1,2 x 5 см). Для облегчения конструкции высоту бруска можно уменьшить к концам антенны. Директоры изготовлены из алюминиевой или медной проволоки диаметром 3 мм.
Выходное сопротивление антенны 50 Ом, однако без больших потерь ее можно питать кабелем с волновым сопротивлением 75 Ом. При использовании нескольких антенн расстояние между соседними этажами и рядами должно составлять 3,35 м (1,09 м).
(рис. 36 - щелкните мышью для получения большого изображения)
Аналогичную конструкцию имеет более эффективная “Quagb"-антенна, предназначенная для диапазона 432 МГц. Несущая траверса изготовлена из деревянного бруска длиной 370 см и сечением 2,5x5 см. Высота бруска плавно уменьшается к концам до 1,5 см. Длина рефлекторной рамки 711 мм, а активной — 676 мм. Обе рамки изготовлены из медной проволоки диаметром 2,5 мм. Директоры изготовлены из проволоки диаметром 3 мм. Остальные размеры показаны на рис. 36. Антенна питается коаксиальным кабелем с волновым сопротивлением 50 Ом без симметрирующего устройства. В принципе эту антенну можно использовать для диапазона 1296 МГц, при этом диаметр проволоки и все остальные размеры следует уменьшить в 3 раза.
Из антенн, специально предназначенных для диапазона 1296 МГц, представляет интерес антенна, предложенная английским ультракоротковолновиком G3JVL. Антенна представляет собой “волновой канал” с кольцевыми вибраторами, своего рода разновидность многоэлементной рамочной антенны. Антенна содержит 28 элементов, включая дополнительный рефлектор из алюминиевой сетки и 27 кольцевых вибраторов. Основной рефлектор и все директоры изготовлены из алюминиевых полосок шириной 4,8 мм и толщиной 0,7 мм. На концах полосок просверлены отверстия под винт МЗ. Расстояние между центрами отверстий равно 246мм для рефлектора, 210 мм для первых 11 директоров и 203 мм для остальных директоров. Затем полоски свернуты в кольцо и привинчены к несущей дюралюминиевой трубке диаметром 12—15 мм. Расстояния между элементами показаны на рис. 37.
(рис. 37 - щелкните мышью для получения большого изображения)
Размеры дополнительного рефлектора показаны на рис. 38, а.
(рис. 38 щелкните мышью для получения большого изображения)
Конструкция активного элемента показана на рис. 38, б. В отличие от остальных элементов активная рамка изготовлена из медной полоски. Периметр рамки 235 мм. Рамка крепится к несущей трубке с помощью болта с резьбой Мб. Тонкий кабель с фторопластовой изоляцией пропущен через отверстие просверленное по оси болта. В середине полоски, из которой изготовлена активная рамка, также просверлено отверстие для кабеля. Рамка крепится к головке болта с помощью пайки. Оплетка кабеля также припаяна к головке болта. Тонкий кабель, имеющий повышенное затухание, должен быть по возможности короче. Он заканчивается высокочастотным разъемом, к которому подключается основной фидер. Возможен вариант, при котором более толстый кабель пропущен не через крепежный болт, а через отверстие, просверленное в несущей трубке позади активной рамки. При этом необходимо также обеспечить контакт оплетки кабеля с основанием рамки.
В приведенных описаниях антенн намеренно не указаны данные о коэффициенте усиления. Дело в том, что точное измерение усиления антенны достаточно трудное дело, требующее специальных условий. В результате в радиолюбительской литературе часто появляются различные данные. Так, кажется, несколько завышенной цифра, приведенная автором описанной выше антенны для диапазона 1296 МГц — 20 дБ. Более реально выглядят данные, приведенные для антенны типа “Quagi”, — 12 дБ для 8-элементной антенны и id ДЬ для 15-элементной антенны.
Далее >> (Заключение, Список литературы)





