Что-то не так?
Пожалуйста, отключите Adblock.
Портал QRZ.RU существует только за счет рекламы, поэтому мы были бы Вам благодарны если Вы внесете сайт в список исключений. Мы стараемся размещать только релевантную рекламу, которая будет интересна не только рекламодателям, но и нашим читателям. Отключив Adblock, вы поможете не только нам, но и себе. Спасибо.
Как добавить наш сайт в исключения AdBlockРеклама
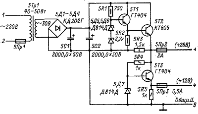
Принципиальная схема блока питания и межблочных соединений
Принципиальная схема блока питания и межблочных соединений
Содержание(рис. 13 - щелкните мышью для получения большого изображения)
Схема блока питания показана на рис. 13. Переменное напряжение около 30 В поступает на мостовой выпрямитель 5Д1—5Д4 с обмотки силового трансформатора 5Тр1. На выходе выпрямителя имеются сглаживающие конденсаторы 5С1, 5С2. С конденсаторов постоянное напряжение около +40В поступает на последовательный стабилизатор напряжения, выполненный на составном эмиттерном повторителе 5Т7,5Т2. Напряжение на входе повторителя определяется цепочкой из двух стабилитронов 5Д5, 5Д6. Для защиты от перегрузки стабилизатор снабжен плавким предохранителем 5Пр2.Выходное напряжение стабилизатора + 28В подается далее еще на одну ступень стабилизации, предназначенную для питания маломощных каскадов приемного тракта радиостанции напряжением + 12 В. Эта ступень содержит эмиттерный повторитель — транзистор 5Т3 и параметрический стабилизатор в цепи базы — стабилитрон 5Д7. Для предотвращения перегрузки также имеется предохранитель 5Пр3. Несмотря на свою простоту, оба стабилизатора обеспечивают достаточное постоянство питающих напряжений.
(рис. 14 - щелкните мышью для получения большого изображения)
Схема межблочных соединений показана на рис. 14. Основная коммутация при переходе с диапазона на диапазон осуществляется с помощью переключатели В1. На схеме данный переключатель показан в положении “1296 МГц”. При этом контактные группы В1.1—В1.4 обеспечивают последовательное соединение блоков 3, 1 и 4. Переключение цепей питания осуществляется контактными группами B1.5 и В1.6. В положении “1296 МГц” питание +28 В поступает на трансвертер 1296/144 МГц, а также через цепочку Д1, Д2 на трансвертер 144/21 МГц. Стабилитрон Д2 служит для снижения напряжения питания передающего тракта 144 МГц, так как для возбуждения трансвертера 1296/144 МГц требуется пониженный уровень мощности. Питание +12В поступает на трансвертер 1296/144 МГц непосредственно, а на трансвертер 144/21 МГц через диод Д4. В положении переключателя B1 “144 МГц” диоды Д1 и Д4 запираются и питание поступает только на трансвертер 144/21 МГц.
Переключатель В2 предназначен для перехода из автономного режима в режим работы совместно с коротковолновым SSB трансивером. Сформированный SSB сигнал поступает с предоконечного каскада KB трансивера на гнездо Гн5. Требуемая мощность возбуждения не превосходит 1—3 мВт. Точная подстройка уровня возбуждения осуществляется переменным резистором R8. В автономном режиме уровень возбуждения регулируется резистором R1 Для регулировки усиления приемника служит потенциометр R2.
Стабилизация напряжения питания варикапа, входящего в блок 4, осуществлена с помощью стабилитрона ДЗ. Потенциометр R5 служит для настройки трансивера диапазона 21 МГц, а переменный резистор R3 — для расстройки частоты приема относительно частоты передачи. Гнезда Гн6 и Гн7 являются соответственно высокоомным и низкоомным выходами усилителя низкой частоты. Для переключения радиостанции из режима приема в режим передачи служит реле PL Реле управляется с помощью кнопки или педали В4, подключаемой к гнездам Ш1. При замыкании кнопки В4 реле Р1 срабатывает и через контакты Р1/1 на соответствующий трансвертер подается напряжение +28 В. Контакты Р1/2 служат для переключения цепей расстройки, а контакты Р1/3 — для управления антенными реле Р2—Р4.
Далее >> (Общие вопросы конструирования)

