Что-то не так?
Пожалуйста, отключите Adblock.
Портал QRZ.RU существует только за счет рекламы, поэтому мы были бы Вам благодарны если Вы внесете сайт в список исключений. Мы стараемся размещать только релевантную рекламу, которая будет интересна не только рекламодателям, но и нашим читателям. Отключив Adblock, вы поможете не только нам, но и себе. Спасибо.
Как добавить наш сайт в исключения AdBlockРеклама
Application notes
В этом документе рассматриваются следующие вопросы:
- корректность подключения к выходам цифроаналогового преобразователя;
- ограничения на нагрузку выходов ЦАПа;
- требования к источнику питания;
- фактическая точность цифроаналогового преобразователя.
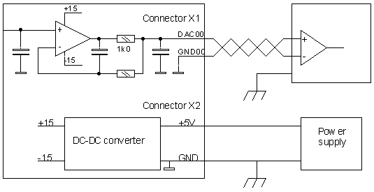
Устрой ство CANDAC16 представляет из себя 16-канальный 16-разрядный двухполярный цифроаналоговый преобразователь. Ниже приводится условная схема устройства, которая облегчит понимание правильности включения устройства.

Из приведенной схемы следует, что все выходы цифроаналогового преобразователя
буферированы специальной схемой, которая обеспечивает следующее:
- обеспечивает нулевое выходное сопротивление для нагрузки;
- защищает выходы цифроаналогового преобразователя от короткого замыкания (ограничивает выходной ток);
- защищает выходы буферных каскадов от выхода из строя при случайном попадании на них внешнего напряжения (не очень большого);
- подавляет высокочастотные наводки, приходящие по сигнальной трассе, которые могут детектироваться буферным каскадом и, соответственно, искажать выходное напряжение;
- предоставляет парные выходы для дифференциального съема выходного напряжения.

Выходное напряжение с цифроаналогового преобразователя рекомендуется принимать
дифференциальным способом, например инструментальным усилителем. В этом случае
разница "земляных" потенциалов различных устройств не приведет к смещению
уровня сигнала. Если в системе уровень помех высок или длина трассы велика,
то будет полезным передавать сигнал по витой паре. Соединение с "землей"
установки блока CANDAC16 должно производиться на отрицательном проводе от источника
питания (либо от разъема источника питания, либо от разъема X2 блока CANDAC16).
В параметрах прибора оговаривается минимальное сопротивление нагрузки- 10 Ком. В определенных условиях оно может быть и меньше. В справочных данных на операционный усилитель оговаривается, что при больших выходных токах (5-10 мА) выходное напряжение ниже напряжения питания на 3 В. при минимальном напряжении питания блока (4,75 В) внутренний преобразователь напряжения вместо 15 В выдаст только 14 В. в этом случае операционный усилитель может выдать на выходе только 11 В. Чтобы обеспечить напряжение на нагрузке 10 В, на токоограничивающем резисторе (1 Ком) должно падать не более 1 В. Это соответствует току в нагрузке 1 мА и, соответственно, сопротивлению нагрузки 10 Ком.
Однако, если диапазон требуемых напряжений составляет, скажем, 8 В, то на токоограничивающем резисторе уже может упасть 3 В, что соответствует току 3 мА и сопротивлению нагрузки менее 3 Ком. Здесь ограничением является токоограничивающий резистор, который не позволит снять ток более 12 мА.
Существует и еще одно ограничение. Если с каждого выхода потреблять повышенный ток, то их сумма превысит лимит потребления преобразователя напряжения (DC-DC converter), поэтому не рекомендуется превышать 50 мА, как сумму выходных токов всех каналов.
В предыдущих рассуждениях упоминалось минимальное напряжение питания блока (4,75 В). Типичная ошибка потребителя- установка источника питания без фактического контроля напряжения, попадающего на блок. Если на блок подается напряжение 4,5 В (а иногда и меньше), то с точки зрения пользователя он может выглядеть вполне работоспособным, но с нелинейностью на краях выходного диапазона. Рекомендуется контролировать напряжение питания либо непосредственно на контактах разъема X2, либо на самом блоке (на выводах единственного корпусного электролитического конденсатора).
Что касается точностных параметров прибора, то все они определяются параметрами двух микросхем: микросхемы цифроаналогового преобразователя и микросхемы опорного источника. Формально в параметрах прибора оговаривается цифра 0,05% (500 ppm). От микросхемы опорного источника в параметры входит только дрейф выходного напряжения. Для примененной микросхемы производитель гарантирует величину не более ±3 ppm/C. Для диапазона температур среды 30 градусов, например, полный дрейф источника опорного напряжения может внести ошибку 100 ppm. Дрейф шкалы и "нуля" для микросхемы ЦАПа приводится только при использовании внутреннего опорного источника. Для случая внешнего опорного источника таких данных не приводятся. При температурных испытаниях нескольких десятков блоков было установлено, что для всех блоков дрейф выходного напряжения укладывается в величину 0,05%. Примерно для 20% блоков эта величина в 3-4 раза ниже.
Что касается разрешения, то для использованной микросхемы производитель гарантирует в коммерческом диапазоне температур монотонность, интегральную и дифференциальную нелинейность не хуже 4-х квантов. То есть, в самых худших условиях мы имеем для двухполярного включения ±13 бит, что соответствует примерно 0,01%.
В принципе, блок CANDAC16 имеет скрытый резерв. Перемычками на плате можно
установить однополярную выходную шкалу, которой вполне достаточно для многих
приложений. Это позволит повысить и разрешение и точность в 2 раза. При изменении
версии (однополярный - биполярный выход) блок требуется подстраивать, поэтому
пользователю запрещается изменять состояние этих перемычек.
|
|
|