LAB599.RU — интернет-магазин средств связи
EN FR DE CN JP
QRZ.RU > Технические справочники > Справочники по микросхемам и п/п приборам > Циколевка микросхем. Справочник по микросхемам серий 176, 561, 1561

Циколевка микросхем. Справочник по микросхемам серий 176, 561, 1561

 

Предыдущая страница
Первая страница
Начало
Следующая страница
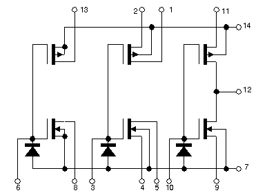
Справочник по низкочастотным цифровым КМОП микросхемам

ЛН2(4069), ПУ7, ПУ8 

ПУ4(4050)

ПУ2(4009), ПУ3(4010)

ЛН1(14502)

ЛА7(4011), ЛЕ5(4001), ЛИ2(4081), ЛП2(4030), ЛП14(4070), ТЛ1(4093)

ЛА9(4023), ЛЕ10(4025)

ЛА8(4012), ЛЕ6(4002)

ЛА10(40107)

ЛП4(4000)

ПУ6(40109)

ЛИ1

ЛН3

ЛП11, ЛП12

ЛП13

ПУ1

ПУ5

ПУ9
 

ЛП1 (4007)
   


 
 

Партнеры