Что-то не так?
Пожалуйста, отключите Adblock.
Портал QRZ.RU существует только за счет рекламы, поэтому мы были бы Вам благодарны если Вы внесете сайт в список исключений. Мы стараемся размещать только релевантную рекламу, которая будет интересна не только рекламодателям, но и нашим читателям. Отключив Adblock, вы поможете не только нам, но и себе. Спасибо.
Как добавить наш сайт в исключения AdBlock
QRZ.RU > Технические справочники > Справочники по микросхемам и п/п приборам > Справочник по полупроводниковым диодам > Справочник по полупроводниковым диодам
Реклама
Справочник по полупроводниковым диодам
|
|
|
|
|
|
|
|
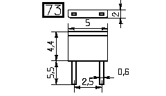
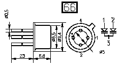
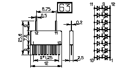
КЦ410 |
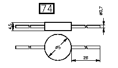
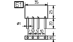
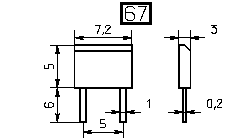
КДС627 |
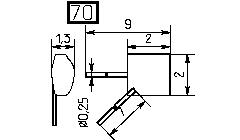
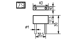
КДС628 |
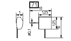
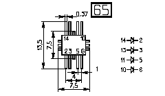
КД629-С, КД704АС, 2Д706С-9, 2Д707С-9, 2Д803С-9 |
2ДС807 |
2В118 |
КД248, КД250, 2Д253, 2В113 |
КВ101 |
КВС120 |
2В112, 2В114-1 |
КВ116, КВ140-1 |
2Д802, КД901, КД904 |
КВ131, КВ135 |
2С101 |
2С107, 2С113, 2С119, 2С190Б-Т, КС190С-Ф, 2С433А, 2С439А, 2С447А, 2С456А, 2С468А, 2С482А, 2С510А, 2С512А, 2С515А, 2С518А, 2С522А, 2С524А, 2С527А, 2С530А, 2С536А, 2С551А, 2С591А, 2С600А, Д818 |
КС162А, КС168В, КС170А, КС182А, КС191А, КС210Б, КС211И, КС212В, КС213Б, КС533А |
2С175Ж,Ц, 2С182Ж,Ц, 2С191Ж,Ц, 2С210Ж,Ц, 2С211Ж,Ц, 2С212Ж,Ц, 2С213Ж, 2С215Ж, 2С218Ж, 2С220Ж, 2С222Ж, 2С224Ж, КС405А, КС406А, КС407А-Д, КС409А, КС412А, КС413Б, КС508А-Д, КВ146, КС162А-2, КС168В-2, КС175А-2, КС182А-2, КС191А-2, КС210Б-2, КС213Б-2, КС506А |
2Д118-1 |
КЦ105 |
КЦ109 |
|
|
|
|
|
|
|
|