Что-то не так?
Пожалуйста, отключите Adblock.
Портал QRZ.RU существует только за счет рекламы, поэтому мы были бы Вам благодарны если Вы внесете сайт в список исключений. Мы стараемся размещать только релевантную рекламу, которая будет интересна не только рекламодателям, но и нашим читателям. Отключив Adblock, вы поможете не только нам, но и себе. Спасибо.
Как добавить наш сайт в исключения AdBlock
QRZ.RU > Технические справочники > Справочники по микросхемам и п/п приборам > Цоколевка ТТЛ ИС (простая логика) - справочник по микросхемам ТТЛ серий
Реклама
Цоколевка ТТЛ ИС (простая логика) - справочник по микросхемам ТТЛ серий
|
|
|
|
|
|
|
|
![]() ЛН1(04), ЛН2(05), ЛН3(06), ЛН4(07), ЛН5(16), ЛН7(1004), ЛН10(1005), ЛП9(07), ЛП16(1034), ЛП17(1035), ТЛ2(14) |
![]() ЛН6(366), ЛП10(365) |
![]() ЛЛ11(367), ЛН8(368), ЛП11(367) |
![]() ЛА3(00), ЛА9(03), ЛА11(26), ЛА12(37), ЛА13(38), ЛА15(б/а), ЛА21(1000), ЛА23(1003), ЛИ1(08), ЛИ2(09), ЛИ8(1008), ЛЛ1(32), ЛЛ4(1032), ЛП5(86), ТЛ3(132) |
![]() ЛП8(125) |
![]() ЛА8(01), ЛЕ1(02), ЛЕ5(28), ЛЕ6(128), ЛЕ10(1002), ЛЕ11(33) |
![]() ЛА4(10, ЛА10(12), ЛА24(1010), ЛЕ4(27), ЛИ3(11), ЛИ4(15) |
![]() ЛА1(20), ЛА6(40), ЛА7(22), ЛА16(140), ЛА22(1020), ЛИ6(21), ТЛ1(13) |
![]() ЛЕ3(25) |
![]() ЛЕ2(23) |
![]() ЛЕ7(260) |
![]() ЛА2(30) |
![]() ЛА19(134) |
![]() ЛР1(50) |
![]() ЛР3(53, 53Н). У микросхемы 53 вывод 6 свободен. |
![]() ЛР4(55). У микросхемы LS55 выводы 5 и 9 свободны. |
![]() ЛР9(64), ЛР10(65) |
![]() ЛР11(51). У микросхем 51, 51Н выводы 11 и 12 свободны. |
![]() ЛР13(LS54) |
![]() ЛД1(60) |
![]() ЛА20(804), ЛЕ8(805), ЛИ7(808), ЛЛ3(832) |
![]() ЛП13(266) |
![]() ЛА17(б/а) |
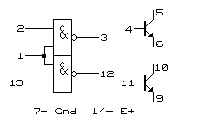
![]() ЛА18(75452), ЛЛ2(75453) |
![]() ЛИ5(75451) |
![]() 533ЛП3(б/а) |
![]() 1533ЛП3(б/а) |
![]() ЛП7(75450) |
|
|
|
|
|
|
|
|



























