Что-то не так?
Пожалуйста, отключите Adblock.
Портал QRZ.RU существует только за счет рекламы, поэтому мы были бы Вам благодарны если Вы внесете сайт в список исключений. Мы стараемся размещать только релевантную рекламу, которая будет интересна не только рекламодателям, но и нашим читателям. Отключив Adblock, вы поможете не только нам, но и себе. Спасибо.
Как добавить наш сайт в исключения AdBlock
QRZ.RU > Технические справочники > Справочник по отечественным микросхемам. > Параметры интегральных микросхем 174 серии > К174ХА36А, К174ХА36Б - AM-радиоприемник
Реклама
К174ХА36А, К174ХА36Б - AM-радиоприемник
| К174ХА36А, К174ХА36Б АМ радиоприемник |
|
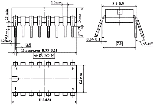
| DIP16, 2103.16-9 |
Основные электрические параметры при температуре 25°C и диапазоне напряжений питания для К174ХА36А от 2 В до 9 В, для К174ХА36Б от 2 В до 3.3 В
| Параметр | Норма | |||
|---|---|---|---|---|
| К174ХА36А | К174ХА36Б | |||
| не менее | не более | не менее | не более | |
| Выходное напряжение детектора, мВ | 100 | - | 100 | - |
| Ток потребления покоя, мА | - | 10.0 | - | 8 |
| Ток потребления при предельно допустимом напряжении входного сигнала, мА | - | 20 | - | 16 |
| Ток индикатора настройки, мА (без подачи входного напряжения) | 0.4 | 2.4 | 0.4 | - |
| Ток индикатора настройки, мкА (при входном напряжении 200 мВ) | - | 10 | - | 10 |
| Коэффициент усиления УЗЧ | 3 | 7 | 3 | 7 |
| Отношение сигнал-шум на выходе УЗЧ, dВ (на частоте 1 мГц, на частоте 27.5 мГц) | 20 | - | - | - |
| Действие автоматической регулировки усиления (изменение напряжения на выходе УЗЧ), dB | минус 6 | 6 | минус 6 | 6 |
| Коэффициент гармоник, % (при входном напряжении 10 мВ) | - | 3 | - | 3 |
| Коэффициент гармоник, % (при входном напряжении 200 мВ) | - | 10 | - | - |
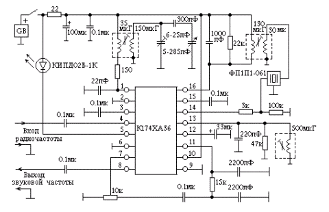
Типовая схема включения для диапазона средних волн

| Номер вывода | Назначение вывода |
| 1 | Контур гетеродина |
| 2 | Общий вывод |
| 3 | Вход усилителя радиочастоты 1 |
| 4 | Вход усилителя радиочастоты 2 |
| 5 | Индикатор настройки |
| 6 | Вход предварительного усилителя звуковой частоты инвертирующий |
| 7 | Вход предварительного усилителя звуковой частоты не инвертирующий |
| 8 | Выход предварительного усилителя звуковой частоты |
| 9 | Общий вывод предварительного усилителя звуковой частоты |
| 10 | Питание +Ucc |
| 11 | Выход детектора |
| 12 | Фильтрующий конденсатор автоматической регулировки усиления |
| 13 | Преддетекторный LC-контур |
| 14 | Вход усилителя промежуточной частоты |
| 15 | Блокировочный конденсатор усилителя промежуточной частоты |
| 16 | Выход смесителя |
Габаритный чертеж

| Навигатор: QRZ.RU > Радиолюбительская справочники > Справочник по отечественным микросхемам |