LAB599.RU — интернет-магазин средств связи
EN FR DE CN JP
QRZ.RU > Технические справочники > Справочник по радиолампам > Зарубежные радиолампы > Справочник по зарубежным радиолампам. Серия 3x (3 - 3V4)

Справочник по зарубежным радиолампам. Серия 3x (3 - 3V4)

Зарубежные радиолампы - 3

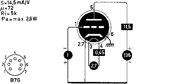
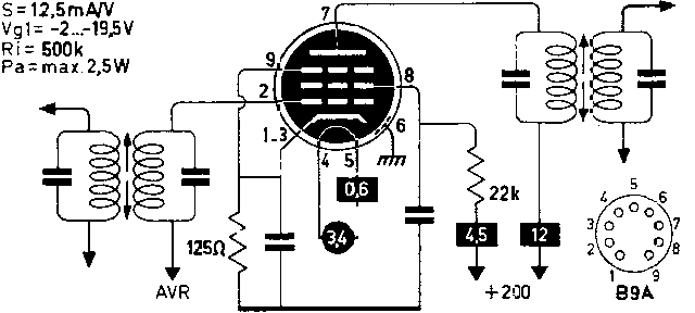
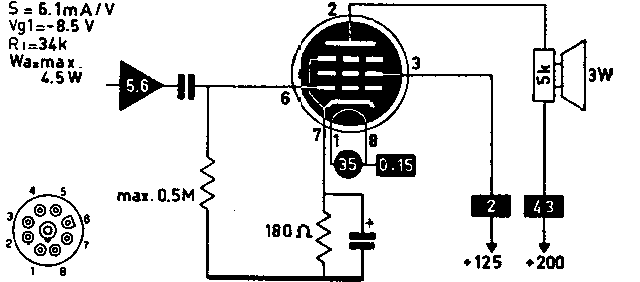
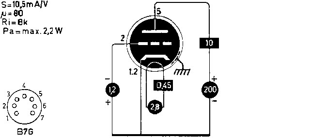
3  [3]             30  [3]            30C15  [4]         30C17  [4]         30C18  [4]         30C1  [4]          30F5  [4]          30FL12  [4]        30FL14  [4]        30FL1  [4]         30L15  [4]         30L17  [4]         30L1  [4]          30P12  [4]         30P16  [4]         30P18  [4]         30P19  [4]         30P4MR  [4]        30PL13  [4]        30PL14  [4]        30PL15  [4]        30PL1  [4]         30X  [3]           31  [3]            32  [3]            328  [3]           32ET5  [1]         32L7  [1]          33  [3]            34  [3]            34GD5  [1]         35  [3]            35A5  [1]          35B5  [1]          35C5  [1]          35DZ8  [1]         35EH5  [1]         35GL6  [1]         35L6  [1]          35W4  [1]          35Y4  [1]          35Z3  [1]          35Z4  [1]          35Z5  [1]          35Z6  [1]          36  [3]            367  [1]           36AM3  [1]         37  [3]            373  [3]           38  [3]            39  [3]            3A2  [1]           3A3  [1]           3A4  [1]           3A5  [1]           3AL5  [1]          3AU6  [1]          3AV6  [1]          3B2  [1]           3BA6  [1]          3BC5  [1]          3BE6  [1]          3BN4  [1]          3BY6  [1]          3BZ6  [1]          3CB6  [1]          3CE5  [1]          3CF6  [1]          3CS6  [1]          3CY5  [1]          3D6  [1]           3DG4  [1]          3DK6  [1]          3DT6  [1]          3DZ4  [1]          3E5  [1]           3E6  [1]           3EA5  [1]          3EH7  [1]          3EJ7  [1]          3ER5  [1]          3FH5  [1]          3GK5  [1]          3HA5  [1]          3HM5  [1]          3JC6  [1]          3JD6  [1]          3LF4  [1]          3Q4  [1]           3Q5  [1]           3S4  [1]           3V4  [1]          
 

Партнеры