LAB599.RU — интернет-магазин средств связи
EN FR DE CN JP
QRZ.RU > Технические справочники > Справочник по радиолампам > Зарубежные радиолампы > Справочник по зарубежным радиолампам. Серия 4x (4 - 4JD6)

Справочник по зарубежным радиолампам. Серия 4x (4 - 4JD6)

Зарубежные радиолампы - 4

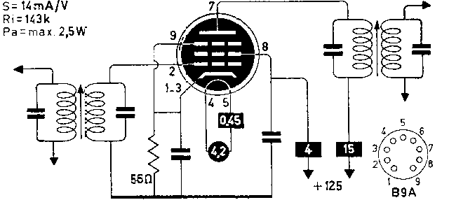
4  [3]             40  [3]            41  [3]            42  [3]            43  [3]            4357  [3]          4376  [3]          4377  [3]          44  [3]            45  [3]            451  [3]           45Z3  [1]          46  [3]            4641  [3]          4646  [3]          4654  [1]          4673  [3]          4682  [3]          4683  [3]          4684  [3]          4687  [3]          4688  [3]          4689  [3]          4694  [3]          4699  [1][3]       46A1  [3]          46B1  [3]          47  [3]            48  [3]            485  [3]           49  [3]            4AU6  [1]          4AV6  [1]          4BC5  [1]          4BC8  [1]          4BL8  [1]          4BQ7A  [1]         4BS8  [1]          4BZ6  [1]          4BZ7  [1]          4CB6  [1]          4CS6  [1]          4CY5  [1]          4DE6  [1]          4DT6  [1]          4EH7  [1]          4ES8  [1]          4EW6  [1]          4GZ5  [1]          4HM6  [1]          4HT6  [1]          4JC6  [1]          4JD6  [1]         
 

Партнеры