Что-то не так?
Пожалуйста, отключите Adblock.
Портал QRZ.RU существует только за счет рекламы, поэтому мы были бы Вам благодарны если Вы внесете сайт в список исключений.
Мы стараемся размещать только релевантную рекламу, которая будет интересна не только рекламодателям, но и нашим читателям. Отключив Adblock, вы поможете не только нам, но и себе. Спасибо.
Как добавить наш сайт в исключения AdBlock
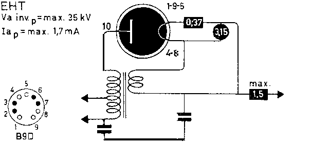
Справочник по зарубежным радиолампам. Серия Gxx (GR4 - GZ34)
Зарубежные радиолампы - G
GR4 [1] GU1 [1] GU5 [1] GY501 [1] GZ32 [1] GZ34 [1]