Что-то не так?
Пожалуйста, отключите Adblock.
Портал QRZ.RU существует только за счет рекламы, поэтому мы были бы Вам благодарны если Вы внесете сайт в список исключений. Мы стараемся размещать только релевантную рекламу, которая будет интересна не только рекламодателям, но и нашим читателям. Отключив Adblock, вы поможете не только нам, но и себе. Спасибо.
Как добавить наш сайт в исключения AdBlockРеклама
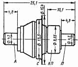
Лампа ГС-11
ГС-11Р, ГС-11
|
Генераторный триод для
генерирования и усиления колебаний
сантиметрового и дециметрового
диапазонов волн. Оформление - титанокерамическое, с плоскопараллельной системой электродов. Масса 5 г. |
|
|
|
Основные параметры | |
| Ток накала | 270
(+20; -15) (292,5 ± 17,5 для ГС-11) А |
| Напряжение в рабочей точке отрицательное | 0,75 ± 0,45 В |
| Крутизна характеристики | ³ 9 мА/В |
| Коэффициент усиления | 122,5 ± 42,5 |
| Полезная мощность (при Uа=150 В, l=14,5 см) | ³ 0,1 Вт |
| Междуэлектродные емкости, пФ: | |
| входная | 2,8 ± 0,7 |
| выходная | £ 0,015 |
| проходная | 1,3 ± 0,3 |
| Долговечность | ³ 2000 ч |
| Критерий долговечности: полезная мощность | ³ 0,08 Вт |
|
Предельные эксплуатационные данные |
|
| Напряжение накала | 6 - 6,6 В |
| Напряжение анода | 175 кВ |
| Напряжение сетки | - 30 В |
| Мощность, рассеиваемая анодом | 1,5 Вт |
| Мощность, рассеиваемая сеткой | 0,1 Вт |
| Ток катода | 10 мА |
| Ток сетки | 4 мА |
| Длина волны | 7 - 100 см |
| Температура оболочки | 200 С |
| Устойчивость к внешним воздействиям окружающей среды: | |
| интервал рабочих температур | от -60 до +100 С |
| линейные нагрузки с ускорением | до 100 g |
| виброустойчивость, в диапазоне частот 5 - 2500 Гц с ускорением | до 30 g |
| относительная влажность при температуре 40 С | 95 - 98 % |
Назад
