Что-то не так?
Пожалуйста, отключите Adblock.
Портал QRZ.RU существует только за счет рекламы, поэтому мы были бы Вам благодарны если Вы внесете сайт в список исключений. Мы стараемся размещать только релевантную рекламу, которая будет интересна не только рекламодателям, но и нашим читателям. Отключив Adblock, вы поможете не только нам, но и себе. Спасибо.
Как добавить наш сайт в исключения AdBlockРеклама
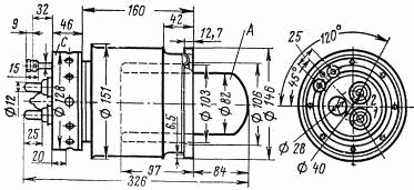
Лампа ГИ-4
ГИ-4А
|
Мощный импульсный
генераторный триод для усиления
высокочастотных колебаний в
импульсных генераторах, в схемах с
общей сеткой, при импульсной анодной
модуляции на частотах до 150 МГц и
длительности импульса до 1000 мкс. Оформление - металлостеклянное. Рабочее положение - вертикальное, стеклянным баллоном вверх. Охлаждение - принудительное: анода - водяное не менее 60 л/мин, вывода сетки - водяное не менее 3 л/мин, ножки - воздушное не менее 40 м3/ч, баллона - воздушное не менее 40 м3/ч. Масса 5 кг. |
|
|
|
Основные параметры | |
| Ток накала | 215 ± 10 А |
| Ток эмиссии катода в импульсе (при Uа=Uс=4 кВ) | ³ 220 А |
| Напряжение анода в импульсе | ³ 35 кВ |
| Крутизна характеристики | 38 ± 8 мА/В |
| Коэффициент усиления | 40 ± 7 |
| Сопротивление ненакаленного катода | 0,005 Ом |
| Выходная
мощность в импульсе (на частоте 150 МГц, при Uа=30 кВ, tимп=1000 мкс) | ³ 1200 кВт |
| Междуэлектродные емкости, пФ: | |
| входная | £ 45 |
| выходная | £ 35 |
| проходная | £ 1 |
| Долговечность | ³ 1000 ч |
|
Предельные эксплуатационные данные |
|
| Напряжение накала | 10 В |
| Напряжение анода в импульсе | 35 кВ |
| Ток накала пусковой | 320 А |
| Мощность, рассеиваемая анодом | 20 кВт |
| Мощность, рассеиваемая сеткой | 800 Вт |
| Длительность импульса | 1000 мкс |
| Рабочая частота | 150 МГц |
| Температура баллона и мест спая металла со стеклом | 150 С |
| Интервал рабочих температур окружающей среды | от 0 до +70 С |
Назад