LAB599.RU — интернет-магазин средств связи
EN FR DE CN JP

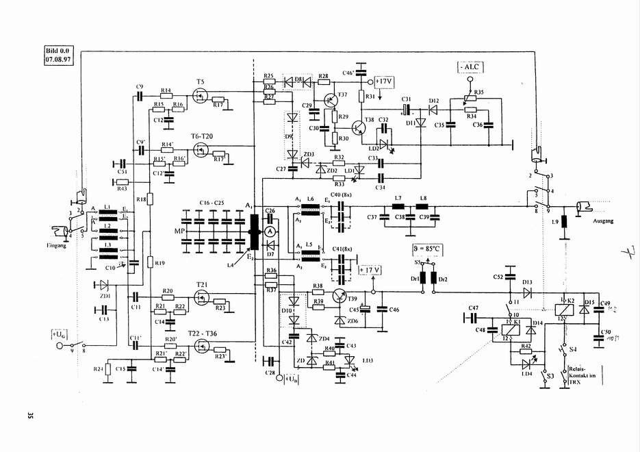
Усилитель мощности 1 кВт на транзисторах


OK1FAQ

Моя конструкция КВ усилителя мощности на мощных полевых транзисторах V-MOS от DL9AH

http://ok1dub.sweb.cz




IMPEDANCE TRANSFORMER 9/1 (50 Ohm to 5.4 Ohm)
Frequency band 1.5 to 30 MHz

Material:
Ferrite bar 9 cm long, diameter 10 mm, 3 pieces
Teflon coaxial cable with outer diameter 2 mm, 55 to 60 cm long, 9 pieces

On every bar reel 3 pieces of coaxial cable and endings connect together parallely (central wires together, braids together). On input impedance 50 Ohm side connect endings series (central wires of top bar is 50 Ohm input, braid of top bar connect to central wire of middle bar, braid of middle bar connect to central wire of bottom bar and braid of bottom bar is ground).

On other side of bars is impedance 5.4 Ohm and therefore connect both all braids together and all central wires together. Connected central wires is first output and connected braids is second output. Outputs 1 and 2 are equivalent.

Партнеры