Что-то не так?
Пожалуйста, отключите Adblock.
Портал QRZ.RU существует только за счет рекламы, поэтому мы были бы Вам благодарны если Вы внесете сайт в список исключений. Мы стараемся размещать только релевантную рекламу, которая будет интересна не только рекламодателям, но и нашим читателям. Отключив Adblock, вы поможете не только нам, но и себе. Спасибо.
Как добавить наш сайт в исключения AdBlockРеклама
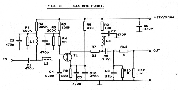
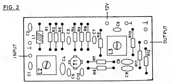
Малошумящий антенный усилитель 144 МГц на транзисторе BF981
Малошумящий антенный усилитель 144 МГц на транзисторе BF981
Усилитель собран на дешевом транзисторе BF981 фирмы PHILIPS с уровнем шума 1 дб, коэфициент усиления 23 дб. Вы можете использовать двухзатворные МОП транзисторы на основе арсенида галлия с еще более низким уровнем шума. Но это не оправдано по стоимости при применении на наземных линиях связи. Усилитель собран на печатной плате из двухстороннего стеклотекстолита размером 25x50 мм. Большая часть металлизации с обоих сторон сохраняется. Используется печатный монтаж. Внешние кабельные соединения построены на BNC коннекторах.
Внешний вид усилителя
Настройка усилителя: При включении неоходимо измерить потребляемый ток. Он должен составлять
порядка 20 ма. Катушки L2,L3 настраивают по максимуму сигнала, или по наименьшему уровню шума.
|



