Что-то не так?
Пожалуйста, отключите Adblock.
Портал QRZ.RU существует только за счет рекламы, поэтому мы были бы Вам благодарны если Вы внесете сайт в список исключений. Мы стараемся размещать только релевантную рекламу, которая будет интересна не только рекламодателям, но и нашим читателям. Отключив Adblock, вы поможете не только нам, но и себе. Спасибо.
Как добавить наш сайт в исключения AdBlockРеклама
Комбинированный линейный усилитель мощности любительской КВ-радиостанции ";РА-2000";
Комбинированный линейный усилитель мощности любительской КВ-радиостанции "РА-2000"
Этот усилитель – ровесник независимости наших новых постсоветских государств. Творческий подъём того периода удачно воплотился в весьма оригинальную, а главное надёжную и устойчивую конструкцию, что даёт все основания надеяться и на наше с вами подобное будущее, ведь у радиолюбителей придумывать и созидать всегда получается лучше, чем у политиков. Проблема создания коротковолнового линейного усилителя мощности, обладающего большим усилением и малым уровнем комбинационных составляющих, при выходной мощности сотни ватт, волновала радиолюбителей на протяжении многих лет, чему подтверждение многочисленные публикации разных авторов в различных отечественных и зарубежных изданиях. Девяностые годы прошлого столетия открыли перед нами целый мир высококачественной импортной связной техники, с приходом которой конструкторская мысль наших коллег значительно сократилась и теперь большинство мечтает лишь о необходимой сумме, чтобы приобрести готовую “ фирму”, не испытывая при этом мук творчества и не создавая себе проблем с поиском схем и комплектующих. Усилитель был задуман и осуществлён в период такого “ перелома” и, как показала практика многолетней эксплуатации, выбранная концепция, техническое решение и отечественная элементная база полностью себя оправдали. Сложности с патентированием не позволили заявить свое авторство, однако простая публикация схемы не уменьшает её значения для развития практического радиолюбительства, улучшения параметров связной передающей аппаратуры. Автор искренне рад возможности поделиться своей идеей со всеми, в ком ещё жив дух истинного радиолюбительства. Основные электрические параметры в режиме SSB:
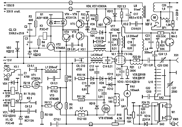
Описание принципиальной схемы.Схему усилителя (рис.1) условно можно разделить на две части: нижнюю – усилительную и верхнюю – вспомогательную, включающую элементы питания и защиты. Главная особенность схемы – отсутствие промежуточных контуров и согласующих трансформаторов, а также большой коэффициент усиления по мощности, позволяющий раскачивать усилитель практически с любого QRPP трансивера или трансвертера. Рис.1. Принципиальная схема усилителя (щелкните мышью дл увеличения) Сигнальный тракт усилителя состоит из многозвенного комбинированного транзисторно-лампового каскада с гальваническими связями на элементах VT1, VT3, VT8, VL1 включённых по схеме, соответственно, общий сток - общий эмиттер - общий затвор - общая сетка. Первое звено собрано на транзисторах VT1, VT3. Входное сопротивление усилителя определяется величиной резистора R1 в затворе транзистора VT1, который задаёт ток базы транзистора VT3, являющегося генератором тока для включённых с ним в каскод транзистора VT8 и лампы VL1. Коэффициент усиления по мощности первого звена составляет около пятидесяти и определяется крутизной характеристики транзистора VT1, параметрами и рабочей точкой транзистора VT3. Большая широкополосность звена достигается малой величиной коллекторной нагрузки VT3, которой является исток VT8, а высокая линейность – токовым режимом его базы и наличием резистора отрицательной обратной связи R7 в эмиттере. Второе звено собрано на транзисторе VT8 и лампе VL1. Его коэффициент усиления по мощности составляет около двадцати, а большая широкополосность и высокая линейность обеспечиваются схемой включения и режимом работы активных элементов. Коэффициент усиления по мощности всего усилителя равен произведению коэффициентов усиления его звеньев. Антипаразитные цепочки L2R12, L5R17, L7R22 обеспечивают устойчивость усилителя и отсутствие самовозбуждения из-за некачественного монтажа или плохой развязки. Нагрузкой лампы VL1 является выходной П-контур на элементах C25, L10, C27, подавляющий высшие гармоники сигнала и согласующий высокое выходное сопротивление лампы с низким волновым сопротивлением антенного фидера, подключаемого к выходному разъему XW3. Смена диапазонов осуществляется переключателем SA2 путем изменения количества витков катушки L10, при этом неработающая часть витков закорачивается. Встроенный КСВ-метр W1, в зависимости от положения переключателя SA3, позволяет производить точную настройку усилителя по максимальному току в антенне и контролировать величину “отраженки”. Электродвигатель М1 вращает воздушный вентилятор, охлаждающий выходную лампу, а термоконтакт SF1, закорачивающий резистор R27 служит для увеличения интенсивности вращения. Усилитель имеет пять ступеней защиты. Первая, на транзисторе VT4 предотвращает перегрузку по входному сигналу. Вторая, на транзисторах VT5, VT7 – перегрузку по току экранной сетки VL1 и антидинатронному эффекту. Третья и четвертая, на транзисторе VT6, соответственно, от внутриламповых прострелов и пробоя VT8. Исполнительными элементами защиты являются оптоэлектронный ключ U1, транзистор VT2 и реле K3. Пятая ступень защищает лампу VL1 от перегрева с помощью термоконтакта SF1. Питание анода лампы VL1 осуществляется от источника напряжения +1550 ? 1600 В, обеспечивающего нагрузочный ток до 0,8 А при просадке не более 100 В и ёмкости конденсаторов фильтра не менее 300 мкФ. Экранная сетка лампы питается от источника напряжения +350 В через однотранзисторный стабилизатор на КТ854A ( BUT11A) с включёнными в базу двумя соединёнными последовательно стабилитронами КС650А и КС680А, установленными на общем с транзистором радиаторе площадью не менее 100 см2 через слюдяные прокладки (на схеме не показано). В авторском варианте анодное напряжение +1550 В создаётся последовательным включением двух источников с общей ёмкостью конденсаторов фильтра 400 мкФ. Напряжение +1200 В сглаживается двумя параллельно соединенными цепочками, состоящими из четырёх соединённых последовательно конденсаторов K50-3Ф 1000 мкФ ? 300 В, зашунтированных резисторами МЛТ–2 300 кОм, общей ёмкостью 500 мкФ. Напряжение +350 В сглаживается конденсаторами 200 мкФ ? 350 В, включёнными десять штук в параллель, общей ёмкостью 2000 мкФ. Источники зашунтированы неэлектролитическими “бумажными” конденсаторами, соответственно, 4 мкФ ? 1500 В и 20 мкФ ? 400 В. Минус источника 350 В соединён с корпусом, а плюс с коллектором транзистора стабилизатора напряжения экранной сетки и минусом источника 1200 В, с плюса которого снимается суммарное напряжение +1550 В. Диаметр провода обмоток силового трансформатора для обоих напряжений одинаков, его сердечник состоит из четырёх сложенных вместе сердечников трансформаторов ТС-180. Основная часть схемы блока питания усилителя приведена в [1], он подключается к сети через симметричный однозвенный помехозащитный фильтр. Сетевой переключатель питания обеспечивает режимы: “ ВЫКЛ”, “ ВКЛ” (при этом напряжение питания подаётся на силовой трансформатор через ограничивающий резистор 100 Ом), “ 230” ... “ 190” с шагом 10 вольт. Питание низковольтных цепей схемы осуществляется от напряжения накала выходной лампы через двухполупериодный выпрямитель с удвоением напряжения на диодах VD3, VD4 и конденсаторах C2, C3 на выходе которого создаются напряжения +18 В и +36 В. Первое из них подаётся на затвор транзистора VT8 и задаёт коллекторное напряжение транзистора VT3, второе подаётся на управляющую сетку VL1 и задаёт стоковое напряжение транзистора VT8. Работа схемы.В режиме передачи CW напряжение +12 В на реле K2 не подаётся, контакты К2.1 замыкают стабилитрон VD5 и смещение на затворе транзистора VT1 отсутствует, через него протекает небольшой начальный ток и падение напряжения на резисторе R5 недостаточно для открывания транзистора VT3, он заперт, удерживая запертыми также транзистор VT8 и лампу VL1. Усилитель находится в классе C. В режиме передачи SSB напряжение +12 В с трансивера или педали управления подаётся на реле К2. Контакты К2.1 размыкают стабилитрон VD5 и на нём появляется положительное опорное напряжение смещения, поступающее через резисторы R1, R2 на затвор транзистора VT1, отпирая его. Возникающее при этом на резисторе R5 падение напряжения открывает транзистор VT3 на заданную величину тока, который начинает протекать также через транзистор VT8 и лампу VL1. Усилитель переходит в класс AB. Напряжение, падающее на резисторе R7 через резисторы R9, R18 и переключатель SA1 “ток анода-антенны” подаётся на измерительный прибор PA1 для контроля тока лампы. Высокочастотный сигнал с разъёма XW1 через контакты K1.1 реле переключения входов K1, разделительный конденсатор C1 и антипаразитный резистор R2 поступает на затвор транзистора VT1. С его истока усиленный по току сигнал через линеаризирующий резистор R6 подаётся на базу транзистора VT3 – основного усилителя тока, изменения которого (эффективное значение) регистрируются прибором PA1. Проходящий через VT3 высокочастотный ток создаёт на переходе исток-затвор транзистора VT8 сигнал, который усиливается по напряжению и со стока подаётся на катод выходной лампы VL1, усиливающей сигнал по мощности до окончательного уровня. Выделенный на дросселе L9 высокочастотный сигнал через разделительный конденсатор C21, согласующий П-контур C25, L10, C27, КСВ-метр W1 поступает на выходной разъём XW3, а через ограничительный конденсатор C24 – на индикаторную неоновую лампу HL1. При увеличении входного сигнала выше допустимого уровня или пробое транзистора VT3 через усилитель начинает протекать большой ток, создающий на резисторе R7 падение напряжения, открывающее транзистор VT4 и приводящее к срабатыванию тиристорной оптопары U1 в его коллекторе. В результате, база транзистора VT2 замыкается на землю, а его эмиттерное напряжение, питающее VT1, становится равным нолю. Реле K3 срабатывает, отключая контактами K3.1 напряжение +36 В от управляющей сетки VL1, а контактами K3.2 напряжение +330 В от экранирующей сетки, при этом обе сетки через резисторы R19 и R21 оказываются соединёнными с корпусом. Через замкнувшиеся контакты K3.2 и резистор R26 напряжение +330 В подаётся на неоновую лампу HL1, служащую также для индикации срабатывания защиты. При обрыве фидера или антенны, пропадании контакта в выходном разъёме лампа VL1 оказывается ненагруженной и переходит в перенапряжённый режим при котором резко возрастает ток экранирующей сетки, что может привести к её перегреву, деформации и полному выходу лампы из строя. Аварийный ток экранирующей сетки (более 150 мА) вызывает на резисторе R20 падение напряжения, открывающее транзистор VT7, ток коллектора которого через цепочку стабилитронов VD6, VD7 и резистор R14 открывает транзистор VT5, нагруженный оптопарой U1, которая срабатывает и включает защиту, как описано выше. Конденсатор C17 предотвращает срабатывание защиты от кратковременных перегрузок на пиках SSB сигнала. Иногда в недостаточно оттренированных или не совсем качественных лампах ГУ-74Б при работе возникают прострелы не вредящие самой лампе, но могущие привести к пробою управляющего транзистора VT8. Очень кратковременные и маломощные из них ограничиваются по амплитуде на катоде лампы стабилитронами VD8, VD9 и не влияют на работу схемы. Более мощные прострелы создают на резисторе R10 падение напряжения, открывающее транзистор VT6, что приводит к срабатыванию оптопары U1 и включению защиты. В случае пробоя транзистора VT8 катодное напряжение через диод VD10 и стабилитрон VD8 открывает транзистор VT6, что также приводит к включению защиты. Повторный запуск усилителя производится выключением блока питания на время около полминуты, необходимое для разряда конденсаторов C2, C3 и обдумывания оператором своих действий, после чего усилитель можно включать снова. В режиме длительной передачи нагрев лампы увеличивается и температура выходящего из вентилятора воздушного потока повышается. При превышении значения +60°С биметаллический термоконтакт SF1, установленный в потоке, замыкается и закорачивает ограничительный резистор R27, повышая напряжение на обмотках електродвигателя, увеличивая его обороты и усиливая охлаждение. При снижении температуры потока термоконтакт автоматически выключается. Конструкция и детали.Несмотря на кажущуюся сложность схемы и нагромождение элементов, усилитель весьма прост и доступен в повторении радиолюбителями даже средней квалификации. В нём использовано всего 8 транзисторов, 14 диодов, 27 конденсаторов и столько-же резисторов. Построение усилителя значительно облегчается для тех радиолюбителей, которые уже имеет готовый PA на ГУ-74Б, собранный по иной схеме, ведь исключается самое сложное и трудоёмкое – механические работы и компоновка. Усилитель размещается в кожухе от прибора Г6-2А размерами 405?230?270 мм и смонтирован на шасси из плоской дюралевой (силуминовой) плиты толщиной 15...18 мм, прикрепленной к нижней части передней панели, являющейся механической основой конструкции, а также теплоотводом для транзисторов VT1, VT3, VT8. В другом таком–же кожухе находится блок питания. На передней панели размещаются переключатель диапазонов SA2, ручки управления конденсаторами C25 “ настройка контура” и C27 “ настройка антенны”, индикаторная лампа HL1, переключатель SA1 “ ток анода–антенны” и регулятор чувствительности КСВ–метра R23. Все элементы, устанавливаемые в схему, должны быть качественными и тщательно проверенными. Постоянные резисторы – типа МЛТ, ВС. Нельзя использовать импортные резисторы с эффектом FUS , которые обрываются при превышении номинального тока. Постоянные неэлектролитические конденсаторы – слюдяные или керамические, типа КСО, КТ, КЛС, КМ. Выводы накальной обмотки ~13 В силового трансформатора блока питания не должны соединяться с “землёй”. Лампа VL1 расположена горизонтально на высоте 65 мм от шасси и охлаждается центробежным вентилятором от диапроектора “ Свитязь”, металлическая крышка которого заменена на стеклотекстолитовую, а в окно вклеен карболитовый бачок от ручного проявителя пленки диам. 80 мм, с удалённым дном, надеваемый на анод лампы. Вывод анода проходит через небольшое боковое отверстие. Электродвигатель вентилятора заменен на более тихоходный ЭДГ-2, смазанный невысыхающей температуростойкой жидкой смазкой ПМС. Нагретый воздух выходит через отверстие в задней стенке корпуса. Лампа установлена на керамической панельке от 12Ж1Л (2Ж27Л), вмонтированной в вертикально расположенный экранирующий блочок размером 160 ? 120 ? 50 мм закрываемый крышкой и удерживается за кольцо экранирующей сетки фланцем из дюралевой пластины размером 110 ? 150 ? 10 мм, являющимся также дополнительным теплоотводом. Фланец крепится к блочку через проходные изолирующие втулки латунными винтами М3 с лепестками, припаянными изнутри к блокировочным конденсаторам. Для устранения самовозбуждения усилителя на СВЧ, на выводы С1 и С2 ламповой панельки и на вывод затвора транзистора VT8 надеты по два ферритовых кольца М600НН К7 ? 4 ? 2. Внутри блочка навесным монтажом собрана вся маломощная часть схемы с транзисторами VT1, VT3, VT8 вкрученными в резьбовые отверстия шасси. Сзади блочка расположены гнезда XW1, XW2, +12 В “УПР” и +12 В “SSB”, выходящие на заднюю стенку корпуса, на которую выведены также разъём питания, клемма заземления и переключатель SA3 “ прямая–отраженная”. Катушка L10 расположена на высоте 55 мм от шасси и состоит из двух включённых соосно-последовательно частей. Первая, бескаркасная, наружным диаметром 82 мм и длиной намотки 80 мм содержит 6 витков медной посеребряной трубки диам. 8 мм с отводами от 2,0 (28 МГц); 2,5 (24 Мгц); 3,0 (21 МГц); 3,5 (18 МГц) и 4,5 (14 МГц) витков, считая от точки соединения с конденсаторами C21, C25. Вторая, на распорках, наружным диаметром 90 мм и длиной намотки 60 мм содержит 10,5 витков медного посеребряного провода диам. 3 мм с отводами от 1,0 (7 МГц) и 4,5 (3,5 МГц) витков, считая от точки соединения с концом трубки и отводом “ 10 Мгц”. Отводы от трубки к переключателю SA2 сделаны медной посеребряной (лужёной) шиной 0,5 ? 8 мм, от провода – таким же проводом. Располагать отдельные части катушки L10 под разными углами не имеет смысла, так как потери добротности в небольшом объёме кожуха в обоих случаях соизмеримы. Расчет П-контура выполнялся согласно методике, приведенной в [2]. Конденсатор C25 полнооборотный от выходного каскада передатчика радиостанции Р-842 с подключаемой через 180° дополнительной ёмкостью 560 пф ? 2,5 квар снабжен верньером от радиоприёмника Р326 и самодельной шкалой с делениями от 0 до 360°. Конденсатор C27 пятисекционный от радиокомпаса АРК-5 имеет червячный верньер и шкалу с делениями от 0 до 90. Встроенный КСВ-метр W1 [3] изготовлен из отрезка коаксиального кабеля диам. 10 мм с волновым сопротивлением 75 Ом, резистор R23 многооборотный типа СП5-44. Антипаразитные дроссели L2, L5 намотаны на резисторах МЛТ-1 сопротивлением 51 Ом и имеют по пять витков медного посеребряного провода диам. 0,6 мм с шагом 2,5 мм, дроссель L7 намотан проводом ? 1,2 мм на двух сложенных вместе резисторах ВС-2 100 Ом и состоит из пяти витков, равномерно растянутых между выводами. Дроссель L4 намотан на трех сложенных вместе и изолированных фторопластовой лентой ферритовых кольцах М60НН К28 ? 16 ? 6 двумя проводами ПЭВ-2 0,96 в один слой до заполнения. Дроссель L9 намотан на керамическом трубчатом каркасе ? 24 мм длиной 125 мм проводом ПЭВ-2 0,51 виток к витку с прогрессирующим шагом последние 20 мм со стороны анодного конца. Длина провода обмотки не должна совпадать с длинами волн рабочих диапазонов или быть равной их половинам. Все соединительные провода должны иметь хорошую изоляцию, лучше фторопластовую, и соответствующее протекающему току сечение, а идущие к резистору R23, переключателю SA1 и прибору PA1 следует заэкранировать. Транзистор VT8 подбирают с нулевым начальным током стока (выводы затвор-исток замкнуты) при Uс 50 В, это необходимо, чтобы коллекторное напряжение транзистора VT3 не превысило 18 В. Последний проверяют на отсутствие тока коллектора при замкнутых выводах база-эмиттер (не более 1 мкА при U к 24 В). Среди транзисторов серии “ 2П” и “ 2Т” такие параметры встречаются в большинстве случаев. Реле K1 и K2 типа РЭС-49, K3 – РЭС-47, на напряжение срабатывания 12 вольт. Конденсатор C 17 типа К53-14 или аналогичный. От клеммы XS1 “ земля” проложены две шины 0,5 ? 20 мм из луженой меди с которыми соединяются все минусовые точки схемы. Шины не должны иметь резких изгибов и острых углов, особенно тщательно необходимо соединить с одной из них роторы конденсаторов C25 и C27, между которыми не следует подключать другие элементы в связи с прохождением большого контурного тока. Применение указанных на схеме деталей и комплектующих не составит проблемы для запасливого радиолюбителя, однако некоторые из них могут быть с успехом заменены на другие. Так, транзистор КТ934В можно заменить на КТ922В, транзистор КП904Б – на КП904А, транзисторы KT3117А – на KT646А или КТС613 (вместе с VT2), транзистор КТ639Е – на 2SA1013 , диоды VD3, VD4 – на КД213, без ухудшения параметров. Наладка усилителя.Перед подачей на усилитель питающих напряжений необходимо тщательно проверить правильность монтажа (лучше это сделать вдвоем с коллегой), к гнезду XW3 подключить эквивалент нагрузки 75 Ом ? 250 Вт или лампу 220 В ? 500 Вт, переключатель SA2 поставить в положение “ 3,5”, конденсатор C25 – на отметку “ 80” (550 пФ), C27 – на отметку “ 15” (1950 пФ). При наладке усилителя необходимо соблюдать меры предосторожности от поражения електрическим током и замыкания между цепями. Перед каждой пайкой конструкцию необходимо обесточивать, выдерживая время для разряда конденсаторов. Пайка всех транзисторов должна производиться паяльником с заземлённым жалом. Независимо, оттренирована выходная лампа [4] или нет, её тренировку производят непосредственно в схеме. Сначала разрывают цепь напряжения +1500 В, идущую к аноду лампы, катод отключают от схемы и оставляют свободным, базу VT2 замыкают перемычкой на землю. Блок питания включают как описано в [1]. На плюсах конденсаторов C2 и C3 относительно земли должны быть напряжения, соответственно, +18 В и +36 В, на резисторе R27 – переменное напряжение около 90 вольт. Лампу выдерживают под напряжением накала 30 минут. Затем между катодом и землей включают две последовательно соединенных лампы 220 В ? 15 Вт, базу VT2 оставляют замкнутой на землю, анод подключают к цепи +1500 В и лампу выдерживают 15 минут в режиме “ ВКЛ” (прогрев) затем 15 минут в режиме “ 220” (работа). После этого базу VT2 отключают от земли и усилитель снова выдерживают 15 минут в режиме “ ВКЛ” и 15 минут в режиме “ 220”. Теперь вместо двух ламп в катод включают одну лампу 220 В ? 60 Вт и усилитель выдерживают в таком режиме ещё 15 минут. С помощью “ неонки” контролируют отсутствие самовозбуждения на аноде лампы, при появлении которого в катод включают резистор МЛТ-2 5,1 Ом. Если на одном из режимов возникают прострелы, тренировку следует повторить с самого начала. По окончании тренировки прострелов быть не должно, если они происходят – лампу необходимо заменить. Вначале проверяют работу первого звена усилителя и защиту от перегрузки по входному сигналу. Катод VL1 подключают к схеме, цепочку L2R12 выпаивают, коллектор VT3 блокируют на землю конденсатором 6800 пФ и через амперметр подключают к внешнему источнику стабилизированного напряжения +12...15 В на ток до 2 А. В режиме CW, без подачи входного сигнала, напряжение на базе VT3 должно составлять 0,1...0,3 В. Если оно превышает указанное значение, номинал резистора R5 следует уменьшить до 51 Ом или заменить транзистор VT1. В режиме SSB, при подаче напряжения +12 В на реле K2 и отсутствии входного сигнала, амперметр в коллекторе VT3 должен показывать ток покоя 130...150 мА. Меньшее значение тока увеличивает нелинейность усилителя, большее – снижает КПД и усиливает нагрев выходной лампы. Ток покоя задаётся напряжением на стабилитроне VD5 вместо которого, для подбора режима, можно использовать включенные последовательно в прямом направлении несколько кремниевых диодов или любой светодиод, обеспечив их тепловой контакт с шасси. На вход усилителя (гнездо XW1) с базового трансивера, имеющего регулируемый уровень выхода от нуля до десяти вольт, подают минимальный сигнал несущей частотой 3,6 МГц постепенно увеличивая его до значения 1,0 А по амперметру и резистором R18 выставляют стрелку прибора PA1 на конец шкалы. Продолжают плавно увеличивать входной сигнал и при токе около 1,2 А защита должна сработать, о чём сигнализирует загорание неоновой лампы HL1, а напряжение на стоке VT1, управляющей и экранирующей сетках VL1 стаёт равным нулю. Если напряжение на истоке VT8 при отсутствии входного сигнала не превышает напряжения на его затворе, то транзистор подобран верно. Блокировочный конденсатор и амперметр удаляют, цепочку L2R12 впаивают на место. Переключатель SA3 ставят в положение “ прямая”, SA1 в положение “ ток анода” (как на схеме) и проверяют работу усилителя в режиме CW. На гнездо XW1 подают сигнал несущей частотой 3,6 МГц наименьшего уровня, постепенно увеличивая его до значения тока 400 мА по прибору PA1. Переключатель SA1 переводят в положение “ ток антенны” и попеременным вращением ручек конденсаторов C25 и C27 добиваются максимального отклонения стрелки прибора. Для проверки усилителя в режиме SSB подают напряжение +12 В на реле K2, переключатель SA1 ставят в положение “ ток анода” и постепенно увеличивают входной сигнал до тока 400 мА по шкале PA1. При одинаковом токе через лампу уровни входных сигналов в режимах CW и SSB будут различны, что необходимо учитывать при работе с усилителем. Правильность настройки П-контура и согласования его с нагрузкой проверяют следующим образом. Уменьшают входной сигнал до тока лампы 300 мА, при этом наибольшее значение тока в антенне получается если ёмкость конденсатора C27 несколько увеличить, а C25 – уменьшить. На остальных диапазонах усилитель настраивают аналогично, избегая перегрева выходной лампы и соблюдая главное условие настройки – связь с антенной изначально всегда следует делать несколько большей (конденсатор C27 устанавливается на меньшую от необходимой ёмкость), настраивая контур конденсатором C25, и последующим попеременным вращением обоих конденсаторов добиваются максимального тока в антенне. Особенности эксплуатации.Однополосный сигнал с базового трансивера должен быть слегка компрессирован (ограничен), его максимальная пиковая амплитуда не должна превышать уровня телеграфной несущей. В авторском варианте применена компрессия по звуковой частоте на выходе микрофонного усилителя [5], включенная в трансивере UW3DI-1 вместо конденсатора C103. Лампу ГУ-29 удаляют, а выходной сигнал снимают с катодного повторителя, в режим которого переводят лампу Л 9 (6Ж52П или 6Э5П). Для этого её анод через блокировочный конденсатор 4700 пф закорачивают на землю, а левый (по схеме) вывод конденсатора C71 отключают от земли и подключают к выходному разъему [6]. При длительном прослушивании эфира или пребывании в дежурном режиме блок питания усилителя рекомендуется переводить в режим “ ВКЛ”, при котором все напряжения снижаются примерно на 20%, что продлевает срок службы выходной лампы, электродвигателя вентилятора и экономит электроэнергию. Заменив транзистор VT1 на КП907А и увеличив входное напряжение, при достаточном запасе мощности источника питания, выходную мощность усилителя можно поднять до 1 кВт, сохранив все его параметры. Однако делать это следует лишь в исключительных случаях, из-за снижения ресурса выходной лампы и повышенного требования к антенно-фидерной системе, а также из-за возможности возникновения помех бытовой аппаратуре и близкорасположенным любительским радиостанциям с низким динамическим диапазоном приёмного тракта. Антенное реле, в зависимости от условий эксплуатации, может быть выполнено двумя способами: когда базовый трансивер имеет одно общее выходное гнездо или когда используются два отдельных гнезда на передачу и приём. В обоих случаях, один из контактов антенного реле необходимо задействовать в управлении трансивером так, чтобы на передачу он включался только тогда, когда антенна подключена к выходу усилителя или когда вход трансивера отключен от антенны, подключенной к усилителю, и замкнут на землю [7]. При желании в усилитель можно встроить автономный задающий генератор CW или SSB, имеющий собственные органы управления, используя его при работе со связным приёмником, в качестве радиомаяка или для ближнего зондирования ионосферы [8], в профессиональной связи. К разъёму XW2 может быть подключен дополнительный трансивер, если усилитель используется для нескольких рабочих мест. В таком случае коммутация осуществляется подачей напряжения +12 В на реле K1. В полной мере работу усилителя смогут оценить те, кто соберёт и наладит его и чем больше таких будет среди нас, тем чище и уютнее станет на любительских диапазонах, исчезнут всевозможные сплеттеры и “ хвосты”, коллеги по QTH смогут, не мешая друг другу, свободно проводить QSO на одном диапазоне, а к соседям по дому снова вернётся доброе расположение. Вместо лампы ГУ-74Б в подобной схеме может успешно работать и лампа ГУ-43Б, отдавая в два-три раза большую выходную мощность, однако вся проблема состоит в том, что у этой лампы, когда она заперта, напряжение сетка-катод превышает допустимое напряжение сток-затвор транзистора КП904. Тут можно порекомендовать использовать импортные силовые высоковольтные полевые транзисторы в изолированном корпусе типа N-FET , предназначенные для импульсных блоков питания или развёрток, мощностью не менее 100 Вт, прикрепив их непосредственно на шасси с применением теплопроводной пасты. Доподлинно не известно, однако, как поведут они себя на частотах выше 10 МГц, имея значительные переходные ёмкости. Автор выражает искреннюю благодарность Владимиру Андриевскому (UR5NAN) и Александру Шнипору (UT7NK) за помощь в подготовке статьи. Литература:
|
|
