LAB599.RU — интернет-магазин средств связи
EN FR DE CN JP
QRZ.RU > Каталог схем и документации > Схемы наших читателей > Усилители мощности > Пикосекундный широкополосный усилитель постоянного тока

Пикосекундный широкополосный усилитель постоянного тока

Пикосекундный усилитель постоянного тока

Титов Александр Анатольевич
634050, Россия, Томск, пр. Ленина, 46, кв. 28.
Тел. 51-65-05

E-mail: titov_aa (at) rk.tusur.ru

Скачать статью в одном файле (WinWord, ZIP, 37 кб)

Описан пикосекундный усилитель постоянного тока, в котором реализован принцип неискаженного усиления импульсных сигналов многоканальными структурами с частотным разделением каналов.

Технические характеристики усилителя:

  • коэффициент усиления 26 дБ;
  • полоса рабочих частот 0-5,6 ГГц;
  • неравномерность амплитудно-частотной характеристики ± 1,5 дБ;
  • амплитуда выходного напряжения ± 2 В;
  • время нарастания переходной характеристики 70 пс;
  • длительность усиливаемых импульсов не ограничена.

Создание современных радиотехнических систем и устройств связано, в ряде случаев, с необходимостью применения в них усилителей сложных, в частности импульсных, сигналов со спектром, лежащим в полосе частот от нуля либо единиц герц до единиц гигагерц [1].

Построение усилителей с указанной полосой рабочих частот на мощных транзисторах оказывается невозможным ввиду высоких добротностей входных импедансов мощных транзисторов и большой величины «паразитных» параметров пассивных элементов, применяемых при построении усилителей, что приводит к появлению неконтролируемых резонансов внутри полосы пропускания разрабатываемых усилителей и искажению формы их амплитудно-частотной и переходной характеристик [1, 2, 3].

Этого недостатка лишены усилители, построенные на основе многоканальных структур с частотным разделением каналов [3]. Такая реализация позволяет применять канальные усилители, созданные с использованием достоинств схемных решений построения усилителей заданного частотного диапазона.

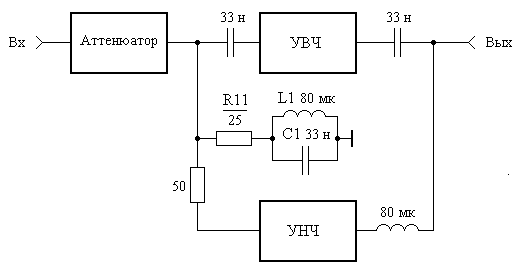
На рис. 1 приведена функциональная схема двухканального варианта пикосекундного усилителя, состоящего из аттенюатора, усилителя верхних частот (УВЧ), усилителя нижних частот (УНЧ), частотно-разделительных цепей.

Рис.1 Функциональная схема пикосекундного усилителя

Рис.1 Функциональная схема пикосекундного усилителя

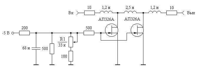
Аттенюатор (рис. 2) реализован на основе двух полевых транзисторов типа АП326А, выходные емкости которых включены в фильтр нижних частот.

Рис.2. Принципиальная схема аттюнеатора

Рис.2. Принципиальная схема аттюнеатора

Регулировка затухания аттенюатора осуществляется с помощью потенциометра R1. Транзисторы аттенюатора используются в режиме с управляемым сопротивлением канала при нулевом смещении исток-сток и подаче управляющего напряжения на затвор [1]. Такое включение позволяет реализовать диапазон регулировки усиления 8 дБ при сохранении коэффициента стоячей волны напряжения по входу не более 1,8.

УВЧ пикосекундного усилителя (рис. 3) состоит из трех идентичных модулей на полевых транзисторах АП602А и выходного каскада на биполярном транзисторе КТ963А, разработанных на основе схемных решений описанных в [1, 2, 4, 5].

Рис.3. УВЧ пикосекундного усилителя (щелкните мышью для получения большого изображения)

Рис.3. УВЧ пикосекундного усилителя (щелкните мышью для получения большого изображения)

Токи покоя транзисторов модулей равны 160 мА. Стабилизация токов покоя осуществляется с помощью схемы активной стоковой термостабилизации на транзисторах КТ361А [6]. В выходном каскаде использована эмиттерная термостабилизация (резистор R4) и его ток покоя выбран равным 120 мА. Режимы работы транзисторов УВЧ устанавливались исходя из обеспечения минимального времени нарастания переходной характеристики. Полоса рабочих частот УВЧ равна 50 кГц – 5,6 ГГц. Выравнивание амплитудно-частотных характеристик модулей осуществляется с помощью цепей отрицательной обратной связи по напряжению (резистор R2) во входных каскадах модулей, использования резистивных нагрузок (резистор R3), включения емкостных составляющих выходных и входных импедансов транзисторов модулей в фильтры нижних частот.

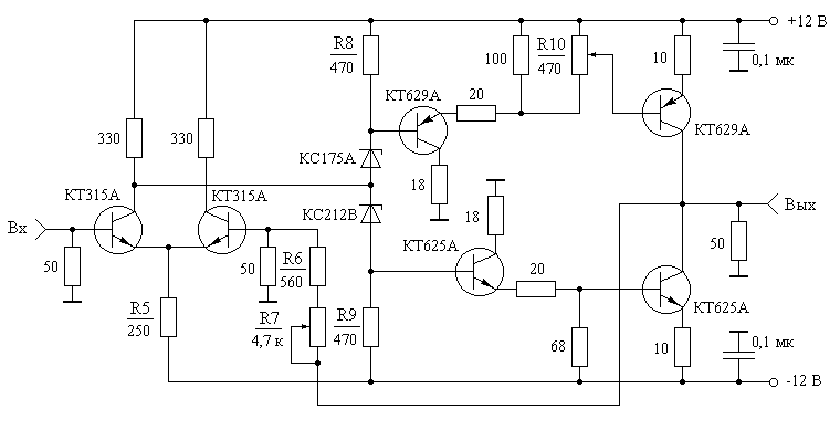
УНЧ пикосекундного усилителя (рис. 4) состоит из дифференциального каскада на транзисторах КТ315А, развязывающих эмиттерных повторителей и двухтактного выходного каскада на транзисторах КТ629А и КТ625А, и разработан на основе схемного решения описанного в [7].

УНЧ пикосекундного усилителя

Рис.4. УНЧ пикосекундного усилителя

Токи покоя транзисторов выходного каскада равны 80 мА, токи покоя остальных транзисторов УНЧ выбраны равными 20 мА. Настройка УНЧ по постоянному току сводится к подбору резисторов R5, R8, R9. Резистор R10 служит для выравнивания токов покоя транзисторов двухтактного каскада. Полоса рабочих частот УНЧ равна 0 – 5 МГц. Для выравнивания коэффициентов усиления высокочастотного и низкочастотного каналов пикосекундного усилителя, уменьшения дрейфа нуля и повышения стабильности работы, УНЧ охвачен общей отрицательной обратной связью (резисторы R6, R7).

Частотно-разделительные цепи пикосекундного усилителя, с частотой стыковки 100 кГц, реализованы на основе схемного решения описанного в [3, 8].

Настройка пикосекундного усилителя заключается в следующем. Вначале производится поэтапная настройка модулей УВЧ, описанная в [2, 5], и настройка УНЧ, описанная в [7]. После выравнивания канальных коэффициентов усиления, на входе и выходе пикосекундного усилителя устанавливаются частотно-разделительные цепи. Варьируя величиной элементов R11, L1, C1 (рис. 1), минимизируются искажения формы импульсной характеристики усилителя, обусловленные использованием частотно-разделительных цепей.

Технические характеристики пикосекундного усилителя постоянного тока: : коэффициент усиления 26 дБ; полоса рабочих частот 0-5,6 ГГц; неравномерность амплитудно-частотной характеристики ± 1,5 дБ; амплитуда выходного напряжения ± 2 В; время нарастания переходной характеристики 70 пс; длительность усиливаемых импульсов не ограничена; выброс переднего фронта импульса не более 10 %; искажения плоской вершины импульса не более 10 %; сопротивление генератора и нагрузки 50 Ом; диапазон регулировки усиления 8 дБ; напряжения источников питания ± 5 В и ± 12 В; потребляемая мощность 10 Вт; габаритные размеры корпуса усилителя 86х80х32 мм.

Литература

  1. Пикосекундная импульсная техника / В.Н. Ильюшенко, Б.И. Авдоченко, В.Ю. Баранов и др.; Под ред. В.Н. Ильюшенко. – М.: Энергоатомиздат, 1993. – 368 с.
  2. Авдоченко Б.И., Ильюшенко В.Н., Гибридно-интегральные импульсные усилители // Приборы и техника эксперимента. – 1990. - № 6. – С. 102 – 104.
  3. Ильюшенко В.Н., Титов А.А. Многоканальные импульсные устройства с частотным разделением каналов // Радиотехника. – 1991. - № 1. – С. 22 – 24.
  4. Авдоченко Б.И., Ильюшенко В.Н. Пикосекундные усилительные модули с повышенным выходным напряжением // Приборы и техника эксперимента. – 1987. - № 2. – С. 126 – 129.
  5. Авдоченко Б.И., Ильюшенко В.Н., Донских Л.П. Пикосекундные усилительные модули на транзисторах с затвором Шотки // Приборы и техника эксперимента. – 1986. - № 5. – С. 119 – 122.
  6. Титов А.А., Ильюшенко В.Н., Авдоченко Б.И., Обихвостов В.Д. Широкополосный усилитель мощности для работы на несогласованную нагрузку // Приборы и техника эксперимента. – 1996. - №2. – С. 68 – 69.
  7. Титов А.А. Мощный широкополосный усилитель постоянного тока // Приборы и техника эксперимента. - 1989. - № 3. – С. 120 – 121.
  8. А.с. 1653128 СССР, H 03 F 1/42. Широкополосный усилитель / Ильюшенко В.Н., Титов А.А. – Опубл. Б.И., 1991, № 20.

Советую попробовать, не пожалеете! Удачи и 73 !!!

Партнеры