Что-то не так?
Пожалуйста, отключите Adblock.
Портал QRZ.RU существует только за счет рекламы, поэтому мы были бы Вам благодарны если Вы внесете сайт в список исключений. Мы стараемся размещать только релевантную рекламу, которая будет интересна не только рекламодателям, но и нашим читателям. Отключив Adblock, вы поможете не только нам, но и себе. Спасибо.
Как добавить наш сайт в исключения AdBlockРеклама
О временных задержках в усилителях мощности
О временных задержках в усилителях мощности
При описании самодельных конструкций трансиверов и усилителей мощности редко, а чаще совсем не уделяется внимание вопросу временных параметров элементов коммутации при работе устройств в режиме "приём-передача" и наоборот. Чтобы убедиться в значимости этих параметров, рассмотрим
следующий пример: Вид работы – RTTY , используется компьютер и программа WF1B или подобная. В результате ошибки оператора первоначально нажата клавиша клавиатуры, а затем педаль. Если при этом не соблюдена правильная последовательность задержек включения режима “приём /передача”, то возможна следующая ситуация: Сигнал на вход оконечного усилителя подаётся раньше, чем якорь антенного реле подключит антенну к выходу усилителя, в этот промежуток времени усилитель остаётся без нагрузки, и напряжение на его выходных элементах (транзисторы, лампа) увеличивается вдвое (переменная составляющая). Возможен их пробой. Кроме того в конечный момент происходит “горячее” подключение нагрузки к выходу усилителя, вызывающее подгорание контактов реле токами ВЧ в момент их замыкания. Аналогичная аварийная ситуация возможна и при переходе с передачи на приём в том случае, если время задержки на выключение антенного реле меньше или равно аналогичному параметру предыдущего элемента коммутации ( реле ). Здесь также происходит подгорание контактов реле токами ВЧ, теперь в момент их разрыва, а далее работа усилителя без нагрузки до пропадания сигнала на его входе. На мой взгляд, особенно опасны подобные ситуации в транзисторных усилителях КВ , а больше УКВ. В ламповых усилителях просто сокращается в таких случаях время жизни ламп и реле. На практике можно привести массу примеров таких неблагоприятных ситуаций. Чтобы частично облегчить жизнь радиолюбителя- конструктора, считаю что одним из условий обеспечения долговременной и надёжной работы любого усилителя мощности и его реле является выполнение следующих двух пунктов:
На рисунке 1 представлен пример временных характеристик, соответствующих пунктам 1 и 2.
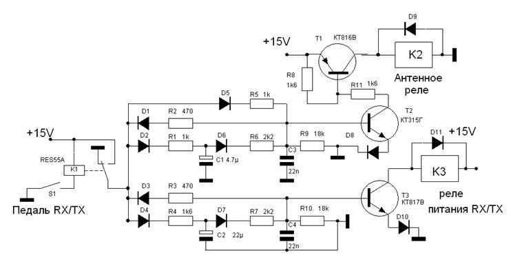
Рис.1 Пример временных характеристик Типичное время перекрытия - 3 – 4 Миллисекунды. Больше - при большей массе контактов. При выполнении пунктов 1и 2 обеспечивается нормальное переключение режима и “холодная” коммутация контактов антенного реле. В качестве примера привожу часть схемы управления режимом приём / передача моего трансивера. Реле, как антенное так и коммутации питания RX / TX --- РЭС34 (Тсраб.= 7.5мс, Тотпуск. = 2мс ) . Диоды D1 – D9 - любые кремниевые низкочастотные (КД102—КД104 ) , D10 – КД105,КД208 и т.п. Смотрите рисунок 2. Рис.2. Схема коммутации Для проверки и отладки работы схемы управления, подобной рисунку 2 достаточно использовать оптический индикатор. Это светодиод с балластным резистором. Схема подключения изображена на рисунке 3.
Рис.3. Схема подключения индикатора Методика очень проста:
Время свечения светодиода при нажатии соответствует левому светло-зелёному участку на Рисунке 1. Время свечения светодиода при отпускании соответствует правому светло-зелёному участку на Рисунке 1. Манипулируя номиналами соответствующих резисторов и электролитических конденсаторов, добиваемся правильной работы схемы. Проблем с фиксацией вспышки светодиода глазом нет уже при времени свечения больше 0,1мс. В заключении хочу отметить, что по подобному принципу можно ( на мой взгляд и нужно ) строить системы из групп элементов коммутации , не обязательно реле, используя всевозможные способы задержки времени, какие только может придумать фантазия радиолюбителя. Основное при этом – принцип вложения меньших ворот в большие, при наличии по краям меньших - столбиков… В качестве самых больших ворот выступает время удержания антенного реле, а столбики – время перекрытия по рисунку 1, они же – время свечения диодов по рис 3. В этой системе всегда меньшие –на входе… Количество парных групп при этом может быть не менее пяти. Советую попробовать, не пожалеете!
Удачи и 73 !!!
|

