Что-то не так?
Пожалуйста, отключите Adblock.
Портал QRZ.RU существует только за счет рекламы, поэтому мы были бы Вам благодарны если Вы внесете сайт в список исключений. Мы стараемся размещать только релевантную рекламу, которая будет интересна не только рекламодателям, но и нашим читателям. Отключив Adblock, вы поможете не только нам, но и себе. Спасибо.
Как добавить наш сайт в исключения AdBlockРеклама
Схема сверхширокополосного усилителя мощности от 20 до 1500 МГц
Сверхширокополосный усилитель мощности
Радиоаматор 2004. – № 8. – С. 51-52 Основные технические характеристики УМ:
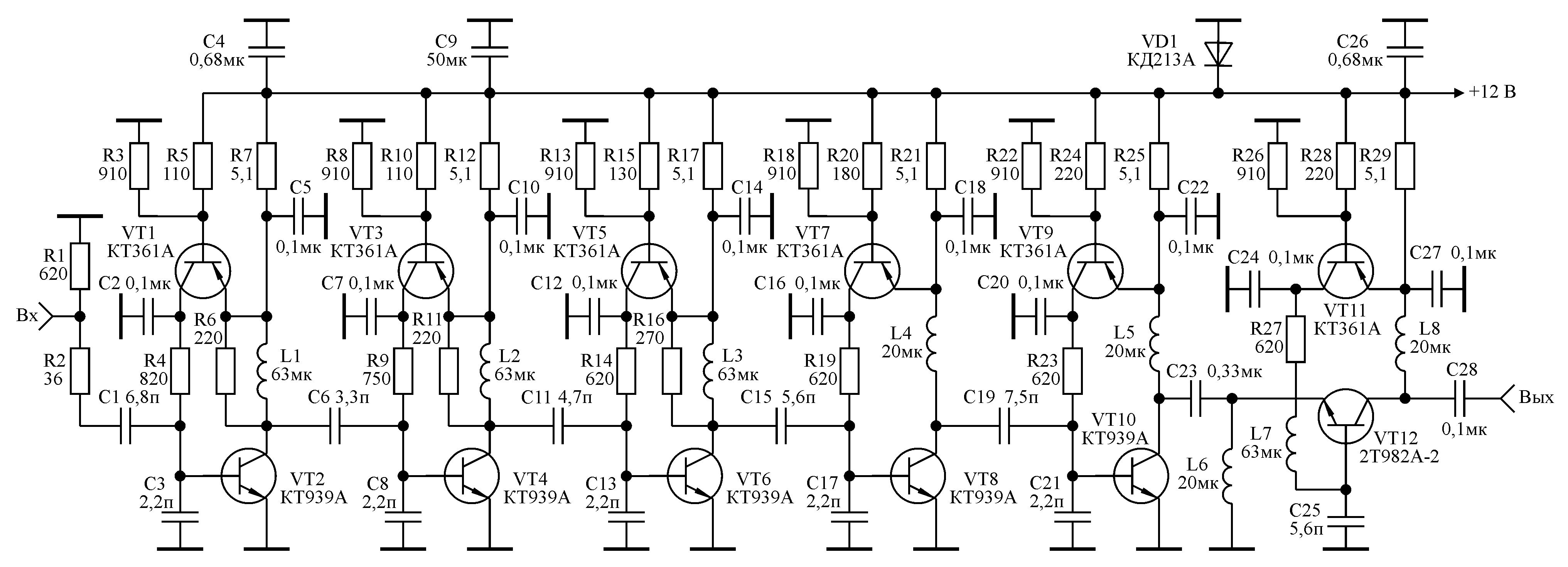
При построении перестраиваемых генераторов напряжений или увеличении выходной мощности генераторов стандартных сигналов, для проверки и настройки передатчиков, для построения систем линейной и нелинейной радиолокации в радиолюбительской практике может быть полезен сверхширокополосный усилитель с выходной мощностью 1...2 Вт. На рис. 1 приведена принципиальная схема такого усилителя. Рис. 1 Принципиальная схема усилителя мощности (щелкните мышью для увеличения) На рис. 2 приведен чертеж его печатной платы с указанием расположения элементов схемы. Рис. 2 Печатная плата усилителя мощности (щелкните мышью для увеличения) На рис. 3 приведена фотография внешнего вида усилителя.
Рис. 3 Фотография внешнего вида усилителя (щелкните мышью для увеличения) Усилитель содержит пять каскадов усиления на транзисторах VT2, VT4, VT6, VT8, VT10, включенных по схеме с общим эмиттером, и выходной каскад на транзисторе VT12, включенный по схеме со сложением напряжений. Все каскады усилителя работают в режиме класса А с фиксированной рабочей точкой с токами покоя транзисторов VT2, VT4, VT6, VT8, VT10, VT12 равными 0,1 А; 0,1 А; 0,2 А; 0,3 А; 0,4 А; 0,4 А соответственно. Стабилизация токов покоя каскадов достигается за счет применения активной коллекторной термостабилизации [1], а сами токи покоя устанавливаются подбором номиналов резисторов R5, R10, R15, R20, R24, R28. Во всех каскадах усилителя кроме выходного использованы реактивные межкаскадные корректирующие цепи третьего порядка [2], где в качестве одного из элементов корректирующей цепи используется реактивная составляющая входного импеданса транзистора [3]. Выходной каскад выполнен по схеме со сложением напряжений и обеспечивает сложение в нагрузке сигнальных напряжений, отдаваемых транзисторами VT10 и VT12 [4]. Печатная плата (рис. 2) размером 125х70 мм изготавливается из фольгированного с двух сторон стеклотекстолита толщиной 2...3 мм. Пунктирными линиями на рис. 2 обозначены места металлизации торцов, что может быть сделано с помощью металлической фольги, которая припаивается к нижней и верхней части платы. Металлизация необходима для устранения паразитных резонансов и заземления нужных участков печатной платы. После металлизации торцов напильником выравнивается нижняя часть платы, и она устанавливается, как это видно на фотографии (см. рис. 3), в корпус. Все транзисторы усилителя крепятся к основанию с использованием теплопроводящей пасты. Особо следует остановиться на креплении транзистора VT12. Транзистор 2Т982А-2 предназначен для работы с заземленной базой. Однако в данном случае база оторвана от земли. Это достигается установкой между транзистором и корпусом усилителя слюдяной прокладки толщиной около 0,2 мм, которая позволяет реализовать конденсатор C25, конструктивно образуемый корпусом усилителя и основанием транзистора. Крепление транзистора VT12 осуществляется с помощью винтов, на которые надеты изолирующие шайбы и кембрики. Перед ввертыванием крепежных винтов под один из них подкладывается полосок металлической фольги с отверстием для винта. К этому полоску в дальнейшем припаивается дроссель L7 для соединения с базой транзистора VT12. Настройка усилителя состоит из следующих этапов. Вначале производится покаскадная настройка его амплитудно-частотной характеристики. Для этого с помощью резисторов R5, R10, R15, R20, R24, R28 устанавливаются токи покоя транзисторов VT2, VT4, VT6, VT8, VT10, VT12. Затем в качестве нагрузки транзистора VT2 через разделительный конденсатор подключается конец 50-омного кабеля, нагруженного на стандартную 50-омную нагрузку. Подбором ёмкости конденсатора C3 достигается выравнивание амплитудно-частотной характеристики в области верхних частот. Если этого не удается достичь, следует уменьшить величину конденсатора C1. Далее подключается следующий каскад и процесс настройки повторяется. Настройка каскада на транзисторе VT10 осуществляется при включении в тракт усиления также и транзистора VT12. Так как каскады взаимно влияют друг на друга, при настройке каскада на транзисторе VT10 следует дополнительно подстроить и остальные каскады. После формирования амплитудно-частотной характеристики усилителя, которое ведется в режиме малого сигнала, проверяется максимальный уровень выходной мощности усилителя в полосе рабочих частот. Выходная мощность усилителя будет максимальна, если коэффициент передачи по напряжению выходного каскада на транзисторе VT12 равен двум [4]. Если это условие не выполняется, можно увеличить либо уменьшить толщину слюдяной прокладки под транзистором, либо вместо слюды установить керамическую подложку толщиной 1 мм. В этом случае значительно улучшаются теплоотдача транзистора VT12, поскольку слюда не является хорошим проводником тепла. Однако слюдяная прокладка значительно проще в изготовлении. Литература
Советую попробовать, не пожалеете! Удачи и 73 !!! |


