Что-то не так?
Пожалуйста, отключите Adblock.
Портал QRZ.RU существует только за счет рекламы, поэтому мы были бы Вам благодарны если Вы внесете сайт в список исключений. Мы стараемся размещать только релевантную рекламу, которая будет интересна не только рекламодателям, но и нашим читателям. Отключив Adblock, вы поможете не только нам, но и себе. Спасибо.
Как добавить наш сайт в исключения AdBlockРеклама
Расчет согласующего трансформатора выходного каскада усилителей мощности
Расчет согласующего трансформатора выходного каскада усилителей мощности
(Радиомир, 2004, № 11) Скачать статью в одном файле
Традиционно для согласования сопротивления антенно-волноводного тракта
RA с выходным сопротивлением оконечного каскада передатчика используются
трансформаторы сопротивлений, выполняемые обычно в виде фильтров нижних
частот (рис. 1) [1-4].
Это обусловлено тем, что в соответствии с [1] оптимальное сопротивление нагрузки мощного транзистора , на которое он отдает максимальную мощность, составляет единицы Ом и может быть определено из соотношения:
где Еп - рекомендуемое напряжение источника питания транзистора,
справочная величина [5]; Использование трансформаторов сопротивлений в виде фильтров нижних частот объясняется наличием разработанной методики расчета таких трансформаторов, основанной на использовании таблиц нормированных значений элементов [6-8]. Как правило, указанные трансформаторы реализуются в виде фильтров нижних частот четвертого порядка [1-4], что связано со сложностью их настройки при использовании более высоких порядков. Недостатком таких трансформаторов является значительное увеличение их коэффициента стоячей волны (КСВ) по входу при увеличении коэффициента трансформации Ктр и относительной полосы рабочих частот W, равной отношению fв/fн, где fв, fн - верхняя и нижняя граничные частоты полосы рабочих частот трансформатора. Значительного уменьшения КСВ, при прочих равных условиях, можно достичь при использовании трансформатора, выполненного в виде полосового фильтра, что достигается благодаря увеличению его коэффициента отражения вне полосы рабочих частот [9]. В диапазоне метровых волн наиболее эффективным является трансформатор в виде полосового фильтра, схема которого приведена на рис. 2 [10]. В таблице приведены результаты вычислений нормированных значений элементов С1, L2, L3, C4 трансформатора (рис. 2), полученные с использованием методики синтеза межкаскадных корректирующих цепей, описанной в [11]. Элементы С1, L2, L3, C4 нормированы относительно центральной круговой частоты полосы рабочих частот трансформатора ?0 и сопротивления антенно-волноводный тракта и рассчитаны для коэффициента трансформации лежащего в пределах от 2 до 20 и относительной полосы рабочих частот трансформатора от 1,3 до 3. Здесь же даны значения КСВ, соответствующие заданным значениям Ктр и W. Таблица – Нормированные значения элементов трансформатора
Сравнение характеристик рассматриваемого трансформатора (см. таблицу) и характеристик трансформатора выполненного в виде фильтра нижних частот, приведенных в [7], показывает, что при прочих равных условиях он имеет гораздо меньшее значение КСВ. Для примера осуществим проектирование трансформатора с Ктр=10, W=1,5 и центральной рабочей частотой равной 70 МГц, при условии, что RA=50 Ом. В соответствии с заданными значениями Ктр и W из таблицы найдем:
C1н=5.2296; L2н=0.2963; L3н=0.6147; C4н=1.1487. Центральная круговая
частота полосы рабочих частот трансформатора Денормируя значения элементов трансформатора определим:
На рис. 3 приведена расчетная зависимость модуля входного сопротивления |Zвх| спроектированного трансформатора от частоты (кривая 1). Здесь же (кривая 2) для сравнения представлена характеристика трансформатора, выполненного в виде фильтра нижних частот и рассчитанного по таблицам из [7] (рис. 1, L1=19 нГн, С2=255 пФ, L3=63 нГн, С4=77 пФ).
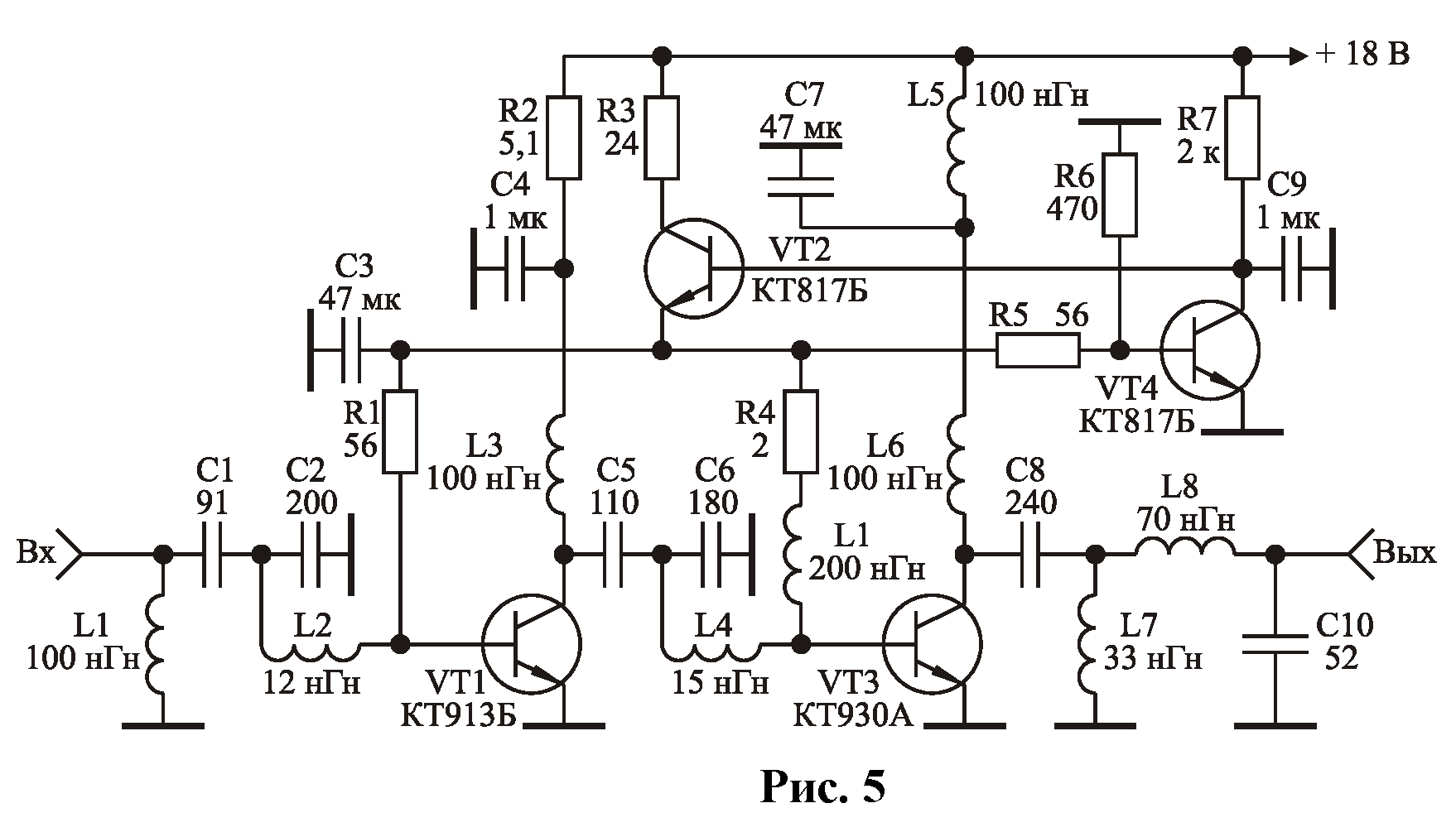
Другим достоинством трансформатора приведенного на рис. 2 является следующее. При неизменной выходной мощности усилителя ток, потребляемый его выходным каскадом, слабо зависит от частоты усиливаемого сигнала, что позволяет обеспечить достижение более высокого среднего КПД усилителя. На рис. 4 приведена зависимость тока, потребляемого
выходным каскадом двухкаскадного усилителя (рис. 5),
от частоты усиливаемого сигнала при выходной мощности Рвых равной 25
Вт (кривая 1). Здесь же представлена аналогичная зависимость в случае
использования трансформатора, выполненного в виде фильтра нижних частот
(кривая 2). Характеристики усилителя: максимальное значение выходной мощности 32 Вт; полоса рабочих частот 55...85 МГц; коэффициент усиления 22 дБ. В усилителе использован рассматриваемый трансформатор (элементы C 8, L 7, L 8, С10), входная и межкаскадная корректирующие цепи рассчитаны по методике описанной в [11]. Таким образом, предлагаемая методика расчета рассматриваемого трансформатора сопротивлений проста в применении и позволяет значительно улучшить параметры разрабатываемого усилителя мощности. Литература
|


