Что-то не так?
Пожалуйста, отключите Adblock.
Портал QRZ.RU существует только за счет рекламы, поэтому мы были бы Вам благодарны если Вы внесете сайт в список исключений. Мы стараемся размещать только релевантную рекламу, которая будет интересна не только рекламодателям, но и нашим читателям. Отключив Adblock, вы поможете не только нам, но и себе. Спасибо.
Как добавить наш сайт в исключения AdBlockРеклама
Широкополосный малошумящий усилитель мощности диапазона 20...600МГц
Широкополосный малошумящий усилитель мощности диапазона 20...600МГц
(Радиоаматор, 2005, № 8, С. 53) Скачать статью в одном файле
Технические характеристики усилителя:
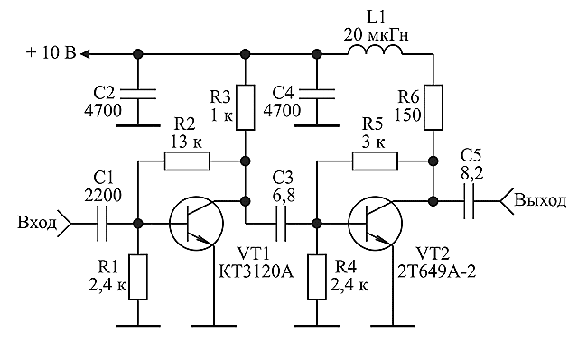
Широкополосные малошумящие усилители находят применение в различных системах и могут быть использованы, например, для компенсации потерь в кабелях снижения антенно-фидерных устройств телевизионных приемников [1]. Одной из основных проблем построения таких усилителей является проблема формирования их амплитудно-частотных характеристик. Ведь для минимизации коэффициента шума усилителя его входной каскад должен быть реализован без применения цепей высокочастотной коррекции. В этом случае задача выравнивания амплитудно-частотной характеристики усилителя усложняется. На рис. 1 приведена принципиальная схема широкополосного малошумящего усилителя, в котором изменена традиционная последовательность включения корректирующих цепей и транзисторов. Схема является модификацией малошумящего усилителя использованного в [2]. Рис. 1 На рис. 2 приведен чертеж печатной платы, на рис. 3 – показано расположение элементов, на рис. 4 – фотография внешнего вида усилителя.
Рис. 2 Чертеж печатной платы
Рис. 3 Расположение элементов Рис. 4 Фотография внешнего вида усилителя. Усилитель содержит два каскада усиления на транзисторах VT1 и VT2 и две цепи коррекции первого порядка (элементы С3 и С5). Печатная плата (рис. 2) размером 35х20 мм изготавливается из фольгированного с двух сторон стеклотекстолита толщиной 2...3 мм. Пунктирными линиями на рис. 2 обозначены места металлизации торцов, что может быть сделано с помощью металлической фольги, которая припаивается к нижней и верхней части платы. Металлизация необходима для устранения паразитных резонансов, искажающих форму амплитудно-частотной характеристики. Настройка усилителя заключается в следующем. Вначале с помощью резисторов R2 и R5 устанавливаются токи покоя транзисторов усилителя. Затем подбором номиналов конденсаторов С3 и С5 выравнивается его амплитудно-частотная характеристика. Вместо транзистора выходного каскада 2Т649А-2 может быть использован транзистор КТ939А. В этом случае потребуется некоторая переработка печатной платы усилителя. ЛИТЕРАТУРА
|
|



