LAB599.RU — интернет-магазин средств связи
EN FR DE CN JP

Модулятор амплитуды мощных сигналов

Модулятор амплитуды мощных сигналов

Титов Александр Анатольевич
Томский государственный университет систем управления и радиоэлектроники Россия, 634050, Томск, пр.. Ленина, 40
Тел. (382-2) 51-65-05
E-mail: titov_aa (at) rk.tusur.ru

(Радиодело. – 2005. – № 2. – С. 27)

Скачать статью в одном файле

Модуляторы амплитуды используются во многих радиотехнических системах, например, в передатчиках теле- и радиовещания. Недостатком известных схемных решений построения устройств формирования амплитудно-модулированных колебаний является их малая выходная мощность [1]. В статье приведено описание модулятора, позволяющего осуществлять амплитудную модуляцию сигналов мощностью до 30...40 Вт.

Технические характеристики модулятора:

  • максимальный уровень выходной мощности, не менее –                25 Вт;
  • полоса рабочих частот несущего колебания –                    140...200 МГц;
  • полоса рабочих частот модулирующего колебания –      50 Гц...6,5 МГц;
  • длительность фронта формируемого радиоимпульса, не более –    80 нс;
  • сопротивление генератора и нагрузки –                                          50 Ом;

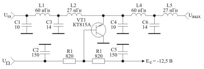
Принципиальная схема модулятора приведена на рис. 1 и разработана на основе использования идеи построения модуляторов мощных сигналов описанной в [2].

Принципиальная схема модулятора

Рис.1 Принципиальная схема модулятора

Здесь - несущее колебание;
- модулирующее колебание;
Ec - напряжение смещения;
U вых - выходное напряжение.

Принцип работы модулятора заключается в следующем. Элементы C1, L1, C3, L2 и C4, L4, C6, L5 образуют фильтры нижних частот с частотой среза равной 210 МГц. Транзистор VT1 играет роль самоуправляемого ограничителя сигналов. Физика работы схемы такого ограничителя подробно описана в [3]. При подаче на базу транзистора VT1 напряжения , закрывающего оба его перехода, транзистор будет осуществлять двухстороннее ограничение сигналов, мгновенное значение которых превышает величину, равную 2· . В данном случае использован n-p-n транзистор. Поэтому закрывающее напряжение имеет отрицательное знак. В случае = 0 В и при выборе =-12,5 В, как показано на рис. 1, амплитуда выходного немодулированного сигнала будет неизменна и равна 25 В. При выборе амплитуды модулирующего колебания = 12,5 В и =-12,5 В на выходе будем иметь сигнал со стопроцентной модуляцией. Варьируя амплитудой модулирующего сигнала можно изменять глубину модуляции высокочастотного модулируемого сигнала. Следует иметь ввиду, что для реализации указанного режима работы модулятора необходимо, чтобы при отключении эмиттера транзистора VT1 от тракта передачи сигнала, выход-ное напряжение было равно не менее чем 53...55 В.
Для примера на рис. 2 приведена экспериментально измеренная форма огибающей модулированного сигнала на выходе модулятора, принципиальная электрическая схема которого приведена на рис. 1.

Экспериментально измеренная форма огибающей модулированного сигнала

Рис. 2. Экспериментально измеренная форма огибающей модулированного сигнала

В качестве модулирующего сигнала был выбран тестовый восьмиступенчатый телевизионный радиосигнал яркости, спектр которого занимает полосу частот от 50 Гц до 6,5 МГц. Амплитуда модулируемого сигнала выбрана равной 55 В, а его частота – частоте радиосигнала изображения 9 канала телевидения (199,25 МГц). Масштаб времени на оси абсцисс не обозначен. Длительность фронтов радиосигнала на выходе амплитудного модулятора не превышала 80 нс при допустимой длительности по ГОСТ 20532-83, равной 125 нс [4]. Как следует из графика, приведенного на рис. 2, амплитуда радиосигнала в синхроимпульсе составляла 50 В.

ЛИТЕРАТУРА

  1. Радиопередающие устройства / Л.А. Белов, М.В. Благовещенский, В.М. Богачев и др.; Под ред. М.В. Благовещенского, Г.М. Уткина. – М.: Радио и связь, 1982. – 408 с.
  2. Титов А.А., Ильюшенко В.Н. Амплитудный модулятор мощных сигналов // Патент на изобретение № 2240645 Российского агентства по патентам и товарным знакам. – Опубл. 20.11.2004 Бюл. № 32
  3. Титов А.А. Усилитель мощности на 425...435 МГц с защитой от перегрузок // Радиолюбитель КВ и УКВ. – 2003. – № 5. – С. 25–27.
  4. ГОСТ 20532-83. Радиопередатчики телевизионные 1-5 диапазонов. Основные параметры, технические требования и методы измерений. – М.: Издательство стандартов, 1984. – 34 с.

 
 

Партнеры