Что-то не так?
Пожалуйста, отключите Adblock.
Портал QRZ.RU существует только за счет рекламы, поэтому мы были бы Вам благодарны если Вы внесете сайт в список исключений. Мы стараемся размещать только релевантную рекламу, которая будет интересна не только рекламодателям, но и нашим читателям. Отключив Adblock, вы поможете не только нам, но и себе. Спасибо.
Как добавить наш сайт в исключения AdBlockРеклама
Усилитель мощности диапазона 10...1050 МГц
Усилитель мощности диапазона 10...1050 МГц
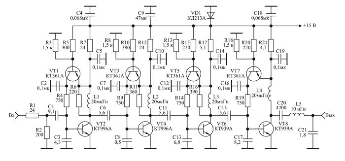
(Схемотехника. – 2006. – № 1. – С. 62–63.) Скачать всю статью в одном файле (PDF) Многооктавные усилители мощности находят применение в сверхширокополосных системах радиолокации и связи, при построении перестраиваемых генераторов, создании панорамных измерителей импедансов и модуляторов лазерного излучения. В статье приведено описание многооктавного усилителя мощности, настройка которого сводится к подбору трех конденсаторов высокочастотной коррекции. Технические характеристики усилителя:
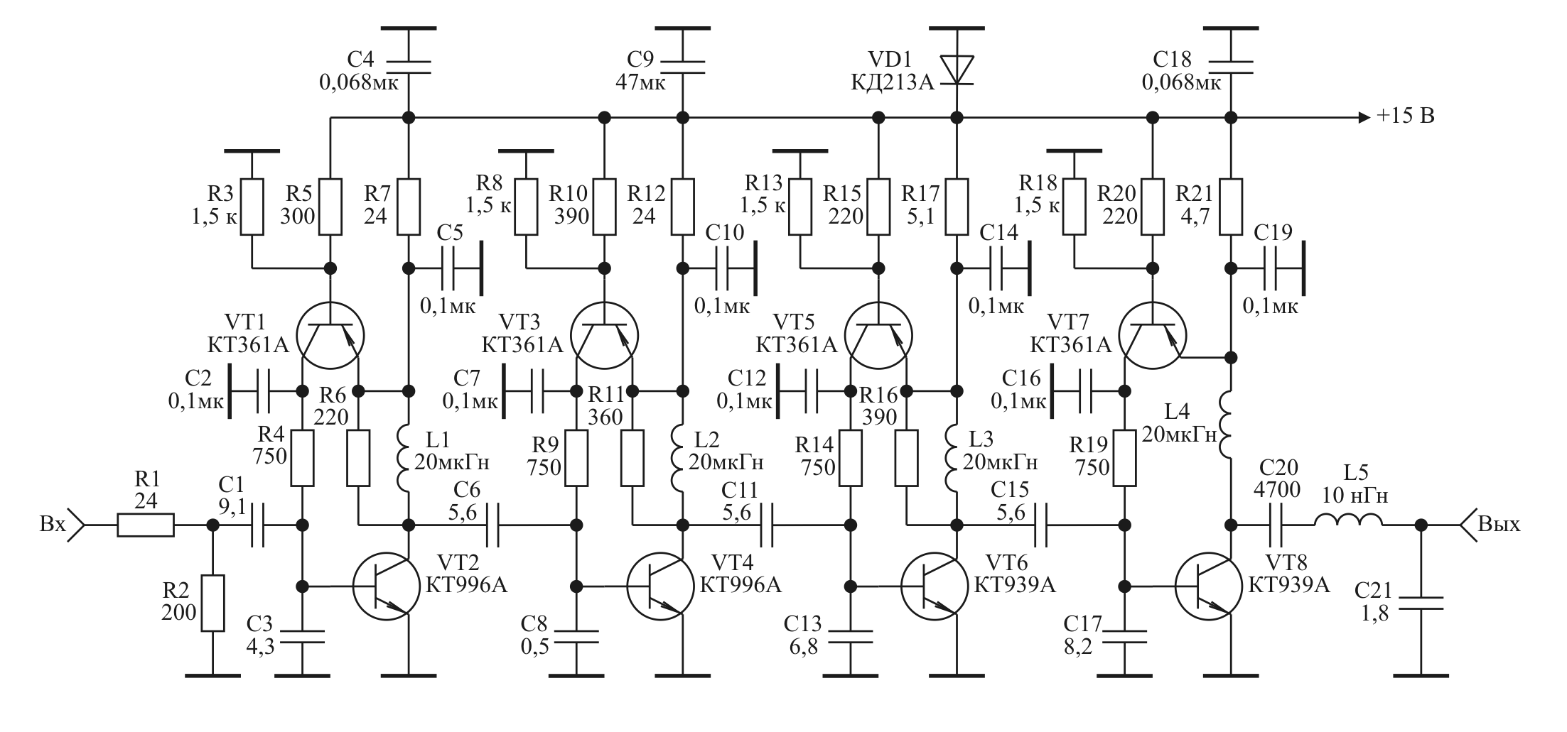
Принципиальная схема усилителя приведена на рис. 1, на рис. 2 приведен чертеж печатной платы, на рис. 3 показано расположение элементов, а на рис. 4 – фотография его внешнего вида. Рис. 1. Принципиальная схема усилителя Рассматриваемый ниже усилитель является модификацией схемных решений подобных усилителей, описанных в [1, 2]. Его достоинствами являются простота изготовления и настройки, большой коэффициент усиления при малом числе каскадов, использование однополярного питания. Усилитель содержит четыре каскада усиления на транзисторах VT2, VT4, VT6, VT8, включенных по схеме с общим эмиттером. Во всех каскадах усилителя использованы реактивные межкаскадные корректирующие цепи третьего порядка [4], где в качестве одного из элементов корректирующей цепи используется индуктивная составляющая входного сопротивления транзистора [4, 5]. Рис. 2. Чертеж печатной платы Основание усилителя выполнено из дюралюминия толщиной 10 мм и при длительной его эксплуатации устанавливается на небольшой радиатор. Все транзисторы усилителя крепятся к основанию с использованием теплопроводящей пасты. Для улучшения теплового контакта транзисторов VT2 и VT4 с основанием усилителя они прижаты к основанию стеклотекстолитовыми пластинами (см. рис. 4). Рис. 3. Расположение элементов на печатной плате В усилителе использованы безиндуктивные конденсаторы типа К10-42 в высокочастотном тракте и типа К10-17 в цепях фильтрации. Рис. 4 Фотография внешнего вида усилителя При включении усилителя без конденсаторов С13, С17 и С21 его амплитудно-частотная характеристика в режиме малого сигнала будет равномерна до 600...700 МГц с дальнейшим медленным спадом, составляющим на частоте 1000 МГц около 7...10 дБ. Подключением конденсаторов С13 и С17 следует выровнять амплитудно-частотную характеристику в области частот 700...1000 МГц. И, наконец, варьируя токами покоя транзисторов усилителя необходимо найти такие значения указанных токов, при которых усилитель отдает в нагрузку требуемую мощность при минимальной мощности, потребляемой от источника питания. ЛИТЕРАТУРА
|
|



