Что-то не так?
Пожалуйста, отключите Adblock.
Портал QRZ.RU существует только за счет рекламы, поэтому мы были бы Вам благодарны если Вы внесете сайт в список исключений. Мы стараемся размещать только релевантную рекламу, которая будет интересна не только рекламодателям, но и нашим читателям. Отключив Adblock, вы поможете не только нам, но и себе. Спасибо.
Как добавить наш сайт в исключения AdBlockРеклама
Усилитель мощности диапазона 10...1050 МГц
Перестраиваемый полосовой усилитель мощности диапазона 20...1000 МГц
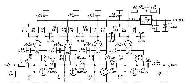
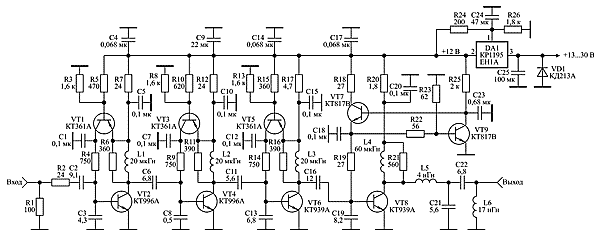
(Радиодело. – 2005. – № 11. – С. 40–43) Скачать всю статью в одном файле (PDF) Полосовые усилители мощности являются неотъемлемой составной частью практически любой радиотехнической системы и во многом определяют ее параметры. В статье описана конструкция и методика настройки полосового усилителя мощности, изменение рабочего диапазона частот которого сводится к перестройке выходного трансформатора сопротивлений, выполненного в виде полосового фильтра четвертого порядка. Такой подход позволил упростить и унифицировать задачу построения ряда полосовых усилителей мощности, перекрывающих диапазон частот 20...1000 МГц. Технические характеристики усилителя:
Задача построения линейки полосовых усилителей мощности перекрывающих диапазон частот в несколько октав может быть решена различными способами. Наиболее удобным представляется использование унифицированного усилителя, настройка которого на любой из поддиапазонов сводилась бы к изменению минимального числа элементов схемы. Это возможно при построении полосовых усилителей мощности на основе мощного сверхширокополосного усилителя, выходной каскад которого переводится в режим работы с отсечкой. В этом случае изменение рабочего диапазона частот полосового усилителя будет заключаться в перестройке выходного трансформатора сопротивлений, обеспечивающего реализацию оптимального сопротивления нагрузки транзистора выходного каскада. Рассматриваемая концепция построения полосовых усилителей мощности была использована при разработке мощного сверхширокополосного усилителя диапазона 20...1000 МГц. Принципиальная схема усилителя приведена на рис. 1. На рис. 2 приведена принципиальная схема перестраиваемого полосового усилителя мощности, в основу которого положена схема мощного сверхширокополосного усилителя приведенного на рис. 1. На рис. 3 приведен чертеж печатной платы, позволяющей осуществлять монтаж и настройку мощного сверхширокополосного усилителя (рис. 1), а затем его перестройку в полосовой усилитель мощности, схема которого дана на рис. 2. На рис. 4 и 5 показано размещение элементов мощного сверхширокополосного усилителя (рис. 1) и полосового усилителя мощности (рис. 2). На рис. 6 и 7 приведены фотографии настроенного мощного сверхширокополосного усилителя (рис. 1) и полосового усилителя мощности (рис. 2). Рис. 1. Принципиальная схема мощного сверхширокополосного усилителя Рис. 2. Принципиальная схема полосового усилителя мощности
Рис. 6. Фотография мощного сверхширокополосного усилителя Рис. 7. Фотография полосового усилителя мощности Мощный сверхширокополосный усилитель (рис. 1) содержит четыре каскада усиления на транзисторах VT2, VT4, VT6, VT8, включенных по схеме с общим эмиттером. Все каскады усилителя работают в режиме класса А с токами покоя транзисторов VT2, VT4, VT6, VT8 равными 0,08; 0,12; 0,2; и 0,3 А соответственно. Во всех каскадах использована схема активной коллекторной термостабилизации [1]. Токи покоя транзисторов VT2, VT4, VT6, VT8 устанавливаются подбором номиналов резисторов R5, R10, R15, R20. Уменьшение указанных резисторов приводит к уменьшению токов покоя и наоборот. Во всех каскадах использованы реактивные межкаскадные корректирующие цепи третьего порядка [2, 3], где в качестве одного из элементов корректирующей цепи используется индуктивная составляющая входного сопротивления транзистора [3, 4]. В усилителе использованы безиндуктивные конденсаторы типа К10-42 в высокочастотном тракте и типа К10-17 в цепях фильтрации. Настройка усилителя состоит из следующих этапов. Вначале с помощью резисторов R5, R10, R15, R20 устанавливаются токи покоя транзисторов VT2, VT4, VT6, VT8. Для этого указанные резисторы поочередно заменяются потенциометрами и по измерениям напряжений на резисторах R7, R12, R17, R22 устанавливаются требуемые токи покоя указанных транзисторов. Затем впаиваются все элементы высокочастотного тракта за исключением конденсаторов С13, С19 и С24. На рис. 4 конденсатор С8 не указан, так как в качестве С8 используется металлизированная площадка, к которой припаивается база транзистора VT4. При включении усилителя без конденсаторов С13, С19 и С24 его амплитудно-частотная характеристика в режиме малого сигнала будет равномерна до частот 600...700 МГц с дальнейшим медленным спадом, составляющим на частоте 1000 МГц около 7...10 дБ. Подключением конденсаторов С13 и С19 следует выровнять амплитудно-частотную характеристику в области частот 700...1000 МГц. Технические характеристики настроенного мощного сверхширокополосного усилителя: выходная мощность 1...1,3 Вт; полоса рабочих частот 20...1000 МГц; коэффициент усиления 38 дБ; неравномерность амплитудно-частотной характеристики ±1,5 дБ. Перестройка мощного сверхширокополосного усилителя в полосовой усилитель мощности состоит из следующих этапов. Из сверхширокополосного усилителя (рис. 1) выпаиваются элементы схемы активной коллекторной термостабилизации выходного каскада R18, R19, R20, VT7 и устанавливаются элементы стабилизатора напряжения базового смещения (см. рис. 2, элементы R18, R19, R22, R23, R25, C23, VT7, VT9). Далее с помощью резистора R23 ток покоя транзистора VT8 устанавливается в пределах 20...60 мА. Методика расчета используемого стабилизатора напряжения базового смещения дана в [6]. Конденсатор C16 емкостью 5,6 пФ заменяется конденсатором емкостью 12 пФ. Это необходимо для облегчения режима работы предоконечного каскада, поскольку транзистор VT8 переводится в режим работы с отсечкой. После включения усилителя его выходная мощность должна остаться неизменной, то есть около 1...1,3 Вт во всем рабочем диапазоне 20...1000 МГц. Для повышения выходной мощности усилителя из схемы (см. рис. 1) следует удалить элементы C22, C24, L5 и на их место установить трансформатор сопротивлений (см. рис. 2, элементы L5, L6, C21, C22), обеспечивающий оптимизацию сопротивления нагрузки транзистора выходного каскада. Значения элементов L5, L6, C21, C22 на рис. 2 соответствуют трансформатору с коэффициентом трансформации равным 2,5 раза и относительной полосой пропускания fв/fн = 1,5, где fв и fн верхняя и нижняя рабочие частоты трансформатора. То есть входное сопротивление трансформатора, при нагрузке равной 50 Ом, составляет 20 Ом, которое является оптимальным для транзистора КТ939А. Верхняя рабочая частота трансформатора равна 1000 МГц, нижняя – 660 МГц. Методика расчета рассматриваемого трансформатора подробно описана в [7]. Средняя частота рабочего диапазона трансформатора равна: (1000+660)/2=830 МГц. Значения элементов трансформатора для другой средней частоты fср рабочего диапазона могут быть рассчитаны из соотношений: L5[нГн] = 4'830/fср[МГц]; Например, для fср = 125 МГц значения элементов трансформатора равны: L5 = 26,6 нГн; L6 = 113 нГн; С21 = 37 пФ; С22 = 45 пФ, а верхняя и нижняя рабочие частоты 150 и 100 МГц соответственно. Полосовые усилители мощности, описываемые в статье, предназначены для работы в составе нелинейного локатора [8], где не требуется сильное подавление высших гармонических составляющих в спектре выходного сигнала. В противном случае между выходом полосового усилителя и нагрузкой следует устанавливать фильтры нижних частот, методика расчета которых подробно описана, например, в [9]. Печатная плата унифицированного усилителя (рис. 3) размером 90·87 мм изготавливается из фольгированного с двух сторон стеклотекстолита толщиной 1,5...2 мм. Пунктирными линиями на рис. 3 обозначены места металлизации торцов, что может быть сделано с помощью металлической фольги, которая припаивается к нижней и верхней части платы. Металлизация необходима для устранения паразитных резонансов и заземления нужных участков печатной платы. Основание усилителя выполнено из дюралюминия толщиной 10 мм и при длительной его эксплуатации устанавливается на небольшой радиатор. Для этого по краям основания предусмотрены крепежные отверстия (см. рис. 6 и 7). ЛИТЕРАТУРА
|
||||||||||






