Что-то не так?
Пожалуйста, отключите Adblock.
Портал QRZ.RU существует только за счет рекламы, поэтому мы были бы Вам благодарны если Вы внесете сайт в список исключений. Мы стараемся размещать только релевантную рекламу, которая будет интересна не только рекламодателям, но и нашим читателям. Отключив Adblock, вы поможете не только нам, но и себе. Спасибо.
Как добавить наш сайт в исключения AdBlockРеклама
Усилитель мощности оптического модулятора
Широкополосный усилитель мощности с защитой от перегрузок
Скачать статью в одном файле
(Приборы и техника эксперимента. – 2002. – № 5. – С. 88–90) Описан усилитель мощности, в котором для суммирования мощности канальных усилителей использованы направленные ответвители, выполненные в виде скрученных длинных линий помещенных в цилиндрический экран. Технические характеристики усилителя:
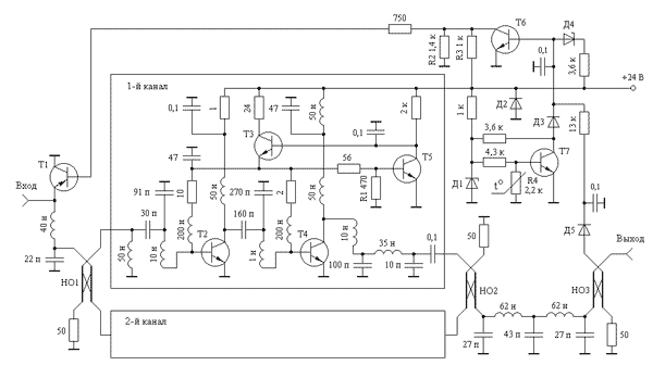
Усилители мощности (УМ) используются в радиотехнических системах различного назначения, в частности в системах модуляции лазерного излучения. Требуемые уровни выходной мощности отдаваемой УМ превышают, как правило, возможности элементной базы. В диапазоне метровых и дециметровых волн повышение выходной мощности УМ достигается благодаря использованию кольцевых мостовых схем сложения, многополюсных сумматоров параллельного типа, направленных ответвителей (НО) с лицевой связью [1, 2, 3]. Однако в низкочастотной части указанного диапазона волн размеры перечисленных выше схем сложения оказываются значительными, что приводит к неоправданному увеличению общих габаритов разрабатываемых УМ. Уменьшение габаритных размеров УМ возможно при использовании НО, выполненных по методике описанной в [4]. На рисунке приведена принципиальная схема УМ, в котором использованы
рассматриваемые НО. Рис.1. Принципиальная схема (Щелкните мышью для получения большого изображения). Т1 – КТ816Г; Т2 – КТ930Б; Т3, Т5 – КТ817Б; Т4 – КТ970А; Т6, – КТ815А; Т7 – КТ315Б; Д1 – КС213Б; Д2 – КД213А; Д3, Д5 – КД509А; Д4 – КС224Ж. УМ содержит два идентичных канала усиления на транзисторах Т2, Т4; делитель мощности на направленном ответвителе НО1; сумматор на НО2; стабилизатор напряжения базового смещения на транзисторах Т3, Т5; схемы защиты от перегрузки по входу, от рассогласования по выходу, от превышения напряжением питания номинального значения, термозащиту. Транзисторы канальных усилителей работают в режиме с отсечкой коллекторного тока. Стабилизация угла отсечки обеспечивается стабилизатором базового смещения [5]. Требуемый угол отсечки устанавливается подбором номинала резистора R1 в цепи базы транзистора Т5. Во всех усилительных каскадах использованы полосовые корректирующие
цепи четвертого порядка, обеспечивающие высокие технические характеристики
усилителя и достаточно простые в конструктивном исполнении и настройке
[5]. Для подавления высших гармонических составляющих в спектре выходного сигнала, после сумматора на НО2 включен чебышевский фильтр нижних частот пятого порядка [7]. Каждый из направленных ответвителей НО1 и НО2 выполнен из двух проводов марки МГТФ 1х0,35 длиной 430 мм, намотанных вплотную друг к другу на цилиндрический изолятор диаметром 12 мм и длиной 45 мм. Изолятор помещается затем в заземленный металлический цилиндрический экран, имеющий продольную щель вдоль всей своей длины и плотно обжимающий намотанные на изолятор провода. Переходное затухание НО1 и НО2 в полосе пропускания УМ равно 3 дБ. С целью сохранения работоспособности УМ при воздействии на его вход мощных (до 100 Вт) сигналов, на входе усилителя включен биполярный транзистор Т1, выполняющий роль самоуправляемого ограничителя мощных входных сигналов. Ограничитель работает следующим образом. На базу транзистора Т1, с делителя на резисторах R2 и R3, подается постоянное запирающее оба перехода транзистора напряжение. На вход УМ и одновременно на эмиттер транзистора Т1 подается переменное высокочастотное напряжение усиливаемого сигнала. Переменное высокочастотное напряжение делится между емкостями закрытых переходов база – эмиттер и база – коллектор. На переходе база – коллектор выделяется переменное напряжение, амплитуда которого равна значению Uвх*Сбэ/(Сбк+Сбэ), где Uвх - амплитуда переменного высокочастотного напряжения на входе УМ; Сбэ и Сбк - емкости запертых переходов база – эмиттер и база – коллектор транзистора Т1. Значения емкостей запертых переходов Сбэ и Сбк биполярных транзисторов отличаются незначительно [8, 9]. Величина постоянного напряжения на базе транзистора устанавливается равной амплитуде переменного высокочастотного напряжения на переходе база – коллектор транзистора, соответствующей номинальному значению переменного высокочастотного напряжения на входе УМ. То есть величина постоянного напряжения на базе транзистора устанавливается приблизительно равной половине амплитуды номинального значения входного высокочастотного напряжения УМ. При воздействии на вход УМ сигнала (или помехи), амплитуда напряжения которого превышает амплитуду номинального значения входного напряжения УМ, в положительный полупериод воздействия переменного сигнала напряжение на эмиттере транзистора превышает напряжение на его базе. Переход база – эмиттер открывается, и через коллекторную цепь начинает протекать ток, равный aIэ [10], где a - коэффициент передачи эмиттерного тока, Iэ - ток эмиттера. Для мгновенного значения входного воздействия, превышающего номинальное значение, переход эмиттер – коллектор транзистора представляет собой двухполюсник с сопротивлением Rвх=Uвх/aIэ, которое составляет единицы Ом. В отрицательный полупериод воздействия переменного входного сигнала превышающего по амплитуде номинальное значение входного сигнала, открывается переход база – коллектор транзистора Т1, и через транзистор начинает протекать ток равный aIIк, где aI - коэффициент передачи тока коллектора при инверсном включении транзистора, Iк - ток коллектора. Согласно [10], a~~aI. При отрицательной полуволне входного напряжения, амплитуда которого превышает амплитуду номинального входного напряжения, переход эмиттер – коллектор транзистора также представляет собой двухполюсник, сопротивление которого составляет единицы Ом. В этом случае мощное входное воздействие оказывается двухсторонне ограниченным. Для устранения влияния емкости последовательного соединения Сбэ и Сбк закрытого транзистора Т1 на амплитудно-частотную характеристику усилителя, она включена в фильтр нижних частот, стоящий на входе УМ. Ограничитель на транзисторе Т1 используется также в качестве управляемого ограничителя при срабатывании защиты от рассогласования по выходу, от превышения напряжением питания номинального значения, термозащиты. С увеличением рассогласования нагрузки УМ с его выходным сопротивлением (крайние степени рассогласования – короткое замыкание нагрузки и ее обрыв) напряжение, снимаемое с выхода отраженной волны НО3, увеличивается, то есть на вход детектора на диоде Д5 подается напряжение пропорциональное напряжению, отраженному от нагрузки усилителя. При номинальной величине выходной мощности и при коэффициенте стоячей волны по напряжению (КСВН) со стороны нагрузки больше максимально допустимого значения, напряжение управления, подаваемое на базу транзистора Т1 со схемы управления на транзисторе Т6, начинает уменьшаться, уменьшая амплитуду входного воздействия, поступающего на вход УМ (уменьшается порог ограничения входного сигнала). Поэтому мощность сигнала на выходе УМ падает пропорционально росту КСВН нагрузки. Направленный ответвитель отраженной волны НО3 выполнен из двух проводов марки МГТФ 1х0,35 длиной 40 мм, намотанных вплотную друг к другу на цилиндрический изолятор, который помещается затем в заземленный металлический цилиндрический экран. В рабочем диапазоне частот УМ переходное затухание НО3 равно 30 дБ. Порог срабатывания схемы защиты от рассогласования УМ по выходу устанавливается выбором резистора R4. Схема термозащиты на транзисторе Т7 минимизирует напряжение управления при превышении температурой корпуса УМ определенного значения. Терморезистор схемы термозащиты приклеивается к корпусу усилителя в непосредственной близости от транзистора Т4. С увеличением температуры корпуса сопротивление терморезистора падает, что приводит к запиранию транзистора Т7 и срабатыванию схемы управления. Установка схемы термозащиты на заданную температуру срабатывания осуществляется с помощью резистора R4. Защита от превышения напряжением питания номинального значения, выполненная на стабилитроне Д4, срабатывает при величине питающего напряжения 25,5 В. Диод Д2 установлен для защиты транзисторов усилителя от пробоя при неправильном выборе полярности напряжения питания. Настройка УМ заключается в следующем.Вначале производится покаскадная настройка канальных усилителей, методика которой подробно описана в [5]. После настройки канальных усилителей производится подстройка переходного затухания НО1 и НО2, осуществляемая с помощью регулирования длины продольной щели их металлических экранов. Основные характеристики УМ:
Литература
Советую попробовать, не пожалеете! Удачи и 73 !!! |
