Что-то не так?
Пожалуйста, отключите Adblock.
Портал QRZ.RU существует только за счет рекламы, поэтому мы были бы Вам благодарны если Вы внесете сайт в список исключений. Мы стараемся размещать только релевантную рекламу, которая будет интересна не только рекламодателям, но и нашим читателям. Отключив Adblock, вы поможете не только нам, но и себе. Спасибо.
Как добавить наш сайт в исключения AdBlockРеклама
Удлинитель симплексной радиостанции диапазона 26...29 МГц
Удлинитель симплексной радиостанции диапазона 26...29 МГц
Скачать статью в одном файле
Удлинитель предназначен для увеличения радиуса действия радиостанций симплексной связи любительского диапазона 27 МГц, имеющих выходную мощность 5-10 Вт. Технические характеристики усилителя:
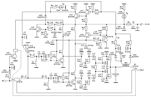
Принципиальная схема удлинителя приведена на рис 1. Рис. 1. Принципиальная схема удлинителя. (Щелкните мышью для получения большого изображения). На рис. 2 приведен чертеж печатной платы. Рис. 2. Чертеж печатной платы. (Щелкните мышью для получения большого изображения). На рис. 3 приведена фотография внешнего вида удлинителя. Рис. 3. Фотография внешнего вида удлинителя. (Щелкните мышью для получения большого изображения). Удлинитель содержит входной резистивный делитель мощности, два канальных усилителя, трансформаторы сопротивлений, кольцевой сумматор, стабилизатор напряжения базового смещения, защиту от холостого хода и короткого замыкания нагрузки, термозащиту, автоматическую регулировку усиления, автоматический переключатель на прием и передачу. Резистивный делитель мощности, выполненный на резисторах R2, R3 и R5, обеспечивает синфазное возбуждение входов канальных усилителей и согласование радиостанции с входом удлинителя. Резистивный делитель мощности, выполненный на резисторах R2, R3 и R5, обеспечивает синфазное возбуждение входов канальных усилителей и согласование радиостанции с входом удлинителя. Однокаскадные канальные усилители выполнены на транзисторах VT4 и VT6, которые работают в режиме с отсечкой коллекторного тока. Стабилизация угла отсечки обеспечивается стабилизатором напряжения базового смещения на транзисторах VT8 и VT9 [1]. Требуемый угол отсечки устанавливается подбором номинала резистора R19, стоящего в цепи базы транзистора VT9. При отсутствии резистора R19 коллекторные токи транзисторов VT4 и VT6 составляют 30...100 мА. При подключении R19 напряжение на базе транзистора VT9 уменьшается и его выходное сопротивление по постоянному току растет, что приводит к увеличению базового смещения транзисторов VT4, VT6 и увеличению их коллекторных токов. В канальных усилителях использованы полосовые корректирующие цепи четвертого порядка, обеспечивающие высокие технические характеристики усилителя и обладающие простотой конструктивной реализации и настройки [2]. Оптимальное сопротивление нагрузки мощного транзистора, на которое он отдает максимальную мощность, составляет единицы Ом [3]. Поэтому на выходах канальных усилителей включены трансформаторы импедансов с коэффициентом трансформации 1:25, выполненные в виде фильтров нижних частот пятого порядка [4] и состоящие из элементов C10, L11, C13, L13, C15 и C11, L12, C14, L14, C16. Выходы трансформаторов импедансов подключены к входам кольцевого сумматора [5], выполненного на элементах R18, L15-L18, C20-C24. С увеличением рассогласования нагрузки удлинителя с его выходным сопротивлением увеличивается напряжение, снимаемое с выхода отраженной волны направленного ответвителя НО. Это напряжение детектируется детектором на диоде VD8, усиливается транзисторами VT7, VT5 и открывает полевой транзистор VT2. Сопротивление сток-исток транзистора VT2 уменьшается, что приводит к уменьшению сигналов подаваемых на входы канальных усилителей, то есть к уменьшению коэффициента усиления удлинителя. Поэтому мощность сигнала на выходе удлинителя падает пропорционально росту рассогласования нагрузки. Направленный ответвитель HO выполнен из двух проводов марки МГТФ 1х0,35 длиной 150 мм, намотанных вплотную друг к другу на цилиндрический изолятор диаметром 7 мм, который помещается затем в заземленный металлический цилиндрический экран [6]. В рабочем диапазоне частот усилителя переходное затухание HО равно 30 дБ. Порог срабатывания схемы защиты от рассогласования удлинителя по выходу устанавливается выбором резистора R24. В качестве изолятора НО может быть использован деревянный цилиндр, который виден на фотографии, приведенной на рис. 3. Установка схемы термозащиты, выполненной на транзисторе VT3, на заданную температуру срабатывания осуществляется с помощью резистора R7 [5]. Диод VD7 установлен для защиты транзисторов удлинителя от пробоя при неправильном выборе полярности напряжения питания. При усилении сигналов с амплитудной модуляцией следует замыкать ключ S1 для включения системы автоматической регулировки усиления. Это необходимо для устранения возможности перегрузки канальных усилителей мощным входным сигналом. При отсутствии входного воздействия реле P1 и P2 соединяют вход удлинителя с его выходом как это показано на рис. 1. При включении радиостанции на передачу входной сигнал детектируется детектором на диоде VD1, открывает транзистор VT1 и происходит автоматическое переключение реле P1 и P2 на передачу. Изготовление и настройка удлинителя состоит из следующих этапов. Печатная плата (рис. 2) размером 135х115 мм изготавливается из фольгированного с двух сторон стеклотекстолита толщиной 2...3 мм. Пунктирной линией на рис. 2 обозначены места металлизации торцов, что может быть сделано с помощью металлической фольги, которая припаивается к нижней и верхней части платы. Металлизация необходима для устранения паразитных резонансов и заземления нужных участков печатной платы. После металлизации торцов напильником выравнивается нижняя часть платы, и она прикручивается к дюралевому основанию (см. рис. 3). Транзисторы VT4 и VT6 крепятся к основанию с использованием теплопроводящей пасты. При креплении транзисторов VT8 и VT9 также используется теплопроводящая паста. Однако между транзисторами и основанием следует устанавливать слюдяную прокладку и перед настройкой усилителя следует с помощью тестера убедиться в том, что не нарушена изоляция между коллекторами транзисторов VT8, VT9 и земляной шиной. Один из выводов элементов L11, C13, C15 и L12, C14, C16 трансформаторов импедансов припаивается к металлизированным площадкам керамических подложек размером 12х6 мм. У индуктивностей L13 и L14 оба вывода припаиваются к металлизированным площадкам подложки. Подложка, как видно на фотографии, прижата к основанию стеклотекстолитовой пластиной. Нижняя часть подложки перед установкой смазывается теплопроводящей пастой. Это необходимо для устранения перегрева элементов трансформатора, которые иначе выгорают после 30-40 секунд работы усилителя. Если нет возможности напыления металлизированных площадок на керамическую подложку, в качестве металлизированных площадок могут быть использованы металлические пластинки размером 6х6 мм, прижатые к керамике с использованием теплопроводящей пасты. Терморезистор R4 схемы термозащиты устанавливается в отверстии печатной платы и приклеивается к основанию эпоксидным клеем. Вначале производится настройка канальных усилителей. Для этого нагрузка удлинителя подключается после конденсатора C17. Вместо индуктивности L6 устанавливается двухваттный резистор номиналом 10 Ом и с помощью резистора R19 ток покоя транзистора VT4 устанавливается равным 0,1...0,2 А. Двухваттный резистор необходим для защиты транзистора VT4 от выгорания при возможном самовозбуждении схемы во время настройки. Сигнал от генератора подается на резистор R3 и с помощью изменения номинала конденсатора C5 изменяется центральная частота полосы пропускания каскада, изменением номинала конденсатора C4 регулируется ширина полосы пропускания каскада. Чем больше номинал конденсатора C4, тем больше полоса пропускания каскада, чем больше номинал конденсатора C5, тем меньше его центральная рабочая частота. Аналогичным образом настраивается каскад на транзисторе VT6. После формирования амплитудно-частотных характеристик канальных усилителей, которое ведется в режиме малого сигнала, резистор R19 выпаивается из схемы, на их входы поочередно подается амплитудно-модулированный сигнал и проверяется отсутствие самовозбуждения каждого из канальных усилителей при различных уровнях входного воздействия. В случае их самовозбуждения следует немного уменьшить номиналы индуктивностей L11 и L12, излишняя величина которых чаще всего бывает причиной самовозбуждения. Затем 10-омные резисторы в коллекторных цепях транзисторов VT4 и VT6 заменяются элементами L6, L10 и осуществляется измерение максимальной величины выходной мощности настраиваемых канальных усилителей. Варьируя в небольших пределах величинами элементов трансформаторов импедансов C13, C15 и C14, C16 необходимо подстроить усилители на минимум потребляемого тока при выходной мощности каждого 65...70 Вт. Правильно настроенные канальные усилители при выходной мощности 70 Вт должны потреблять ток равный 8...10 А. Теперь возбуждение подается на вход удлинителя, а выходы канальных усилителей подключаются к входам кольцевого сумматора. Если оба канальных усилителя настроены одинаково, то их мощность будет складываться в нагрузке. В этом случае балластный резистор не должен нагреваться. В противном случае следует на 5...10 % изменить номинал одного из конденсаторов C5 и C8. Это практически не сказывается на полосе пропускания канальных усилителей, но позволяет значительно изменять фазу усиленных сигналов. При работе на стандартную нагрузку 50 либо 75 Ом и уровне выходного сигнала равном 120 Вт на выходе детектора, выполненного на диоде VD8, напряжение должно быть не более 0,2...0,5 вольта. В противном случае следует так подобрать балластное сопротивление направленного ответвителя R22, чтобы это напряжение было минимальным. Далее при уровне выходной мощности 120 Вт параллельно стандартной нагрузке 50 Ом периодически подключается двухваттный резистор 50 Ом и с помощью изменения номинала резистора R24 устанавливается порог срабатывания схемы защиты от холостого хода и короткого замыкания нагрузки. В случае правильного выбора резистора R24 подключение дополнительного двухваттного резистора 50 Ом к выходу усилителя должно приводить к небольшому уменьшению потребляемого усилителем тока. В этом случае короткое замыкание нагрузки или ее холостой ход будут сопровождаться уменьшением тока потребления в 3...5 раз. Затем ключ S1 замыкается и подбором резистора R21 уровень выходной мощности удлинителя устанавливается равным 100...110 Вт. Выбором резистора R7 устанавливается заданная температура срабатывания схемы термозащиты. Чтобы во время настройки удлинителя термозащита не мешала работе, диод VD2 следует припаивать перед настройкой схемы термозащиты. В последнюю очередь необходимо выбором резистора R1 настроить удлинитель на мощность входного сигнала, при которой реле P1 и P2 переключаются на передачу. Настроенный описанным выше способом удлинитель имеет следующие технические характеристики: максимальная выходная мощность 120 Вт; полоса рабочих частот.26...29 МГц; коэффициент усиления 13 дБ; напряжение питания 13,8 В; потребляемый ток в режиме молчания 0,2 А; максимальное значение потребляемого тока 18 А; при коротком замыкании либо отключении нагрузки потребляемый ток уменьшается до 4...6 А; сопротивление генератора и нагрузки 50 либо 75 Ом; габаритные размеры корпуса удлинителя 140х125х35 мм. Литература
Советую попробовать, не пожалеете! Удачи и 73 !!! |


