Что-то не так?
Пожалуйста, отключите Adblock.
Портал QRZ.RU существует только за счет рекламы, поэтому мы были бы Вам благодарны если Вы внесете сайт в список исключений. Мы стараемся размещать только релевантную рекламу, которая будет интересна не только рекламодателям, но и нашим читателям. Отключив Adblock, вы поможете не только нам, но и себе. Спасибо.
Как добавить наш сайт в исключения AdBlockРеклама
Полосовой телевизионный усилитель мощности с повышенной линейностью амплитудной характеристики
Широкополосный усилитель мощности
Скачать статью в одном файле (193 Кб) При построении перестраиваемых генераторов напряжений, систем линейной и нелинейной радиолокации, для проверки и настройки мощных передатчиков может быть полезен широкополосный усилитель с выходной мощностью 10...12 Вт и предназначенный для работы от генераторов стандартных сигналов с выходным напряжением 0,7 В. Технические характеристики усилителя:
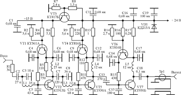
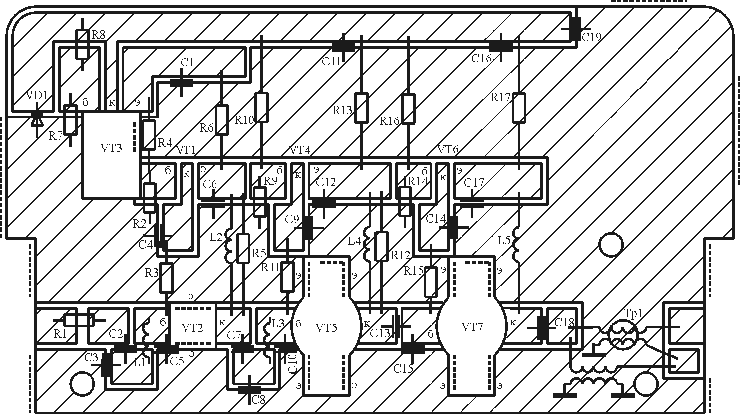
Принципиальная схема такого усилителя приведена на рис. 1. На рис. 2 приведен чертеж печатной платы, а на рис. 3 фотография внешнего вида усилителя. Рис 1. Принципиальная схема усилителя (щелкните мышью для увеличения) Усилитель содержит три каскада усиления на транзисторах VT2, VT5, VT7, трансформатор импедансов TP1, стабилизатор напряжения на транзисторе VT3. Все каскады усилителя работают в режиме с фиксированной рабочей точкой со следующими токами покоя: транзистор VT2– 0,4 А; VT5– 0,8 А; VT7– 2,5 А. Стабилизация токов покоя каскадов достигается благодаря применению активной коллекторной термостабилизации [1], а сами токи покоя устанавливаются подбором номиналов резисторов R4, R10 и R16. Увеличение номиналов этих резисторов приводит к увеличению токов потребления и наоборот. Во всех каскадах усилителя, кроме оконечного, использованы реактивные межкаскадные корректирующие цепи пятого порядка [2], где в качестве одного из элементов корректирующей цепи используется реактивная составляющая входного импеданса транзистора [3]. В оконечном каскаде использована корректирующая цепь третьего порядка [2]. Оптимальное сопротивление нагрузки мощного транзистора, на которое он отдает максимальную мощность, составляет единицы ом [4]. Поэтому между выходным каскадом и нагрузкой усилителя включен трансформатор импедансов ТР1 с коэффициентом трансформации 1:4, выполненный на ферритовом сердечнике М2000НМ 20х10х5 с использованием длинных линий с волновым сопротивлением 25 Ом и длиной 15 см. Длинные линии трансформатора изготовлены из четырех скрученных проводов марки ПЭЛ диаметром 0,25...0,35 мм. Методика изготовления длинных линий заключается в следующем. Берется два квадрата из стеклотекстолита со сторонами 3...4 см с просверленными дырочками в каждом из углов квадрата. В дырочки вставляются и закрепляются четыре провода. Один из квадратов закрепляется неподвижно, а второй вращается с помощью дрели. Для этого в его середине просверливается отверстие, в которое вставляется винт, вращающий квадрат. На сантиметр длины линии должно приходиться около четырех скруток. Затем от полученной четырехпроводной линии отрезается отрезок требуемой длины, и концы близлежащих проводов спаиваются между собой. На фотографии (рис. 3) видно, что ферритовое кольцо с намотанной на него длинной линией укрепляется в корпусе усилителя с помощью двух стеклотекстолитовых квадратов, между которыми это кольцо устанавливается. Следует иметь ввиду, что перед намоткой длинной линии на ферритовое кольцо его необходимо обмотать каким либо изолятором, например таким, какой применяется при изготовлении силовых трансформаторов. Транзистор VT3 стабилизатора напряжений укрепляется на основании с использованием слюдяной прокладки намазанной теплопроводной пастой. Это необходимо для изоляции коллектора транзистора VT3 от общей шины при одновременном сохранении его хорошей теплоотдачи. Транзисторы VT2, VT5, VT7 крепятся к основанию также с использованием теплопроводной пасты. Рис. 2 Чертеж печатной платы (щелкните мышью для увеличения) Печатная плата (рис. 2) размером 125х70 мм изготавливается из фольгированного с двух сторон стеклотекстолита толщиной 2-3 мм. Пунктирной линией на рис. 2 обозначены места металлизации торцов, что может быть сделано с помощью металлической фольги, которая припаивается к нижней и верхней части платы. Металлизация необходима для устранения паразитных резонансов и заземления нужных участков печатной платы. После металлизации торцов с помощью напильника выравнивается нижняя часть платы, и она прикручивается , как это видно на фотографии, к корпусу. Настройка усилителя состоит из следующих этапов.Вначале производится покаскадная настройка амплитудно-частотной характеристики (АЧХ) усилителя. Для этого с помощью резисторов R4, R10 и R16. устанавливаются токи покоя транзисторов VT2, VT5 и VT7. Затем в качестве нагрузки транзистора VT2 через разделительный конденсатор подключается резистор 50 Ом. Подбором ёмкости конденсатора C3 достигается равномерная АЧХ каскада в области нижних и средних частот полосы пропускания. Подбором ёмкости конденсатора C5 достигается выравнивание АЧХ в области верхних частот полосы пропускания. Если этого не удается достичь, следует уменьшить величину конденсатора C2. Далее к первому каскаду подключается второй и процесс настройки повторяется. В отличие от первых двух каскадов настройка выходного каскада производится при подключении нагрузки к выходу усилителя. После формирования АЧХ усилителя в режиме малого сигнала минимизируются токи потребления его каскадов. Для этого в рабочей полосе частот находится точка, в которой выходная мощность усилителя минимальна. На этой частоте при выходной мощности 12 Вт уменьшаются токи потребления каскадов до величины, при которой начинается заметное уменьшение выходной мощности усилителя. Мощность, потребляемая усилителем от источника питания, составляет около 90 Вт. Поэтому при длительной работе усилителя его необходимо устанавливать на радиатор с использованием принудительной вентиляции. Рис. 3 Фотография внешнего вида усилителя. (щелкните мышью для увеличения) Литература
Советую попробовать, не пожалеете! Удачи и 73 !!! |


