Что-то не так?
Пожалуйста, отключите Adblock.
Портал QRZ.RU существует только за счет рекламы, поэтому мы были бы Вам благодарны если Вы внесете сайт в список исключений. Мы стараемся размещать только релевантную рекламу, которая будет интересна не только рекламодателям, но и нашим читателям. Отключив Adblock, вы поможете не только нам, но и себе. Спасибо.
Как добавить наш сайт в исключения AdBlockРеклама
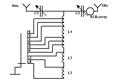
Антенный тюнер - Т-образное согласующее устройство
Антенный тюнер - Т-образное согласующее устройство
Эта схема антенного согласующего устройства срисована с фирменного Alinco EDX-1 HF ANTENNA TUNER , который работал с DX -70 и другими трансиверами, результаты отличные.
Детали:
Но, к сожалению, в то время я не смог найти подходящих колец и поступил так: Выточил из оргстекла кольца и на них намотал провода до заполнения. Соединил их последовательно – это получился эквивалент L2. На оправке диаметром 18 мм (можно использовать пластиковую гильзу от охотничьего ружья 12 калибра) виток к витку намотал 36 витков – это получился аналог L3.
Детали для изготовления тюнера абсолютно доступные. На снимке все видно. И КСВ-метр тоже. КСВ метр из описания Тарасова А. UT2FW «КВ-УКВ» № 5 за 2003 год. Все вопросы направлять: ra0jw (at) mail . ru Успехов 73! RA0JW С.Кадыров
|

