Что-то не так?
Пожалуйста, отключите Adblock.
Портал QRZ.RU существует только за счет рекламы, поэтому мы были бы Вам благодарны если Вы внесете сайт в список исключений. Мы стараемся размещать только релевантную рекламу, которая будет интересна не только рекламодателям, но и нашим читателям. Отключив Adblock, вы поможете не только нам, но и себе. Спасибо.
Как добавить наш сайт в исключения AdBlockРеклама
Устройство контроля за поворотом антенны
Устройство контроля за поворотом антенны.
(для обсуждения) Ввиду того, что сельсины дефицитны, потенциометрические датчики имеют так называемую мертвую зону и довольно сложны в точной настройке, а остальные, известные мне датчики, имеют малую дискретность (герконы, замыкаемые площадки и т.д.), хотелось бы предложить еще один способ индикации направления антенны. На мой взгляд, при достаточной простоте электрической и механической составляющих предлагаемой конструкции, точность отсчета приближается к точности датчиков на сельсинах.
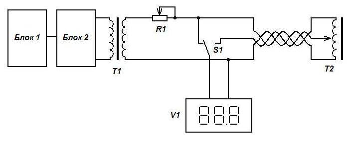
Рис. 1 где: Порядок работы следующий: переключатель S1 устанавливаем в левое по схеме положение и переменным резистором R1 устанавливаем напряжение на трансформаторе Т2 такое, чтобы вольтметр показал напряжение 36,0 вольта. Переводим переключатель S2 в правое положение и на дисплее вольтметра считываем показания, пропорциональные углу поворота антенны (показания прибора будут соответствовать углу поворота антенны в градусах, делённому на 10). Преимущества: отсчет поворота антенны производится в градусах в цифровом виде.
Рис. 2 На рисунке: Если на входе усилителя установить потенциометр, регулирующий амплитуду напряжения с генератора (своего рода «регулятор громкости»), то резистор R1 можно исключить. Начальное напряжение 36,0 в можно также устанавливать, если использовать регулируемый стабилизатор напряжения, но это усложнит устройство. Удобнее запитывать блок «генератор-усилитель» от штатного источника питания 13,7 в. Конструкция автотрансформатора показана на рис. 3. Катушка наматывается на кольцевом сердечнике. Между начальным и конечным выводами вставлена изолирующая пластина из тонкого стеклотекстолита. Ее форма такова, чтобы токосъемник свободно проходил полный круг. Габаритные размеры и намоточные данные зависят от каждого конкретного случая и здесь не приводятся.
Если эта конструкция вызовет интерес, возникнут предложения или вопросы, со мной можно связаться по E-mail: ra3vgq (at) mail.ru , через форму обратной связи на сайте Совета Владимирского радиоклуба http://rw3va.qrz.ru или во Владимирском репитере на частоте 145 625 МГц. |

