Что-то не так?
Пожалуйста, отключите Adblock.
Портал QRZ.RU существует только за счет рекламы, поэтому мы были бы Вам благодарны если Вы внесете сайт в список исключений. Мы стараемся размещать только релевантную рекламу, которая будет интересна не только рекламодателям, но и нашим читателям. Отключив Adblock, вы поможете не только нам, но и себе. Спасибо.
Как добавить наш сайт в исключения AdBlockРеклама
Малогабаритная антенна для работы на 7, 10 и 14 Мгц
Малогабаритная антенна для работы на 7, 10 и 14 Мгц
В этой небольшой статье я хочу рассказать об изготовлении и настройке КВ антенны с пространственно укороченными элементами, выпонеными в виде спиралей небольшого диаметра и длиной до нескольких метров. Многие, ошибочно, называют такие антенны спиральными. Это неверно потому, что под определение «спиральные антенны» подходят антенны у которых диаметр витка спирали и шаг между витками соизмеримы с длиной волны (такие антенны используются на очень высоких частотах). В книге К. Ротхаммеля «Антенны» (изд. «Энергия», 1979 г.) в Главе 6 «Антенны с пространственно укороченными элементами» описываются антенны изготовленные радиолюбителями - двухэлементный волновой канал радиолюбителя W8YIN и трехэлементная антенна радиолюбителя VK2AOU. Эти антенны обладают хорошими характеристиками и несложны в изготовлении. Однако в любом случае эти антенны предполагают установку их на крыше здания. Я же поставил перед собой задачу изготовить антенну которая могла бы быть установлена на балконе, в лоджии, на небольшом кронштейне возле окна.
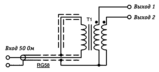
Согласующее устройство.Теперь о согласующем устройстве. В этой конструкции я применил согласующее устройство описанное в статье «Антенна на несколько диапазонов конструкции G5IJ» французского радиолюбителя Luc Pistorius F6BQU опубликованной на www.rf.atnn.ru/s10/antennes2-ru.html Описывать его конструкцию я не буду, она прекрасно расписана в статье. Единственное что я хочу заметить, это согласующее устройство предназначено для работы с вертикальными антеннами гораздо больших размеров и без противовесов. Для улучшения работы антенны моей конструкции я предусмотрел подключение противовеса, он подключается к общей точке соединения обмоток согласующего устройства, см. рис 3. Это дало возможность значительно уменьшить уровень как принимаемых, так и излучаемых помех. В качестве противовеса я использовал металлическое ограждение балкона.
Схема широкополосного трансформатора - http://www.rf.atnn.ru/s10/antennes2-ru.html Немного о конструкции самой антенны. Здесь все зависит от материалов, которые вы можете приобрести. В моем случае я использовал две поливинилхлоридные трубы (PVC) диаметром около 50 мм и длиной, зависящей от места установки (по высоте), но, желательно не менее 1,5 м. Обмоточный провод в эмалевой изоляции (ПЭВ, ПЭЛ и др.) около 42 м. На каждую трубу по длине 1,35 м было намотано по 21 м провода. Плечи антенны расположены вертикально, на расстоянии друг от друга 0,8-1,0 м. Коробка с согласующим устройством закреплена точно по центру между плечами, хотя место ее расположения не регламентируется. Также проводился эксперимент с разнесением плеч антенны на расстояние 3,5 м (насколько позволила длина балкона), но какой-либо разницы в при работе в эфире замечено не было. Настраивается антенна очень просто, достижением минимального КСВ на диапазоне 40 м. Для этого на одном плече (второе не подключено) просто отматывается часть провода. Для моего варианта исполнения и расположения антенны получилось 20,2 м. Затем столько же провода оставляется на втором плече. После подключения второго плеча к согласующему устройству КСВ антенны немного ползет вверх, но зато антенна получается широкополосной и при применении антенного тюнера она хорошо настраивается на три диапазона 40, 30 и 20 м. Антенна в окончательном варианте была установлена вне балкона на кронштейне (см. фото) возле окна, в непосредственной близости от трансивера. В любом случае я хочу заметить, что применение таких компромиссных антенн не может заменить полноценной, полноразмерной антенны. Но для меня, по крайней мере, явилось хорошим выходом из сложившейся ситуации. И еще, пусть никого не смущает немного завышенный КСВ (около 2), с такими значениями КСВ работают и на серьезных, профессиональных антеннах. Из своего опыта работы в эфире на этой антенне могу сказать, что работает она на «хорошо», несмотря на свои размеры. Я не могу сказать, что QSO с DX станциями удаются сразу, приходиться немного попотеть, но я должен сказать что это особенно приятно, когда работаешь с Японией (30 м), Австралией (40 м) или Штатами (20 и 30 м), и рапорт дают не ниже 559!
Антенна на балконе
Антенна на кронштейне возле окна. Конструктивно эта антенна выполнена таким образом:
Внешний вид согласующего устройства ( рисунок 3 ) приведен ниже. Эта антенна была собрана буквально за полдня и , естественно, первым желанием было сразу же попробовать ее без проведения измерений и настроек. Поэтому есть возможность для проведения экспериментов и ее усовершенствования.
Согласующее устройство При работе на диапазонах КСВ был не хуже 1:1,1. За две недели работы в эфире было сделано около сотни CW QSO почти со всеми странами Европы, Прибалтики, многими областями Украины , Европейской части России , Казахстаном, Турцией . Оценка сигнала корреспондентами давалась в пределах 569 – 599. Эта антенна очень хорошо настраивается и на диапазон 80 м, но на этом диапазоне она может быть использована только для QSO с ближними корреспондентами. На дипазоне 18 МГц она тоже работает, но КСВ резко возрастает до 2. Используемая аппаратура:
05.09.2006 Комментарий Юрия UR4EF:При моделировании на MMANA получилось входное сопротивление около 2,5 Ома, диаграмма круговая и похожа на диаграмму вертикального GP.. ВЫВОДЫ: если разнести половинки антенн на 3-4 метра друг от друга, соответсвенно уменьшив число витков намотанных... т.е. длину намотки на увеличение расстояния между половинками антенн, то входное сопротивление повышается до 25 Ом !!!! а значит и значительно повышается КПД антенны.. 26.10.2006 Модернизация малогабаритной антенны для работы на 7, 10 и 14 Мгц06.03.2007 Модернизация малогабаритной антенны для работы на 7, 10 и 14 МгцПосле ряда испытаний была проведена следующая доработка антенны:
После этой доработки уменьшился уровень принимаемых помех, значение КСВ для разных диапазонов осталось прежним. Поскольку антенна довольно-таки широкополосная необходимо обязательно использовать антенный тюнер. В очередной раз хочу сказать, что эта антенна никак не может заменить полноразмерную антенну с хорошей высотой подвеса, она может только в какой-то мере позволить коротковолновику работать в эфире, при невозможности установки нормальной полноразмерной антенны. Желаю всем успехов и поменьше QRM!
|

Хотя она и давала небольшой выигрыш на диапазоне 40 м, но не очень хорошо работала на диапазонах 30 и 20 м. В конце концов, после дополнительных испытаний, я вернулся к первоначальной схеме антенны рис. 2. Правда внес небольшие изменения в части длины намотанного на плечи провода. В окончательном варианте длина провода намотанного на каждую трубу составила 20,2 м. 

