Что-то не так?
Пожалуйста, отключите Adblock.
Портал QRZ.RU существует только за счет рекламы, поэтому мы были бы Вам благодарны если Вы внесете сайт в список исключений. Мы стараемся размещать только релевантную рекламу, которая будет интересна не только рекламодателям, но и нашим читателям. Отключив Adblock, вы поможете не только нам, но и себе. Спасибо.
Как добавить наш сайт в исключения AdBlockРеклама
Простой УМЗЧ
Простой УМЗЧ
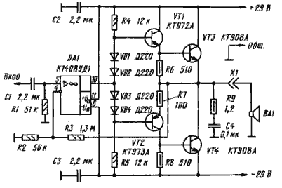
Предлагаемый усилитель мощности ЗЧ, несмотря на свою простоту, может быть использован в бытовом стерео комплексе. Он обладает высокой термостабильностью, работает от нестабилизированного источника питания. Усилитель легко повторяем, не требует подбора транзисторов предоконечного и оконечного каскадов. Основные технические характеристики усилителя: номинальное входное напряжение - 0,7 В; входное сопротивление - 50 кОм; номинальная выходная мощность на частоте 1 кГц - 70 Вт на нагрузке 4 Ом и 35 Вт на нагрузке 8 Ом; диапазон усиливаемых частот при неравномерности АЧХ не более 1 дБ - 10...30 000 Гц; коэффициент гармоник при номинальной выходной мощности и в указанном диапазоне частот - не более 0,1%; относительный уровень шумов - не более -95 дБ; выходное сопротивление - 0,04 Ом. Принципиальная схема усилителя приведена на рисунке.
Усилитель напряжения собран на высоковольтном ОУ КР1408УД1 (DA1), предоконечный каскад - на транзисторах разной структуры КТ972А (VT1) , и КТ973А(УТ2), а оконечный усилитель тока - на транзисторах КТ908А (VT3, VT4). Функции фазоинвертора выполняет каскад на транзисторе VT2. Усилитель охвачен цепью ООС. Напряжение ООС снимается с его выхода и через делитель R3R2 подается на инвертирующий вход ОУ DA1. Выходное напряжение практически равно напряжению на выходе ОУ. Коэффициент усиления всего устройства K=1+R3/R2. Для устранения искажений типа "ступенька" на базы транзисторов VT1, VT2 подано небольшое напряжение смещения, создаваемое на цепочке диодов VD1-VD4. Ток покоя устройства не превышает 20...30 мА, для его стабилизации диоды VD1-VD4 должны иметь тепловой контакт с теплоотводами транзисторов выходного каскада. Цепь R9C4 предотвращает самовозбуждение усилителя на высших звуковых частотах и при отключении нагрузки. Для этой же цели установлены конденсаторы С2, СЗ. Их необходимо разместить вблизи микросхемы DA1. При сборке усилителя использованы постоянные резисторы МЛТ-0,125 (R1-R4) и МЛТ-0,5 (R6-R9). Все конденсаторы - КМ-6. Диоды Д220 можно заменить любыми высокочастотными, Использовать другие микросхемы и транзисторы не рекомендуется, поскольку это приведет к изменению параметров УМЗЧ. Оконечные транзисторы установлены на теплоотводах площадью 400 см2. Будут вопросы, пожелания, предложения - пишите. Юрий yooree (at) inbox.ru |