Что-то не так?
Пожалуйста, отключите Adblock.
Портал QRZ.RU существует только за счет рекламы, поэтому мы были бы Вам благодарны если Вы внесете сайт в список исключений. Мы стараемся размещать только релевантную рекламу, которая будет интересна не только рекламодателям, но и нашим читателям. Отключив Adblock, вы поможете не только нам, но и себе. Спасибо.
Как добавить наш сайт в исключения AdBlockРеклама
Полный автостоп в кассетном магнитофоне
|
Далеко не каждый отечественный магнитофон имеет в своем составе столь полезное устройство, как полный автостоп. Суть работы таких устройств состоит в том, что при срабатывании автоостанова ЛПМ через некоторое время магнитофон полностью отключается от сети.
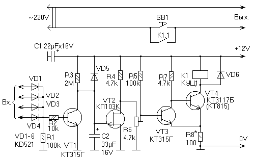
Рис1. Принципиальная схема полного автостопа.
Устройство работает следующим образом. Сразу после включения питания кнопкой SB1 конденсатор С2 начинает заряжаться через резистор R3. Пока напряжение на нем мало, полевой транзистор открыт, следовательно, VT3 -- закрыт, а VT4 -- открыт. Реле замыкает свои контакты и блокирует ими кнопку SB1. Даже в случае кратковременного нажатия реле успевает срабатывать и остается во включенном состоянии. Сетевое напряжение подается на магнитофон. Со временем напряжение на конденсаторе С2 растет, при некотором пороге происходит запирание транзистора VT2, далее открывается VT3, закрывается VT4 и реле размыкает свои контакты -- магнитофон отключается. Задержка отключения определяется постоянной времени цепочки R3C2 и кроме того, это время может регулироваться в пределах от нескольких секунд до 2 минут подстроечным резистором R6. Наиболее удобно, если это время равно примерно 1.5 мин. Если же в магнитофоне задействован хоть один режим (рабочий ход, перемотка ленты, запись и т.п.), то сигнал высокого уровня, который подается на аноды диодов VD-VD4, открывает транзистор VT1, который не позволяет заряжаться конденсатору С2. Реле остается во включенном состоянии как угодно долго. Как только магнитофон перейдет в режим "Стоп", на всех входах автостопа должны быть низкие (почти нулевые) напряжения. С этого момента начинается "отсчет" времени. Устройство может иметь любое число входов, главное, чтобы при включении любого режима работы хотя бы на одном из них появлялся положительный потенциал 4-15В. В качестве сигналов перемоток и рабочего хода можно использовать напряжения, подаваемые на электромагниты, или сигналы от платы управления. При необходимости в схему можно ввести выключатель -- нормально разомкнутую кнопку, контакты которой при нажатии замыкают базу и эмиттер VT4, принудительно обесточивая обмотку реле.
О деталях.Полевой транзистор -- любой из серии КП103, биполярные -- КТ315Б,Е,Г, 3102 с любыми буквами. Если ток реле более 150 мА, то в качестве VT4 надо применить КТ3117 или КТ815 с любой буквой. Реле должно устойчиво срабатывать при напряжении 9-10В и рассчитано на коммутацию сетевой нагрузки 220В, 0.5А. Идеально подходят КУЦ1, но можно применить и любые подходящие. В некоторых случаях может понадобиться изменить сопротивление резистора R8, чем оно меньше, тем большим будет ток в обмотке реле. Кнопка SB1 -- любая сетевая малогабаритная, например, КМ1, М405 и т.п.
Настройка.Движок R6 выводят в нижнее по схеме положение и включают магнитофон. По истечении требуемого времени (в пределах 5с-2мин) плавно поворачивают движок резистора до момента отключения реле. При необходимости регулировку повторяют.
Большая просьба о результатах повторения устройства написАть автору материала по адресу andr (at) chspu.edu.ua.
А.М. Шарый |
