LAB599.RU — интернет-магазин средств связи
EN FR DE CN JP

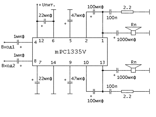
Усилитель мощности НЧ на ИМС mPC1335V

Усилитель мощности НЧ на ИМС mPC1335V

Усилитель мощности на mPC1335V

Усилитель мощности на mPC1335V

Параметр Значение
Uпит. 6-20 V
Pвых.(Rn=8ом) 2*7 W
Fраб. 20-20000 Hz



Партнеры