Что-то не так?
Пожалуйста, отключите Adblock.
Портал QRZ.RU существует только за счет рекламы, поэтому мы были бы Вам благодарны если Вы внесете сайт в список исключений. Мы стараемся размещать только релевантную рекламу, которая будет интересна не только рекламодателям, но и нашим читателям. Отключив Adblock, вы поможете не только нам, но и себе. Спасибо.
Как добавить наш сайт в исключения AdBlockРеклама
Выходные каскады УЗЧ на электронных лампах
Выходные каскады УЗЧ на электронных лампах
В зарубежных усилителях широко используются отечественные электронные лампы 6ПЗС-Е, 6Н23П-ЕВ, 6СЗЗС и др. Интерес к ламповым усилителям на западе в основном поддерживается российской фирмой "СОВТЕК". С конца 80-х годов фирма поставляет 26 наименований ламп. Известными производителями электронных ламп в России являются также Ульяновский ламповый завод и петербургский зовод "Светлана". Украинские ламповые усилители за рубежом представлены типом "Omak". Комплект усилителя включает предварительный усилитель "Оmak Jewel Two" и усилитель мощности "Оmak Jewel One"'. Усилитель мощности построен по двухтактной схеме на пентодах 6П36С. Выходная мощность усилителя 50 Вт при нагрузке 80 Ом и 80 Вт при нагрузке 4 Ом. Стоимость такого усилителя 1000 дол. На отечественном рынке появилась новая серия ламповых линейных усилителей
класса А, выпущенных петербургской фирмой "СПб Саунд". Усилители
построены на лампах Е88СС, 588WXT, 6550. В качестве переходных конденсаторов
используются только пленочные, ламповые панельки керамические. Выходная
мощность при нагрузке 8 Ом 2x20 Вт или 2x30 Вт. Диапазон частот по уровню
—3 дБ в первом случае 15...45000 Гц, во втором - 15...35000 Гц. Отрицательной
обратной связи в усилителях нет. По стоимости усилители в два раза дешевле
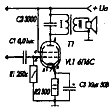
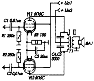
аналогичных зарубежных. Выходные каскады усилителей выполнены по однотактной, двухтактной и реже бестрансформаторной схемам (рис. 1-3). В выходных каскадах часто применено параллельное включение ламп.
Блоки питания усилителей построены на кенотронах типа 5ЦЗС и 5Ц4М. Силовые
трансформаторы помещены в отдельный экранированный отсек и развернуты
к выходному трансформатору на 90°, что позволяет уменьшить паразитные
электромагнитные наводки на выгодной каскад. Ламповые усилители имеют разъемы для подключения разнообразных источников
сигнала: от двух различных магнитофонов, проигрывателя обычных пластинок
и лазерных компакт-дисков и др. Ламповые усилители продаются за рубежом в специальных магазинах Hi- Fi
(обычно черные вывески с надписью красными буквами Hi-Fi). В табл. 1 приведены данные выходных трансформаторов для однотактных каскадов.
Некоторые типы зарубежных электронных памп и аналогичных им отечественных
приведены в табл.2. Таблица 1.
* - Общее сопротивление включенных громкоговорителей Таблица 2
| |||||||||||||||||||||||||||||||||||||||||||||||||||||||


