Что-то не так?
Пожалуйста, отключите Adblock.
Портал QRZ.RU существует только за счет рекламы, поэтому мы были бы Вам благодарны если Вы внесете сайт в список исключений. Мы стараемся размещать только релевантную рекламу, которая будет интересна не только рекламодателям, но и нашим читателям. Отключив Adblock, вы поможете не только нам, но и себе. Спасибо.
Как добавить наш сайт в исключения AdBlockРеклама
Симметричный усилитель НЧ
Симметричный усилитель НЧ
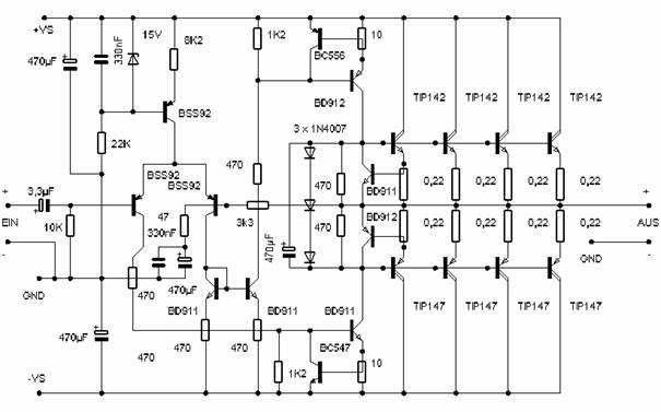
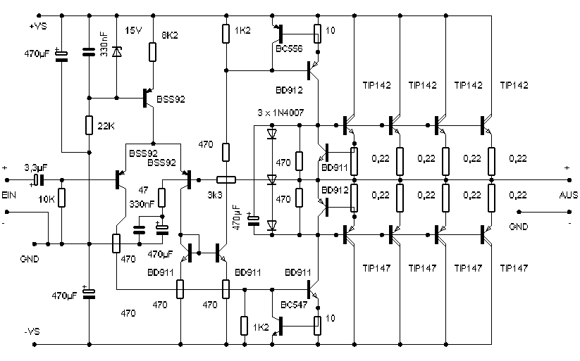
Предлагаю Вам интересную схему симметричного усилителя низких частот, найденную мною на немецком саите . По своим данным он мне сразу понравился, и я его собрал. Собраный из исправных деталий Фотографии этого усилителя можно посмотреть на странице Sym-Amp там можно и оригинальный текст почитать, Краткие характеристики усилителя:Мощность при 8Ом - 145Вт синус Усилитель можно нагрузить и на 2Ом ,необходимо только заменить сопротивления 0,33Ом на более мощные и понизить напряжение питания. Принципиальная схема:Детали:
Ещё: Плата 160 x 100 mm Транзисторы BSS92 я заменил на BC556,BC557. Русские аналоги транзисторов я не знаю, поэтому напишу краткие данные:
Печатная платаВид снизу Вид сверху Питание:Двухполярный источник питания с напряжением +- 25-50Вольт , в зависимости от необходимой мощности.Конденсаторы примерно по 10000-20000мф на плечо. Диодный мост на 15-25А.Трансформатор 2х18 – 2х35В.
Примерная схема блока питания Внешний вид усилителя
|





