Что-то не так?
Пожалуйста, отключите Adblock.
Портал QRZ.RU существует только за счет рекламы, поэтому мы были бы Вам благодарны если Вы внесете сайт в список исключений. Мы стараемся размещать только релевантную рекламу, которая будет интересна не только рекламодателям, но и нашим читателям. Отключив Adblock, вы поможете не только нам, но и себе. Спасибо.
Как добавить наш сайт в исключения AdBlockРеклама
Несколько УНЧ на ИМС серии TDA
Несколько УНЧ на ИМС серии TDA
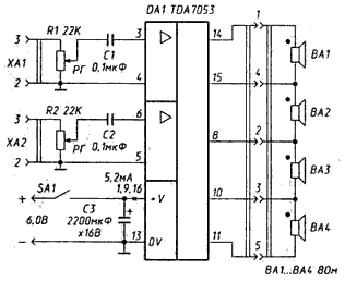
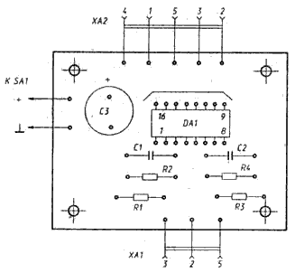
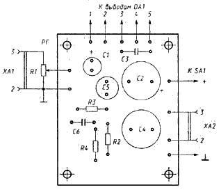
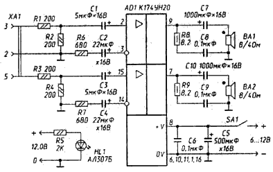
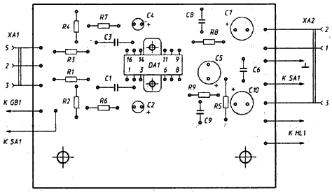
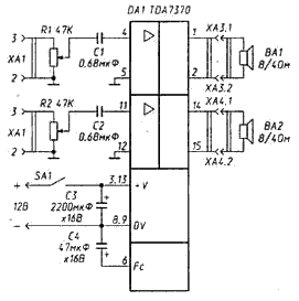
Стереоусилитель 2х1 ВтНа рис. 1 приведена принципиальная схема стереофонического усилителя с выходной мощностью до 1 Вт на канал, собранного на одной интегральной микросхеме TDA7053 производства фирмы Philips в корпусе DIP-16, а также двух переменных резисторов, двух керамических и одного оксидного конденсаторов. Особенностью усилителя является наличие в каждом канале не одной, а двух динамических головок сопротивлением по 8 Ом. Здесь возможно использование самых распространенных головок 1ГД-40 старого производства или подобных по конструкции головок с эллиптическим диффузором, например 2ГДШ-2-8. Другой особенностью усилителя является то, что его выходы нигде не соединены с общим проводом питания. Это характерно для мостовых усилителей мощности с бесконденсаторным выходом. ![]() Интегральная микросхема рассчитана на работу при напряжении питания 3-15 В и токе покоя около 5 мА. Минимальное сопротивление нагрузки - 8 Ом. Такой усилитель удобно и экономично подключить к карманному плейеру и использовать для музыкального сопровождения. В этом случае целесообразно упростить конструкцию усилителя, убрав регуляторы громкости, поскольку они уже имеются в плейере. Измененная принципиальная схема усилителя приведена на рис. 2. Здесь на входе каждого канала установлен делитель напряжения из двух резисторов во избежание перегрузки усилителя. Сигналы снимаются с гнезда для внешнего телефона плейера с помощью двойного кабеля от стереофонического телефона, вышедшего из строя. ![]() При повторении конструкций данных усилителей можно воспользоваться монтажными схемами и чертежами печатных плат, приведенными на рис. 3 и 4, а также рис. 5 и 6 соответственно. ![]() ![]() ![]() ![]() Усилитель на выходную мощность до 5 ВтНа рис. 7 дана принципиальная схема самого простого, надежного, экономичного и широко распространенного в промышленной аппаратуре усилителя мощности звуковой частоты на отечественной интегральной микросхеме К174УН14, имеющей десятки аналогов за рубежом, среди которых самым популярным является ТДА2003. Микросхема предназначена для работы при напряжении источника питания 8-18 В и сопротивлении нагрузки не менее 2 Ом. При этом достигается равномерное усиление сигнала в полосе частот 30 Гц - 20 кГц, а ток покоя составляет 40-60 мА. Чувствительность усилителя - около 50 мВ. Микросхема снабжена собственным теплоотводом, допускающим работу с выходной мощностью не более 2 Вт. Для получения большей мощности обязательно требуется установка дополнительного пластинчатого либо ребристого или игольчатого теплоотвода. ![]() Большое усиление микросхемы требует принятия определенных мер по повышению стабильности и устойчивости ее работы. Это достигается двумя способами. Во-первых, для предотвращения самовозбуждения на высоких и ультравысоких частотах громкоговоритель шунтируется последовательно соединенными низкоомным постоянным резистором R4 типа С1-4 и керамическим конденсатором С6. Во-вторых, коэффициент усиления во всей полосе воспроизводимых частот стабилизирован за счет наличия на выходе усилителя делителя напряжения сигнала 1:100 и подачей с него напряжения отрицательной обратной связи на инвертирующий вход усилителя. Через оксидный конденсатор большой емкости С4 громкоговоритель подключен к выходу усилителя через стандартный акустический разъем и своим одним выводом соединен с общим проводом питания, то есть заземлен. Поскольку потребляемый ток быстро меняется в пределах от нескольких десятков миллиампер до ампера и более, конденсатор С2, шунтирующий по постоянному току источник питания, также имеет большую емкость (обычно не менее 2200 мкФ) и напряжение не менее 16 В при источнике 12 В или 25 В при источнике 15 В. Дополнительно источник питания шунтируется керамическим конденсатором СЗ во избежание возможного самовозбуждения на высоких частотах из-за паразитных обратных связей. На рис. 8 и 9 приведены схема размещения навесных деталей на печатной плате, а также чертеж самой платы. Интегральная микросхема монтируется на дополнительном теплоотводе и соединяется с платой посредством тонких изолированных гибких проводов в тефлоновой, то есть фторопластовой изоляции. По возможности длина проводников должна быть минимальной. Обязательным условием нормальной работы усилителя является свободный доступ воздуха к его теплоотводу. ![]() ![]() Стереофонический усилитель 2х4 ВтНа базе интегральной микросхемы К174УН14 отечественная промышленность выпускает стереофонический усилитель с выходной мощностью до 4 Вт на каждый канал. Особенностью данной микросхемы является то, что два одинаковых кремниевых кристалла, на которых она основана, помещены в общий корпус с небольшими металлическими теплоотводами. Специально для нее выпускается дополнительный игольчатый теплоотвод, способный обеспечивать нормальный тепловой режим работы обоих каналов усилителя при выходной мощности до 4 Вт на каждый канал. Внешне эта интегральная микросхема ничем не отличается от широко распространенных в любительской практике микросхем К174УН7 и К174УН9, но по своим возможностям превосходит их. Микросхема К174УН20 рассчитана на работу с источником питания напряжением до 12 В при токе покоя 65 мА и сопротивлении нагрузки 4 или 8 Ом. Равномерное усиление сигнала производится в полосе частот 50 Гц - 16 кГц, что вполне приемлемо для большинства любительских конструкций. Причем если выходная мощность на каждый канал не будет превышать 0,5-0,8 Вт, то можно обойтись без дополнительного теплоотвода, в противном случае он необходим. Если специального игольчатого теплоотвода приобрести не удастся, его можно заменить пластинчатым, например, из листового алюминия или меди толщиной 1,0-1,5 мм. Его площадь должна быть не менее 9-10 см2 для каждого металлического выступа с отверстием под винт. Теплоотвод можно оформить в виде уголка, что сэкономит место на плате. ![]() На рис. 10 приведена принципиальная схема стереофонического усилителя на основе микросхемы К174УН20. Он обеспечивает выходную мощность 4 Вт по каждому каналу при напряжении питания 12 В и сопротивлении нагрузки 4 Ом. При увеличении сопротивления нагрузки до 8 Ом в каждом канале выходная мощность уменьшается до 2,2 Вт на канал при том же напряжении питания. Особенностью схемы является отсутствие плавных регуляторов громкости, которые заменены делителями входного напряжения на двух резисторах R1, R2 и R3, R4 с коэффициентом деления 1:2. Это сделано с целью подключения к выходу карманного аудиоплейера входа данного усилителя. В таком случае монтаж на печатной плате может иметь вид, показанный на рис. 11 и 12. При необходимости усилитель разрешается снабдить светодиодным индикатором включения питания, что бывает весьма полезно при работе от автономного источника. Это легко сделать с помощью постоянного резистора R5 и светодиода HL1, подключенных к источнику питания после выключателя. ![]() ![]() Двухканальный усилитель 2х10 ВтНа рис. 13 приведена принципиальная схема двухканального усилителя мощности звуковой частоты на одной интегральной микросхеме фирмы Philips TDA7370. При наличии дополнительного теплоотвода и достаточно мощном источнике напряжения постоянного тока 12 В он способен развивать номинальную выходную мощность по каждому каналу 10 Вт при коэффициенте нелинейных искажений 1%. Особенностью усилителя является очень малое число дополнительных навесных деталей - всего четыре конденсатора и два переменных резистора. Два громкоговорителя сопротивлением 4 или 8 Ом подключены непосредственно к выводам микросхемы без громоздких переходных конденсаторов большой емкости, что имеет место во многих других усилителях мощности звуковой частоты. Известно, что их гордо называют "усилителями с бестрансформаторным выходом", как бы в упрек когда-то существовавшим усилителям на электронных лампах, имевшим громоздкие выходные трансформаторы. Данный усилитель с полным правом можно называть усилителем мощности с бестрансформаторным и бесконденсаторным выходом. Аналогичные усилители уже описывались ранее, но они были малой мощности, всего по 1 Вт на канал. Именно это существенное отличие требует в данном усилителе обязательной установки эффективного дополнительного теплоотвода, к которому плотно (под винт МЗ) прижимается интегральная микросхема. Для этой цели подходят стандартные теплоотводы из дюралюминия под транзисторы КТ818, КТ819. В крайнем случае можно использовать пластину из дюралюминия размером 100х100 мм и толщиной 2-4 мм. Не рекомендуется даже на мгновение включать усилитель без такого теплоотвода, так как при работе с номинальной мощностью внутри микросхемы развивается тепловая мощность 30 Вт, как у паяльника. ![]() Другой особенностью, благодаря которой удается обходиться без конденсаторов на выходе, является мостовая схема выходных каскадов, когда громкоговорители не имеют контакта с общим заземленным проводом. Если такое все же случится, то микросхеме грозит выход из строя. Поэтому как при монтаже деталей, так и в процессе эксплуатации необходимо следить за тем, чтобы ни один из проводов, идущих к громкоговорителям, не имел контакта с общим проводом питания. Расположение деталей на печатной плате показано на рис. 14 и 15. Усилитель нормально работает при изменении напряжения питания от 9 до 20 В и сопротивлении нагрузки каждого канала не менее 4 Ом. Источник питания должен обеспечивать ток до 3,5 А при напряжении 12В. Если он обеспечит ток до 3,5 А при напряжении 12 В, с громкоговорителями сопротивлением по 4 Ом можно получить по 10 Вт мощности с каждого канала. Если источник может дать не более 2 А при том же напряжении, следует применить громкоговорители сопротивлением 8 Ом. Тогда выходная мощность каждого канала составит 6 Вт.
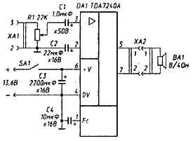
![]() ![]() С учетом выделения большого количества тепла конструкция усилителя должна обеспечивать свободный приток свежего воздуха к микросхеме и дополнительному теплоотводу. Это будет гарантией надежной долговременной работы усилителя. Усилитель звуковой частоты на 20 ВтУсилитель, принципиальная схема которого приведена на рис. 16, также выполнен по бестрансформаторной и бесконденсаторной схеме мостового оконечного каскада со всеми присущими ей достоинствами и недостатками. Главное отличие его от предыдущего в том, что имеется только один канал усиления на 20 Вт. Такой усилитель потребляет большой ток (до 3,5 А), поэтому его можно питать или от достаточно мощного выпрямителя, или от автомобильного аккумулятора напряжением 13,6 В. ![]() Расположение деталей на печатной плате показано на рис. 17 и 18. Интегральная микросхема устанавливается на дополнительном теплоотводе (стандартном или самодельном), как упоминалось выше, под винт МЗ. Для улучшения отвода тепла рекомендуется смазать соприкасающиеся поверхности теплоотвода и микросхемы тонким слоем вазелина. Как и в предыдущем случае, можно увеличить сопротивление нагрузки с 4 до 8 Ом, снизив, таким образом, выходную мощность до 10-12 Вт и потребляемый ток до 2 А. При отсутствии сигнала потребляемый ток составляет 80-100 мА, что является первым признаком работоспособности усилителя. Значительно больший или меньший ток свидетельствует либо об ошибке в монтаже, либо о неисправности деталей, включая микросхему. Однако опыт применения подобных микросхем при использовании исправных деталей показывает, что усилитель начинает работать сразу и не требует дополнительных регулировок. Его чувствительность равна 50-80 мВ, а полоса воспроизводимых частот составляет 20 Гц - 20 кГц.
Будут вопросы, пожелания, предложения - пишите. Юрий yooree (at) inbox.ru
|















