Что-то не так?
Пожалуйста, отключите Adblock.
Портал QRZ.RU существует только за счет рекламы, поэтому мы были бы Вам благодарны если Вы внесете сайт в список исключений. Мы стараемся размещать только релевантную рекламу, которая будет интересна не только рекламодателям, но и нашим читателям. Отключив Adblock, вы поможете не только нам, но и себе. Спасибо.
Как добавить наш сайт в исключения AdBlockРеклама
Интерфейс для системы дистанционного автозапуска автомобиля по каналу GSM
Интерфейс для системы дистанционного автозапуска автомобиля по каналу GSM
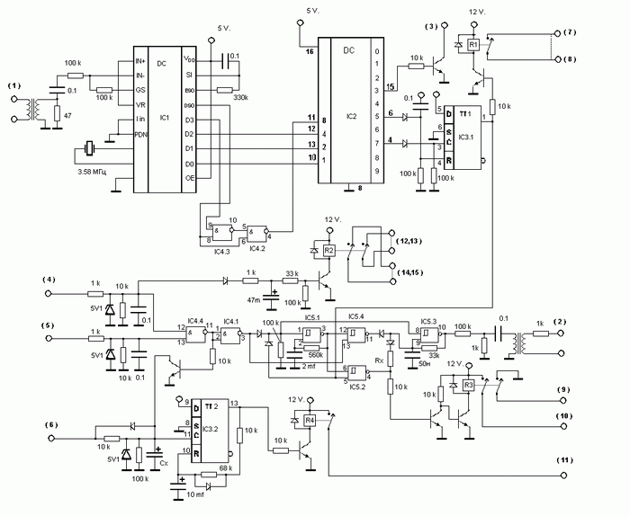
Зима, мороз, а Вы садитесь в теплый автомобиль с отогретыми ото льда стеклами и, сразу трогаетесь в путь. И нужно для этого совсем немного - чтобы кто-то заранее завел двигатель и включил отопитель авто. Идея автоматического или дистанционного запуска двигателя возникла не вчера. Ведь, по идее, все достаточно просто: нужно лишь воспроизвести Ваши действия при запуске двигателя, проще говоря - повернуть ключ зажигания за Вас. В настоящее время существует множество авто сигнализаций с функцией автозапуска, но у большинства из них ограничен радиус действия, особенно в городской черте. И была создана схема для контроля и управления функциями автозапуска автомобиля с почти любого расстояния. Данная схема разрабатывалась для совместной работы с модулем автозапуска автомобиля “StarLine-03”, но возможно ее адаптировать к другим модулям автозапуска или авто сигнализациям с функцией автозапуска, Т.к. в большинстве авто сигнализации с функцией автозапуска, имеется дополнительный вход для управления ею, по GSM или по пейджинговому каналу. 1. Сотовый телефон (имеющий опцию авто ответа при подключении hands free) с SIM-картой, разъем от hands free и зарядное устройство (устанавливаемые в автомобиле). Номер телефона (SIM карты) владелец в целях безопасности, хранит в тайне. В первую очередь при построении схемы учитывалась, ее низкая себестоимость, повторяемость и возможность работы с любым сотовым телефоном (не вмешиваясь в конструкцию телефона). При работе с системой владелец имеет прямой контроль, над функциями автозапуска автомобиля прослушивая тональные посылки от авто. Работа с данным интерфейсом проста. При наборе номера на телефон установленный в автомобиле, в динамике телефона слышится 2-3 гудка, зависит от модели телефона уставленного в автомобиле, затем происходит автоответ последнего (телефон установленный в авто должен иметь функцию автоответа при подключении hands free). Автоответ можно контролировать по таймеру разговора на дисплее телефона или по пропаданию гудков вызова. Затем нажимают кнопку №3 на телефоне (вызывающий телефон должен обеспечивать набор в стандарте DTMF). После этого в динамике слышатся короткие гудки. Это произойдет, если автомобиль был подготовлен к автозапуску. Если в динамике слышатся короткие гудки, это означает, что автомобиль, либо завелся или идет подготовка к последующим стартам двигателя (зависит опций автозапуска). Проверить это можно, продолжая, прослушивая гудки в течение некоторого времени, либо перезвонив позже и прослушав наличие гудков. На время работы двигателя в режиме автозапуска происходит автоматическое отключение датчика детонации (реле R2). Принудительная досрочная остановка двигателя осуществляется еще одним звонком и прослушиванием ответа из динамика гудков. Наличие гудков - двигатель работает, отсутствие - двигатель остановлен. При наличии гудков также нажимают кнопку №3, и прослушивают звук из динамика. Если отсутствуют гудки, это означает что двигатель остановлен. Интерфейс имеет также противоугонную опцию (анти-грабер): принудительную блокировку двигателя, световую индикацию “моргающий” дальний свет и звуковую индикацию (прерывистый сигнал клаксона). Эта команда подается звонком на телефон, установленный в автомобиле, и нажатии на кнопку №7, одновременно владелец слышит в динамике телефона звук сирены. Сброс этой опции кнопкой №5. Также в данном устройстве, имеется экстренная остановка двигателя работающего под контролем модуля автозапуска, при срабатывании заводских или установленных охранных систем (вход 6). Назначение контактов подключаемых к схеме: 1) Вход DTMF (выход от сотового телефона через провод hands free, головные телефоны). При поступлении тональной посылки “3” (нажатии на кнопку “3” на вызывающем телефоне), происходит декодирование сигнала, элементами IC1 и IC2. Далее с15 ножки IC2 и ключевой транзистор через вывод (3) интерфейса, подается команда на модуль автозапуска. Модуль автозапуска автомобиля, произведет старт авто. При поступлении напряжения 12 вольт, на (4) и (5) вывод интерфейса, через элементы IC4.4 и IC4.1, происходит разрешение на запуск генераторов на IC5.1, IC5.3, коммутатора IC5.4 и включения реле R2 блокировки датчика детонации авто. На (2) выводе интерфейса появляется короткие сигналы с частотой 800-1000 Гц. При тональной посылке нажатии на кнопку “7” происходит срабатывание IC3.1, реле R1 и элементов IC5.1, IC5.2. Произойдет блокировка двигателя, выхода (7) и (8), на выводе (2) интерфейса появятся двух тональные сигналы (имитация звука сирены), периодическое срабатывание реле R3 и появление соответствующих уровней на (9) и (10) выводах интерфейса. (9) вывод будет периодически замыкаться на массу что вызовет срабатывание клаксона, а на (10) выводе будет периодически появляться 12 вольт для срабатывания реле дальнего света фар автомобиля. Сброс происходит при тональной посылке “5”. Когда автомобиль заведен дистанционно, но произошло срабатывание авто сигнализации, узел IC3.2 подает сигнал сброса модуля автозапуска. Если авто сигнализация с автозапуском, от узла IC3.2 и цепей реле R2 можно отказаться (рис2). IC1 --KT3170 (MT8870, КР1008ВЖ18). Трансформаторы любые миниатюрные, выполняют функцию гальвано развязки. Конденсатор Сх подбирается таким образом, чтобы при подаче напряжения на клемму (6) время накопления на нем составило не менее 5 сек. Для исключения ложного срабатывания при постановке/снятии сигнализации. Реле блокировки двигателя, контакты 7/8, автомобильное со свободно замкнутыми контактами, остальные реле миниатюрные с двумя парами переключающихся контактов. Печатные платы выполнены в Sprint-Layout.
Внимание! Интерфейс не имеет ничего общего с охранной сигнализацией. Тарасов Виктор г. Самара
|

