Что-то не так?
Пожалуйста, отключите Adblock.
Портал QRZ.RU существует только за счет рекламы, поэтому мы были бы Вам благодарны если Вы внесете сайт в список исключений. Мы стараемся размещать только релевантную рекламу, которая будет интересна не только рекламодателям, но и нашим читателям. Отключив Adblock, вы поможете не только нам, но и себе. Спасибо.
Как добавить наш сайт в исключения AdBlockРеклама
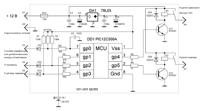
Автомат запуска автомобиля
Автомат запуска автомобиля
Аппарат работает следующим образом: При включении происходит задержка на несколько секунд, чтобы все пришло в норму. При этом горит светодиод. После этого светодиод начинает мигать. В таком состоянии аппарат может находиться сколь угодно долго. При однократном нажатии кнопки аппарат проверяет состояние ручника
(д.б. нормально замкнут на 0) и тахометр(не должно быть импульсов),
если все нормально, то включается зажигание, в течение 2 сек. идет
проверка и включается стартер, который работает 6 сек; если нет, то
следует переход на опрос кнопки. Для того, чтобы поставить двигатель на автозапуск, необходимо держать кнопку нажатой и смотреть на мигание светодиода. Количество миганий означает интервал * 10 минут. При отпускании кнопки программа начинает считать интервал запуска и светодиод мигает каждую секунду. При запуске работает алгоритм, описанный выше. Если двигатель не завелся с трех раз, то программа переходит в бесконечный цикл и светодиод часто мигает. Это сделано для того, чтобы не "засадить" аккумулятор.При сбое в работе программа прозводит сброс и начинает считать интервал заново. КНОПКА ДЛЯ УПРАВЛЕНИЯ ДОЛЖНА БЫТЬ НОРМАЛЬНО ЗАМКНУТА НА "0". Рис.1. Принципиальная схема устройства (Щелкните мышью для получения большого изображения) При разработке использованы идеи Dmitriy Salikov. Будут вопросы, пожелания, предложения - пишите. |
