Сигнализация по сети переменного тока
перевод А.Анкудинов (UA3VVM)
Источник http://www.electronics-lab.com |
Дистанционное упраление звуковым сигнализатором
или светодиодом
по сети переменного тока. Простая схема и сборка.
Схема передатчика 
Детали передатчика:
R1 - 220K 1/4W Резистор
R2 - 470R 1/2W Резистор
R3 - 100K 1/4W Резистор
R4 - 1K 1/4W Резистор
C1 - 10nF 400V Керамический или полистироловый конденсатор
C2 - 330nF 400V Полистироловый конденсатор
C3 - 1n5 63V Керамический конденсатор
C4 - 10nF 63V Керамический или полистироловый конденсатор
C5 - 100µF 25V Электролитический конденсатор
D1,D2 - 1N4007 1000V 1A Диоды
D3 - BZX79C30 30V 500mW Стабилитрон
Q1,Q2 - BC546 65V 100mA N-P-N Транзисторы
L1 - ПЧ трансформатор для АМ приемников, 445-470 кГц
P1 - Подходящая кнопка расчитанная на напряжение 220V
PL1 - Сетевая вилка со шнуром
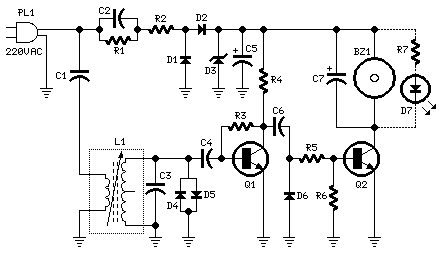
Схема приемника

Детали приемника:
R1 - 220K 1/4W Резистор
R2 - 470R 1/2W Резистор
R3 - 150K 1/4W Резистор
R4 - 2K2 1/4W Резистор
R5 - 100K 1/4W Резистор
R6 - 47K 1/4W Резистор
R7 - 2K2 1/4W Резистор (Опция)
C1 - 100nF 400V Полистироловый конденсатор
C2 - 330nF 400V Полистироловый конденсатор
C3 - 1n5 63V Керамический конденсатор
C4,C6 - 330pF 63V Керамический конденсаторы
C5,C7 - 100µF 25V Электролитические конденсаторы
D1,D2 - 1N4007 1000V 1A Диоды
D3 - BZX79C12 12V 500mW Стабилитрон
D4,D5,D6 - 1N4148 75V 150mA Диоды
D7- 5мм. красный светодиод (Опция)
Q1,Q2 - BC547 45V 100mA N-P-N Транзисторы
L1 - ПЧ трансформатор для АМ приемников, 445-470 кГц
BZ1 - Пьезоизлучатель (со встроенным 3 кГц генератором)
PL1 - Сетевая вилка со шнуром
Назначение устройства:
Нажатие кнопки включения передатчика вызывает включение звуковой и (или) световой
сигнализации во включенном приемнике. В системе сигнал передатчика в приемник
передается по сетевой электропроводке. Этот метод можно использовать в любой
комнате дома от подвала до чердачного помещения. Передатик и приемник легко подключаются
в стеновые сетевые розетки.
Описание работы передатчика:
Транзисторы Q1,Q2 соединены по схеме Дарлингтона образуя генератор Хартли с высокой
амплитудой выходного ВЧ сигнала. Напряжение 220V понижается до 30V без использования
трансформатора за счет использования конденсатора C1 как реактивное гасящее сопротивление.
На диодах D1 и D2 собран выпрямитель, а на D3 стабилизатор напряжения. Выходное
ВЧ напряжение генератора частотой 135 кГц через катушку связи трансформатора
L1 через разделительный конденсатор C1 поступает в электрическую сеть переменного
тока.
Описание работы приемника:
Синусоидальное напряжение частотой 135 кГц генератора выделяется на входном контуре
L1-C3. Ограничивается по амплитуде встречно-параллельно включенными диодами D4,
D5 до уровня менее 1V.
Далее напряжение поступает на транзисторный усилитель на Q1. На выходе усилителя
амплитуда напряжения составляет около 12V. На диоде D6 собран выпрямитель ВЧ
напряжения в постоянное с положительной полярностью. Постоянное напряжение поступает
на базу Q2 - драйвера выходных устройств. Конденсатор C7 необходим для сглаживания
остаточных пульсаций выпрямленного
ВЧ напряжения. Постоянное напряжение питания схемы 12V получается таким же способом,
как и в передатчике.
Примечания:
1. Трансформаторы L1, C3 в передатчике и приемнике должны
быть настроены на одну частоту для получения максимальной амплитуды напряжения
на конденсаторе C3 в приемнике.
2. Настройку обоих блоков лучше производить с помощью осциллографа
и располагать передатчик и приемник в процессе настройки как можно дальше друг
от друга.
3 . Готовые ПЧ трансформаторы с сердечниками почти всегда
легко перестроить на частоту 135 кГц, особенно в случае использования однотипных
трансформаторов.
4. ПЧ трансформаторы могут быть различных типов, но для их
настройки требуется подбирать емкость C3 в передатчике и приемнике. Емкость
этого конденсатора лежит в пределах 1 - 3 нанофарад.
5 . В приемнике одновременно используется звуковой излучатель
и сигнальный светодиод. Использовать только звуковой излучатель нельзя, так
как через резистор R7 и светодиод протекает ток через ключ на транзисторе Q2.
Возможно увеличить яркость свечение светодиода путем его замены на более мощный
(диаметр 10мм) и уменьшив сопротивление R7 до 1 кОм.
Предупреждение:
Аккуратно и внимательно работайте с напряжением 220V. Так как такое напряжение
является смертельно опасным. При настройке не прикасайтесь к оголенным проводам,
проводите все манипуляции на обесточенной схеме. По завершении настройки поместите
схему в пластиковый корпус.
|