Что-то не так?
Пожалуйста, отключите Adblock.
Портал QRZ.RU существует только за счет рекламы, поэтому мы были бы Вам благодарны если Вы внесете сайт в список исключений. Мы стараемся размещать только релевантную рекламу, которая будет интересна не только рекламодателям, но и нашим читателям. Отключив Adblock, вы поможете не только нам, но и себе. Спасибо.
Как добавить наш сайт в исключения AdBlockРеклама
ДВ АМ радиопередатчик на одном транзисторе
ДВ АМ радиопередатчик на одном транзисторе
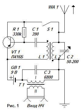
Вниманию радиолюбителей предлагается несложный ДВ АМ радиопередатчик. Принципиальная схема такого передатчика показана на рисунке 1. Данный передатчик работает в радиовещательном диапазоне волн 150-408 кГц. Радиус действия при хорошей антенне и качественном заземлении может достигнуть 1 км. Режим работы транзистора VT1 по постоянному току задаётся гасящим резистором R1. Данный резистор осуществляет коллекторную стабилизацию режима работы транзистора VT1. Нагрузкой транзистора является колебательный контур L2C2. Во время подачи питания на передатчик, в контуре L2C2 создаются затухающие колебания. Далее эти ВЧ колебания наводят в катушке обратной связи L1 ВЧ колебания такой же частоты. Переменный ВЧ ток с катушки L2 беспрепятственно проходит через разделительный конденсатор C1 и поступает на базу транзистора VT1 и усиливается. С транзистора усиленные ВЧ колебания поступают в нагрузку – контур L2C2 и, попадая в резонанс с собственными колебаниями контура, снова подаются на базу транзистора через конденсатор С1. Так продолжается непрерывно, пока к передатчику присоединен источник питания и цепь замкнута. Амплитудная модуляция осуществляется путём изменения амплитуды питающего напряжения в такт с НЧ колебаниями поступающими со вторичной обмотки трансформатора T1.
Катушки индуктивности намотаны на ферритовом стержне диаметром 8 мм и длиной 30-50 мм. Катушка колебательного контура L2 содержит 100 витков, а катушка обратной связи L1-20 витков провода марки ПЭЛ или ПЭВ диаметром 0,2 мм. Намотка ведётся виток к витку. Транзистор П416Б можно заменить на ГТ308А, П401-403, 422, МП42Б, КТ603Б(n-p-n). Лучше всего применить транзистор П401 т.к. он обладает более расширенным коэффициентом усиления по току (16-300). Рабочая частота передатчика выбирается конденсатором C2. Антенна может быть типа “Метёлка” с вертикальной частью длиной 10-15 метров. В качестве заземления можно использовать трубу холодной воды. Трансформатор T1 можно применить от абонентского громкоговорителя. Особое внимание следует обратить на правильность включения концов катушки обратной связи L1. Сопротивление НЧ входа должно составлять 1,5-3 Ом, а сопротивление первичной обмотки 350-500 Ом. Потребляемый передатчиком ток составляет лишь 0.16 мА.
|