LAB599.RU — интернет-магазин средств связи
EN FR DE CN JP

Детектор холода

Детектор холода

перевод А.Анкудинов (UA3VVM)
Источник http://www.electronics-lab.com

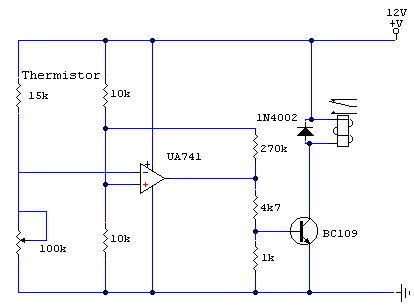
Детектор фиксирующий понижение температуры окружающего воздуха

Примечание:

Термистор, который используется в схеме имеет сопротивление 15 кОм при +25 градусах цельсия и 45 кОм при 0 градусов. Переменный резистор номиналом 100 кОм позволяет подобрать порог срабатывания триггера при изменении температуры. Нестойкое равновесие гистерезиса схемы достигается включением резистора номиналом 270 кОм с выхода ОУ на инвертирующий вход. Это позволяет реле "вибрировать", когда окружающая температура находится вблизи порога переключения данной схемы.

Детектор холода

Партнеры