Что-то не так?
Пожалуйста, отключите Adblock.
Портал QRZ.RU существует только за счет рекламы, поэтому мы были бы Вам благодарны если Вы внесете сайт в список исключений. Мы стараемся размещать только релевантную рекламу, которая будет интересна не только рекламодателям, но и нашим читателям. Отключив Adblock, вы поможете не только нам, но и себе. Спасибо.
Как добавить наш сайт в исключения AdBlockРеклама
Подарок любимым женщинам
Подарок любимым женщинам
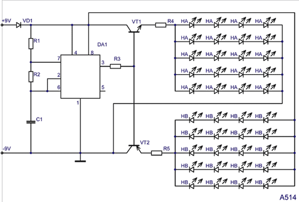
На некоторое время дадим отдохнуть домашнему компьютеру и уделим время вопросам монтажа электронных наборов, т.к. многие радиолюбители спрашивают, как правильно и грамотно собрать радиоэлектронное устройство, чтобы оно сразу заработало. Попробуем вместе разобраться в этом вопросе на примере набора МАСТЕР КИТ "Живое сердце" NS094. Скоро замечательный праздник - день 8 марта: сделаем подарок мамам, бабушкам, любимым и родным! Данный набор представляет собой оригинальный световой эффект, он состоит из двух вложенных сердец, выполненных из 40 красных светодиодов, которые включаются попеременно. Эффект динамичен, ярок и очень привлекателен. Устройство, собранное из набора, эффективно демонстрирующее биение человеческого сердца, передаст теплоту в Вашем доме и приятно удивит любимых женщин. Технические характеристики Напряжение питания устройства: 9 B. Ток потребления: 50 мА. Размеры печатной платы: 72х74 мм. Краткое описание Принципиальная схема устройства приведена на рис.1. ![]() Рисунок 1. Принципиальная схема устройства. Переключением светодиодов управляет генератор, выполненный на микросхеме универсального таймера DA1. Рабочая частота генератора определяется номиналами резисторов R1, R2 и конденсатора C1. Транзисторные ключи VT1, VT2, коммутирующие светодиоды, предотвращают перегрузку выходного каскада микросхемы DA1. Диод VD1 предохраняет устройство от выхода из строя при неправильном подключении источника питания. Перечень элементов приведен в таблице. Таблица. Перечень элементов.
Итак, после ознакомления с принципиальной схемой и проверки комплектности начнем сборку устройства. Внешний вид набора после распаковки показан на рис. 2.
Рисунок 2. Внешний вид распакованного набора (не показан держатель батареи питания). Приступим к формовке электронных компонентов (рис.3), т.е. осторожно, пользуясь пинцетом, загибаем под прямым углом выводы пассивных элементов так, чтобы каждый из них мог быть вставлен в соответствующие отверстия на печатной плате. Правильная формовка придает собираемому устройству красоту и профессиональный вид.
Рисунок 3. Формовка электронных компонентов. После формовки устанавливаем все элементы на печатную плату рис. 4 и 5 (согласно принципиальной схеме), сначала мелкие, например, резисторы, затем более крупные (конденсатор) и активные элементы - диод, транзисторы, светодиоды и микросхему (рис. 6). Проверяем правильность установки. На полярность светодиодов следует обратить особое внимание: в зависимости от типа корпуса, полярность определяется следующим образом: плюс - это или более "толстая", или более длинная "ножка" светодиода.
Рисунок 4. Печатная плата (вид сверху).
Рисунок 5. Печатная плата (вид снизу).
Рисунок 6. Установка компонентов на печатную плату (набивка). Перед пайкой необходимо позаботиться об инструменте. Хороший инструмент - половина успеха, причем большая. Начнем с паяльника. Для обычных радиомонтажных работ достаточно паяльника мощностью 25 Вт (при условии, что напряжение в сети постоянно и не нужно паять массивные детали). Для пайки толстых выводов деталей необходим паяльник мощностью не менее 40 Вт. Далее следует защитить жало паяльника от обгорания. Широко распространены два способа: - обмазывание жала тонким слоем смеси силикатного клея и сухой минеральной краски (окиси железа, цинка, магния); - натирка по всей длине жала мягким простым карандашом. При первом способе перед включением паяльника покрытие нужно хорошо просушить, иначе клей вспенится и покрытие будет осыпаться. Следует отметить, что жало должно быть медное (некоторые китайские паяльники имеют не медное жало). Конец жала лучше отковать молотком, тогда оно не выгорает значительно дольше. Если винтика для крепления жала два, один ставить не надо совсем, а другой взять по- длиннее, навернуть не него гайку и тогда уже закрутить, зажав жало. Затем завернуть гайку, прижав втулку с жалом к корпусу паяльника. Только тогда жало не будет шататься в паяльнике. Длины выступающего конца жала 30 мм вполне достаточно. Точится жало маломощного паяльника только с одной стороны под острым углом. При постоянной работе в полную мощность паяльники перегреваются и долго не служат. В простейшем случае можно в разрыв шнура питания поставить выключатель, а параллельно контактам - диод, рассчитанный на обратное напряжение не менее 400 В и прямой ток 0,3 А (например, FR207). Тогда в одном положении выключателя паяльник будет отдавать полную мощность, а в другом мощность уменьшится вдвое. Включаем паяльник и проверяем температуру жала по легкости плавления припоя (ПОС-61М) и приступаем к пайке. Бокорезами, с внутренней стороны платы, откусываем лишнюю длину у ножки резистора R1, прихватываем жалом паяльника немного припоя и аккуратно припаиваем его вывод к поверхности печатной платы до возникновения шипения канифоли и появления легкого дымка (касание паяльника должно быть не более 3 секунд). Пайка проведена успешно. Операцию пайки повторяем со всеми выводами пассивных (резисторы, конденсатор, держатель батареи) и активных (диод, светодиоды и микросхема) компонентов (рис. 7).
Рисунок 7. Паяем и лудим. Время пайки активных компонентов не должна превышать 1-2 секунд. Окончательно проверим монтаж всех компонентов и включим питание. "Живое сердце" - замигало праздничными огнями (рис. 8)!
Рисунок 8. Внешний вид собранного своими руками устройства. Заключение Чтобы сэкономить время на поиск компонентов и разводку платы для изготовления вышеописанного устройства, МАСТЕР КИТ предлагает набор NS094, из которого можно самостоятельно собрать нужное устройство. Оно состоит из печатной платы, всех необходимых компонентов, подробного руководства по сборке и настройке. Наборы МАСТЕР КИТ для самостоятельной сборки и популярные журналы "РАДИОЛЮБИТЕЛЬ" спрашивайте в магазинах радиодеталей вашего города. Подробную информацию по ассортименту электронных наборов и модулей смотрите в каталоге "МАСТЕР КИТ" и на нашем сайте. На сайте приведен полный список адресов магазинов, где можно приобрести продукцию МАСТЕР КИТ. Там же находится полный перечень и подробные характеристики наборов и модулей, работает "Конференция", где обсуждаются самые разнообразные технические вопросы, размещены статьи в разделе "КИТы в журналах", "Полезные ссылки" - ответы на различные вопросы по монтажу устройств, организована подписка на электронные новости от МАСТЕР КИТ. Будут вопросы, пожелания, предложения - пишите. Юрий sadikov (at) masterkit.ru
|
