Что-то не так?
Пожалуйста, отключите Adblock.
Портал QRZ.RU существует только за счет рекламы, поэтому мы были бы Вам благодарны если Вы внесете сайт в список исключений. Мы стараемся размещать только релевантную рекламу, которая будет интересна не только рекламодателям, но и нашим читателям. Отключив Adblock, вы поможете не только нам, но и себе. Спасибо.
Как добавить наш сайт в исключения AdBlockРеклама
НАБОР МАСТЕР КИТ ДЛЯ НАЧИНАЮЩИХ ТЕЛЕГРАФИСТОВ
Азбука Морзе и ее изучение
В 1838 г. профессор живописи Нью-йоркского университета США Сэмюэль Морзе (1791-1872 г.г.) (рис.1), занимаясь параллельно вопросами передачи информации, предложил систему кодирования букв и цифр для передачи их по проводным каналам связи, в последствие названной его именем. Все буквы, цифры и знаки препинания азбуки Морзе кодировались в виде последовательностей точек и тире [1]. К настоящему времени кодировка отдельных символов существенно изменилась, но предложенная С. Морзе система передачи осталась: точки, тире и интервалы между ними имели фиксированную длительность - длительность тире равнялась длительности трех точек или трех интервалов.
Первый телеграфный ключ (рис.2) изготовил и использовал молодой, талантливый помощник С. Морзе: Альфред Вейл (1807-1859 г.г.) (рис.3) [1].
С его помощью в 1844 г. было передано первое сообщение «морзянкой» из столицы США (г. Вашингтон) в г. Балтимор (рис.4) [1]. ![]() Сегодня таких телеграфных ключей [2,3] вы уже не встретите, они стали достоянием частных коллекционеров и музеев.
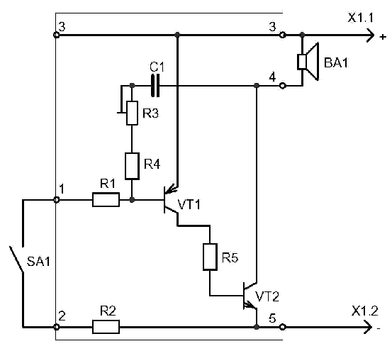
Для передачи радиограмм используются два типа ключей: механический и электронный [2,3]. В последнее время для передачи текстовых сообщений многие радиооператоры и радиолюбители применяют клавиатуру персонального компьютера и специальную «телеграфную» программу. Существуют также компьютерные программы, «расшифровывающие» коды Морзе в смысловые фразы, но никакая программа не сможет заменить профессионального радиста! Изучение азбуки Морзе лучше начать на обычном механическом ключе: формируется «почерк», легче запоминаются символы. А с несложным электронным устройством для изучения азбуки Морзе читатели могут познакомиться в этой статье. Генератор Морзе поможет самостоятельно изучить «морзянку»; благодаря малым размерам, автономному питанию и достаточно большой мощности его можно использовать для коллективных тренировок, в тестах и соревнованиях. Простая электрическая схема и конструкция генератора позволит собрать надежное устройство из набора МАСТЕР КИТ NM5036 даже начинающему радиолюбителю. Генератор Морзе послужит хорошим учебным пособием для изучения основ радиоэлектроники. Для тех, кто совершает первые шаги в мир радиосвязи, предлагаемый генератор будет очень полезен. Он пригодится на занятиях по изучению азбуки Морзе и поможет получить практические навыки работы на телеграфном ключе. Небольшие размеры платы и возможность работы от батареи позволяют собрать устройство целиком в небольшом корпусе, поэтому его можно использовать не только дома, но и брать с собой на занятия в радиошколу. Генератор Морзе выполнен на основе универсальной схемы несимметричного мультивибратора (VT1, VT2). Рабочая частота мультивибратора определяется номиналами резисторов R1, R2, R3, R4 и конденсатором C1. Принципиальная электрическая схема показана на рис.7, а фотография устройства – на рис.8. ![]() В табл. 2 приведен перечень элементов, необходимых для самостоятельной сборки генератора. Для питания устройства необходим источник питания, обеспечивающий выходное напряжение 3,0…9,0 В. Следует учитывать, что изменение напряжения питания приводит к изменению громкости и рабочей частоты генератора. К генератору можно подключить низкоомные головные телефоны (например, от аудиоплеера) или небольшую динамическую головку.
Внешний вид печатной платы А503 показан на рис.9 и рис.10. ![]() ![]() Известно несколько методик изучения азбуки Морзе [2], но все они основаны на периодическом повторении каждой буквы, до полного запоминания её « мелодии». Самый лучший способ изучить «морзянку» - в радиоклубе или радиошколе оборонного спортивно-технического общества: квалифицированные тренеры в течение нескольких месяцев регулярных тренировок сделают из вас профессиональных телеграфистов. Если у вас такой возможности нет, можно научиться азбуке Морзе самостоятельно. Автору известно очень много радиолюбителей, которые успешно освоили «морзянку» самостоятельно. Для самостоятельного обучения азбуки Морзе прилагается учебная таблица 3. Вы можете прослушать все звуки, щелкнув по ссылке напротив буквы
Для практического закрепления теоретических сведений рекомендуем воспользоваться этой таблицей. На сайте www.masterkit.ru записаны звуки генератора Морзе NM5036, а в разделе «КИТы в журналах» можно снова прочитать эту статью и прослушать звучание каждой буквы и цифры. Чтобы это осуществить, установите в компьютере звуковую карту и подключите её к колонкам или наушникам. Желаем вам успехов в изучении азбуки Морзе! Чтобы сэкономить время МАСТЕР КИТ предлагает набор NM5036. Он состоит из печатной платы, всех необходимых компонентов, подробного руководства по сборке и настройке. Наборы МАСТЕР КИТ для самостоятельной сборки и популярные радиолюбительские журналы спрашивайте в магазинах радиодеталей вашего города. На сайте МАСТЕР КИТ ( www.masterkit.ru ) приведен полный список адресов магазинов, находится полный перечень и подробные характеристики наборов и модулей, работает «Конференция», где обсуждаются самые разнообразные технические вопросы, размещены статьи в разделе «КИТы в журналах», «Полезные ссылки» – ответы на различные вопросы по монтажу устройств, организована подписка на электронные новости от МАСТЕР КИТ. Используемые источники («Радиолюбитель» их почему-то вырезал) 1. www.samuelfbmorse.com
|





