Что-то не так?
Пожалуйста, отключите Adblock.
Портал QRZ.RU существует только за счет рекламы, поэтому мы были бы Вам благодарны если Вы внесете сайт в список исключений. Мы стараемся размещать только релевантную рекламу, которая будет интересна не только рекламодателям, но и нашим читателям. Отключив Adblock, вы поможете не только нам, но и себе. Спасибо.
Как добавить наш сайт в исключения AdBlockРеклама
Радиолюбительская светомузыка из компьютера на 32 канала
Радиолюбительская светомузыка из компьютера на 32 канала
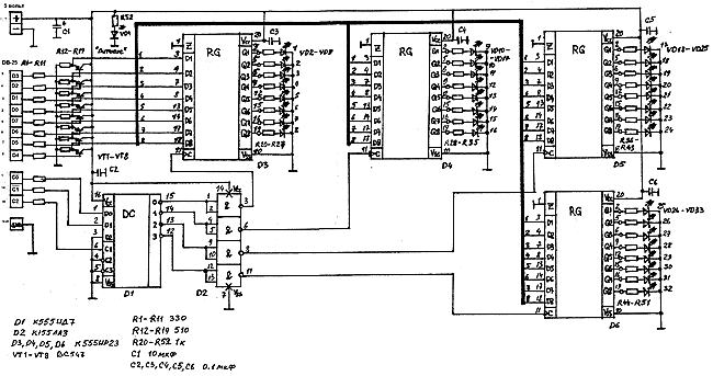
Предлагаю свой вариант компьютерной светомузыки на 32 канала. Схема проста и не содержит дефицитных деталей, подключается к параллельному порту. Принцип действия следующий. С параллельного порта по очереди данные D0-D7 записываются в восьмиразрядные регистры D3-D6. Выбор микросхемы для записи в нее двоичного значения происходит путем подачи с регистра Control (выводы 1,14,16) параллельного порта двоичного сигнала на микросхему D1. Она выполняет роль дешифратора. Вывод C2 порта является синхронизирующим (его требует дешифратор). Микросхема D1 имеет инверсные выходы, поэтому к ним подключены 4 инвертора D2. На выходах инверторов формируется управляющий сигнал, разрешающий запись в выбранный регистр D3-D6. Схему можно нагрузить на 32 ярких разноцветных светодиода через 32 одинаковых усилителя. Их входы нужно подключить непосредственно к выходам Q1-Q8 микросхем D3-D6. Получится неплохая светомузыка для дома. Можно также нагрузить ее на 220 вольтовые лампы через тиристорные ключи с гальванической развязкой. В качестве примера для управления этой схемой можно воспользоваться следующей программой, реализующей эффект «бегущая волна». Код программы был написан на Quick Basic 7.1 и на более ранних версиях не проверялся. Следует отметить также то, что прямой доступ к портам возможен только в версиях Win9X. Для доступа к портам из версий Windows, базированных на технологии NT, потребуется специальный драйвер. В приведенном примере используется порт LPT1 с шестнадцатиричным адресом 378. Если у вас используется другой адрес, то придется его поменять, например, в BIOS. К сожалению вариант управляющей программы, работающей со звуком, пока недоступен. Я только начал изменение программных кодов восьмиканальной версии программы СВЕТОМАНИЯ для работы на 32 канала. Так что в ближайшем будущем ожидается появление новой версии.
Cls
Dim i, j As Integer
Dim dta1, dta2, dta3, dta4 As Long
Dim z
Dim c(32)
j = 0
TIMER ON
On Timer(1) GoSub ABC
Print "Press any key to exit"
Do
Loop Until INKEY$ <> ""
ABC:
If j > 31 Then j = 0: z = Not (z)
If Not z Then
c(j) = 1
Else
c(j) = 0
End If
j = j + 1
dta1 = 0
dta2 = 0
dta3 = 0
dta4 = 0
For i = 0 To 31
If i < 8 Then
If c(i) = 1 Then dta1 = dta1 Or 2 ^ i
ElseIf i < 16 Then
If c(i) = 1 Then dta2 = dta2 Or 2 ^ (i - 8)
ElseIf i < 24 Then
If c(i) = 1 Then dta3 = dta3 Or 2 ^ (i - 16)
Else
If c(i) = 1 Then dta4 = dta4 Or 2 ^ (i - 24)
End If
Next i
OUT &H37A, 3
OUT &H378, dta1
OUT &H37A, 4
OUT &H37A, 3
OUT &H378, dta2
OUT &H37A, 5
OUT &H37A, 3
OUT &H378, dta3
OUT &H37A, 6
OUT &H37A, 3
OUT &H378, dta4
OUT &H37A, 7
OUT &H37A, 3
Print dta1, dta2, dta3, dta4
Return
|
