LAB599.RU — интернет-магазин средств связи
EN FR DE CN JP

УКВ ЧМ приемник на одном транзисторе

УКВ ЧМ приемник на одном транзисторе

Е. ЛАПИН, г. Верхний Тагил
lapinattn (at) mail.ru

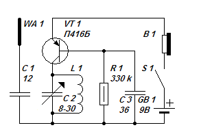
Самый простой УКВ ЧМ приёмник, доступный для повторения начинающему радиолюбителю можно собрать по схеме однотранзисторного синхронно-фазового детектора. Принципиальная схема такого приёмника показана на рисунке.

УКВ ЧМ приемник на одном транзисторе

Сигнал принимается антенной WA 1, роль которой может выполнять отрезок монтажного провода. Этот сигнал поступает в колебательный контур L1C2, подстраивая конденсатор С2 контур можно перестраивать в пределах УКВ ЧМ диапазона 65.8-73 МГц. Выделенное этим контуром напряжение сигнала  поступает через конденсатор С3  на базу транзистора VT1. Этот транзисторный каскад выполняет одновременно несколько функций: функции фазового детектора, фильтра нижних частот, усилителя постоянного тока и усилителя низкой частоты. Фазовое детектирование происходит на р-n переходах транзистора, эквивалентных переходам диодов. Собрать приёмник можно объёмным монтажом, или можно разработать печатную плату на основе принципиальной схемы, а детали на ней расположить в том же порядке как на схеме. Катушка L1  не имеет каркаса, для намотки берется хвостовик сверла диаметром 7 мм и на нём наматывается катушка проводом ПЭВ 0,4...0,5 мм. Катушка L1 содержит 14 витков. После намотки сверло из катушки извлекается (оно служит только в качестве оправки для намотки).

Транзистор П416Б можно заменить на ГТ308А, КТ603Б. Телефон – любой высокоомный малогабаритный. Конденсатор С2  типа КПК - керамический, на 8...30p, 5...20р или 4...15р, он настраивается вращением винта, расположенного посредине. В качестве источника питания можно использовать элемент питания Крона на 9 В. Выключатель любой, например тумблер.
Настройка относительно проста. Нужно подключить телефон, питание и антенну - кусок монтажного провода, чем длиннее тем лучше. Антенну желательно вывесить в окно или повесить на оконную раму. Теперь нужно одеть головные телефоны (в них должно быть слабое шипение) и  вращением ротора конденсатора С2  попытаться поймать одну станцию. Если это не получается нужно немного растянуть витки катушки и повторить. Хороших результатов от такого простого приёмника не добиться, но он может принимать две-три станции в УКВ ЧМ диапазоне. Поэкспериментируйте с растяжением и зжатием витков катушки L1, длиной и расположением антенны, напряжением питания. Можно вместо наушников подключить резистор на 1...3 кОм и с точки соединения этого резистора и эмиттером транзистора подать НЧ напряжение на УНЧ, тогда можно будет слушать на динамики.

Партнеры