Что-то не так?
Пожалуйста, отключите Adblock.
Портал QRZ.RU существует только за счет рекламы, поэтому мы были бы Вам благодарны если Вы внесете сайт в список исключений. Мы стараемся размещать только релевантную рекламу, которая будет интересна не только рекламодателям, но и нашим читателям. Отключив Adblock, вы поможете не только нам, но и себе. Спасибо.
Как добавить наш сайт в исключения AdBlockРеклама
Albrecht AE6080 CB-Radio
Albrecht AE6080 CB-Radio
Скачать
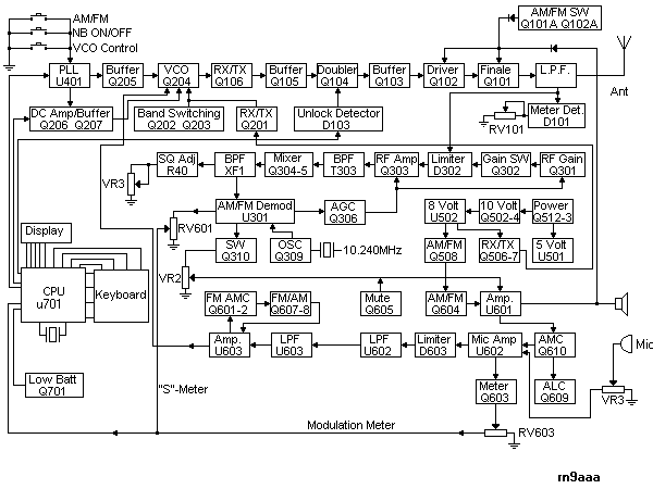
схему радиостанции (178 кб, PDF) Точки настройки.
CT401: 3.600MHz PLL Reference Frequency
Настойка опорного генератора синтезатора частот
Настройка на различные стандарты частотных сеток.
Переключение режимов мощности.
|
