Что-то не так?
Пожалуйста, отключите Adblock.
Портал QRZ.RU существует только за счет рекламы, поэтому мы были бы Вам благодарны если Вы внесете сайт в список исключений. Мы стараемся размещать только релевантную рекламу, которая будет интересна не только рекламодателям, но и нашим читателям. Отключив Adblock, вы поможете не только нам, но и себе. Спасибо.
Как добавить наш сайт в исключения AdBlockРеклама
Программатор микросхем типа 24CXX EEPROM
Программатор микросхем 24CXX EEPROM
Конструкция выходного дня Сломался телевизор "Samsung". Полазил по Интернету. Прочитал массу советов на сайте www.telemaster.ru. Починил. Поразило обилие в форумах фразы типа "... Помогите найти прошивку !!! ". И у меня появилось желание считать со своих телевизоров прошивки и положить про запас. Так на всякий случай, чтобы потом долго не искать. Стало быть нужен программатор. Свой. Люблю когда все под рукой. И опять в Интернет. Особого разнообразия не нашел да и все как-то кусками выложено. Иногда за приличные деньги за универсальный программатор просят. А если надо только для микросхем типа EEPROM 24С04 как в моем случае? Перебрал несколько вариантов и остановился на программаторе "PonyProg serial device programmer" Программатор универсальный, поддерживает массу микросхем, в том числе и контроллеров. Построен по блочному принципу, что позволяет выбрать нужный вариант, как в моем случае. Много положительных отзывов о его работе. Я присоединяюсь к ним. На сайте www.lancos.com бесплатно можно найти схему PonyProg serial device programmer и программное обеспечение. Я лишь выделил только что мне надо было. Согласно документации этот программатор поддерживает:
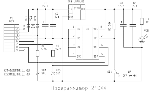
* - для этого варианта А0 (1 нога панельки DA) должна быть подключена к VCC (8 нога панельки DA). Программатор не требует отдельного питания и подключается к COM порту комппьютера. Схема программатора представлена на Рис1. Схема не представляет собой ничего особенного кроме одного момента. В качестве источника питания в авторском варианте применен стабилизатор на микросхеме LM2936Z-5. Причем специально указано что не рекомендуется ее заменять на микросхемы типа LM78L05. Стал сравнивать и выяснилось следующее. для нормальной работы микросхемы типа LM78L05 требуется входное напряжение не менее 7.5 вольт при собственном потреблении как минимум 3 ма. Это лишняя нагрузка на порт. Микросхема LM2936Z-5 входит в режим стабилизации сразу после 5 вольт при собственном потреблении порядка 10 мка. Все данные взяты из описаний на микросхемы. На сайте www.chipinfo.ru за LM2936Z-5 в зависимости от фирмы просят от 100 до 300 рублей! Мне это показалось накладным для домашнего использования и я все же применил LM78L05. У меня это не сказалось на работе программатора. Компьютер старенький, и видимо порты достаточно мощные. Конструкция и детали.Программатор собран на плате из двустороннего стеклотекстолита и имеет размеры 50*35 мм. Рис.1. Принципиальная схема (щелкните мышью для увеличения) Малые размеры позволяют подключить его непосредственно к COM порту комппьютера. так что кабель к нему паять не придется. На рис.2 указано расположение деталей. Рис.2. Расположение деталей (щелкните мышью для увеличения) Разьем Х1 типа DB9 (мама) использован мною со старой EGA видеокарты. Пришлось спилить головки крепежа до минимума. В магазинах тоже есть, да и не дорого оказалось, также как и панелька (DA). Конденсаторы С1 и С3 планарного (SMD) типа опять же из-за размеров программатора. Стабилитроны VD4 и VD5 на 5.1 вольта. Резисторы типа МЛТ-0.05. Переключатель SB1 - запрет/разрешение записи. Причем в процессе работы выяснилось что положение переключателя на 24C04 влияет, на 24C04EN - нет. Так что кому эта функция не нужна нужно удалить SB1 и R3, а 7 ногу панельки соединить с землей.
На рис.3 приведен рисунок печатной платы со стороны деталей, на рис.4 - с обратной стороны. Налаживание.Никакого, если детали исправны и на плате нет "соплей". Порядок работы.Установить программу (у меня вариант под Win'98). После установки программного обеспечения:
Примечание: Переключатель разрешения записи должен быть в правом положении (в сторону конденсатора фильтра). Приложение:
Чернов Сергей
|
|||



