IDE2LPT - адаптер жесткого диска для подключения к параллельному порту PC

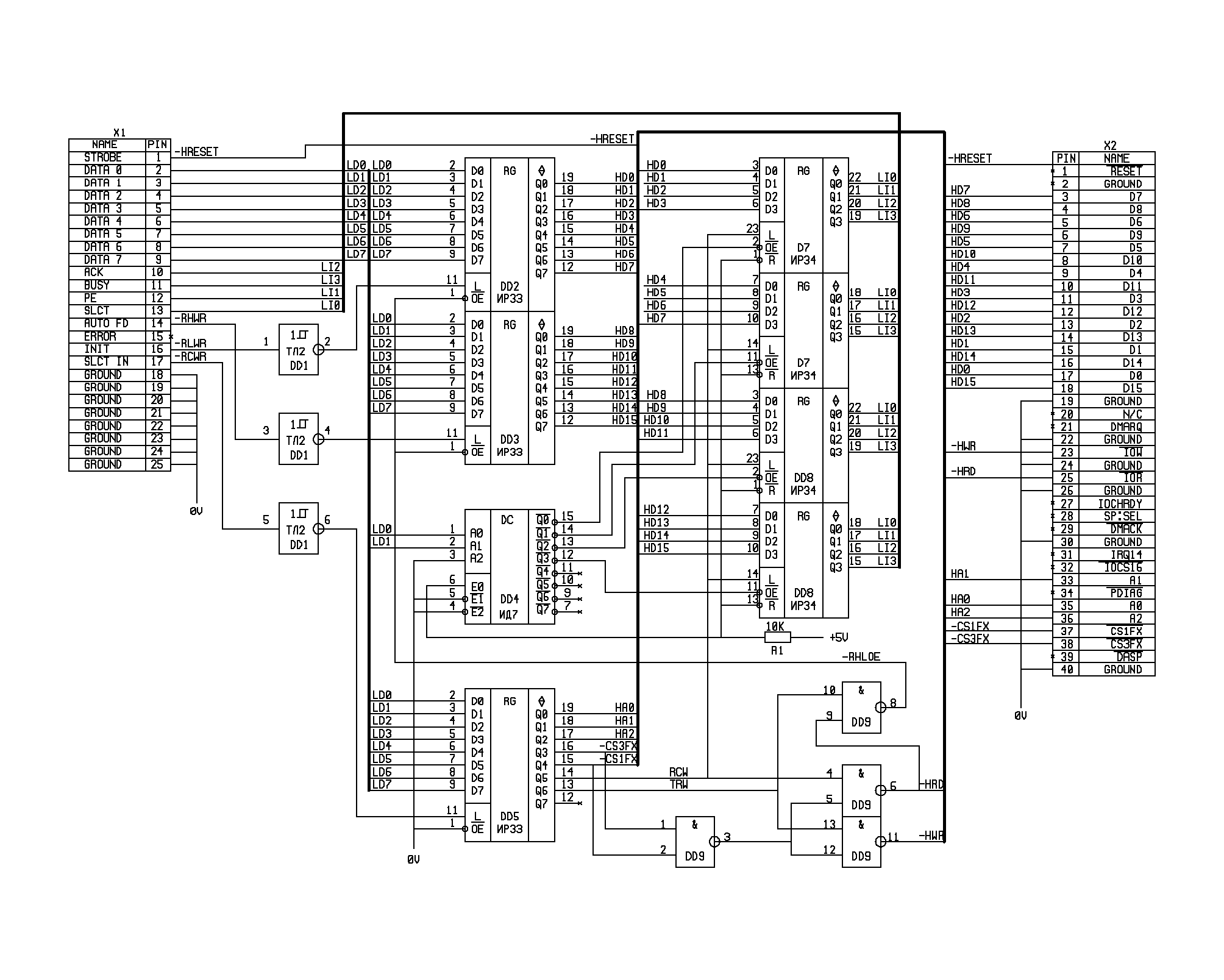
Рис.1 Схема адаптера IDE2LPT (щелкните мышью для увеличения)
Filename Date Size Description
| Файл |
Дата |
Размер |
Описание |
| ide2lpt_pcb.zip |
24-Jun-00 |
329 KB |
Печатная плата адаптера IDE2LPT в форматах:
ACCEL EDA 14, PostScript, BMP, а также:
Структурная схема и краткое описание.
© Дмитрий Абрамов, email timon7 (at) inbox.ru |
| ide2lpt.pdf |
27-May-99 |
99 KB |
Статья про IDE2LPT (PDF) |
| ide2lpt.zip |
27-May-99 |
15 KB |
Драйвер IDE2LPT с исходниками для DOS |
| ide2lpt-drv.zip |
09-March-00 |
28 KB |
Драйвер IDE2LPT с исходниками для Win9x, beta-версия |

Рис.2 Фотография адаптера IDE2LPT
IDE2LPT. Часто задаваемые вопросы по адаптеру от 11/04/00.
| Q1 |
Я собрал схему. Адаптер определяется драйвером, при
запуске драйвера ide2lpt с ключиком /t тестирование проходит успешно.
Но после выдается сообщение "Can't get IDE-ATA info". Что делать
? |
| A1 |
Причин данной проблемы может быть несколько: Во-первых,
стоит проверить Вашу схему, т.к. одно время в Фидо и Интернете
была распространена схема с перепутанными сигналами - CS1FX и -
CS3FX. Правильный вариант схемы (равно как и вся самая свежая информация)
расположена в интернете на странице автора по адресу http://curvex.hypermart.net/ide2lpt/
и на этом сайте. Проверьте, в правильной схеме сигнал - CS1FX должен
сниматься с выв. Q4, а - CS3FX с выв. Q3 ИР33(22). Стоит также
убедиться в правильности формирования остальных сигналов используемых
винчестером.
Во-вторых, убедитесь, что перемычки определяющие режим работы Вашего винчестера
установлены в комбинации Master. Адаптер расчитан на подключение только
одного накопителя в режиме Master.
В-третьих, если Ваш винчестер достаточно старый, то он может просто не
уметь обрабатывать запрос на выдачу идентификационной информации. В этом
случае следует определить геометрию диска по наклейке на его корпусе или
по справчнику и задать вручную через ключ /G:SEC:HEAD, где SEC - это количество
секторов на дорожку, a HEAD - количество головок Вашего винчестера. Сказанное
выше справедливо для DOS-драйвера, т.к. драйвер для Windows вовсе не работает
с накопителями, не умеющими отдавать ATA-информацию. Ну и наконец, дело
может в несогласованности кабеля винчестера. Рекомендации по решению данной
проблемы приведены в ответе на вопрос Q3. |
| Q2 |
Драйвер успешно выполняет тестирование адаптера и
правильно опредяет подключенный винчестер, но выдает сообщение "Error.
Unsupported partition type." В чем тут дело ? |
| A2 |
Наиболее вероятны две причины. Во-первых, как и следует
из текста сообщения, Ваш диск содержит неподдерживаемый раздел.
Драйвер для DOS умеет работать с FAT12, FAT16, BIG- и Extended-разделами.
И не поддерживает FAT32, поэтому при работе с разделами FAT32,
следует применять только Windows драйвер. Вообще говоря, для драйвера
Windows тип разделов не принципиален, так как поддержка той или
иной файловой системы осуществляется драйверами самой Windows или
драйверами третьесторонних производителей.
Во-вторых, если адресация в Вашем винчестере осуществляется по схеме LBA,
то физическая геометрия, определенная драйвером и логическая, используемая
при трансляции номера сектора могут отличаться. Более подробно этот вопрос
раскрыт в статье об адаптере, также размещенной на странице автора в Интернет.
В случае использования Windows-драйвера данная проблема не актуальна и
решается самой системой. |
| Q3 |
В кратком описании адаптера от 26.12.97 сказано,
что существуют проблемы при запуске адаптера на машинах с тактовой
частотой процессора выше 100Mhz. Так ли это ? Изменилось что-либо
с тех пор ? |
| A3 |
Частично данный вопрос раскрыт в статье посвященной
адаптеру. Повторюсь, что, к сожалению, радикального решения этой
проблемы так и не найдено. Но при выполнении нижеследующих рекомендаций,
адаптер, как показывает опыт, будет успешно функционировать на
большинстве компьютеров.
Основная причина нестабильной работы может заключаться в несогласованности
соединительных кабелей LPT-порта и винчестера, и, как следствие, в "звоне" сигналов
и межпроводниковых наводках. Не следует использовать кабель к LPT-порту
длиннее 30см. Сигнальные проводники LPT-кабеля должны чередоваться с земляными
проводниками. Сигналы -RHWR, -RLWR, -RCWR должны быть подтянуты через резисторы
470 Ом к +5V. Сигналы LD0..LD7 - через резисторы 1кОм. Можно также зашунтировать
все входные сигналы от LPT-порта коденсаторами емкостью в несколько десятков
пикофарад на нулевой провод.
Сигналы -HWR и -HRD подаваемые на винчестер следует снимать с соответсвующих
выводов микросхем через резисторы сопротивлением 22 Ома. Длина проводников
для этих сигналов должна быть как можно меньше.
Кроме этого, имперически было выяснено, что адаптеры, собранные с использованием
микрохем 1533ИР22 (555ИР22), работают более устойчиво, чем адаптеры собранные
на регистрах 1533ИР33. Последние были применены автором исключительно по
причине более удобного расположения выводов. Однако в силу вышесказанного
рекомендуется заменить их на ИР22, с учетом отличий в распиновке. |
|