Что-то не так?
Пожалуйста, отключите Adblock.
Портал QRZ.RU существует только за счет рекламы, поэтому мы были бы Вам благодарны если Вы внесете сайт в список исключений. Мы стараемся размещать только релевантную рекламу, которая будет интересна не только рекламодателям, но и нашим читателям. Отключив Adblock, вы поможете не только нам, но и себе. Спасибо.
Как добавить наш сайт в исключения AdBlockРеклама
Как подключить компьютер к телефонной линии
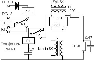
Как подключить компьютер к телефонной линииДля чего его подключать? Вы будете иметь возможность использовать компьютер как автоответчик, АОН, организовать голосовую почту, управлять домашними приборами дистанционно. Конечно, для этого необходимо соответствующее программное обеспечение, которое, я думаю, вы напишите с удовольствием. Что для этого надо? В компьютере должна стоять звуковая карта, лучше дуплексная и устройство сопряжения с телефонной линией. Как это делается сейчас? Я не буду рассматривать специализированные профессиональные устройства, подобные тем, что выпускает фирма Dialogic. Это совершенно другой разговор. Народ в основном использует модем с голосовыми функциями (voice modem), хотя это тоже недешевое устройство и не у каждого оно есть. Под данные модемы есть и соответствующие пакеты, например, Acid2000. Устройство сопряжения. Устройство сопряжения по своей сути повторяет тривиальный телефонный аппарат и содержит в себе дифсистему, для преобразования двухпроводной линии в четырех проводную и устройство управления, в функции которого входит: обнаружить звонок, снять трубку, набрать номер, положить трубку. Ниже показана схема простейшего устройства сопряжения. Управление происходит через компорт. Трансформаторы - из каких то телефонов. Реле – РЭС-55А. Конечно, схемное решение может быть и другим, без трансформаторов, например с использованием оптронов. Недостатком данной схемы является то, что при импульсном наборе номера линия полностью не закорачивается, но ничего - работает. Для гурманов реле Р1 можно включить в диагональ диодного моста, чтобы не дребезжало с частотой вызывного сигнала. Снятие трубки и импульсный набор номера производится поднятием сигнала DTR. Для обнаружения вызова надо поднять сигнал RTS и анализировать RI.
Рис.1. Схема подключения компьютера к телефонной линии
|
